GM Service Manual Online
For 1990-2009 cars only

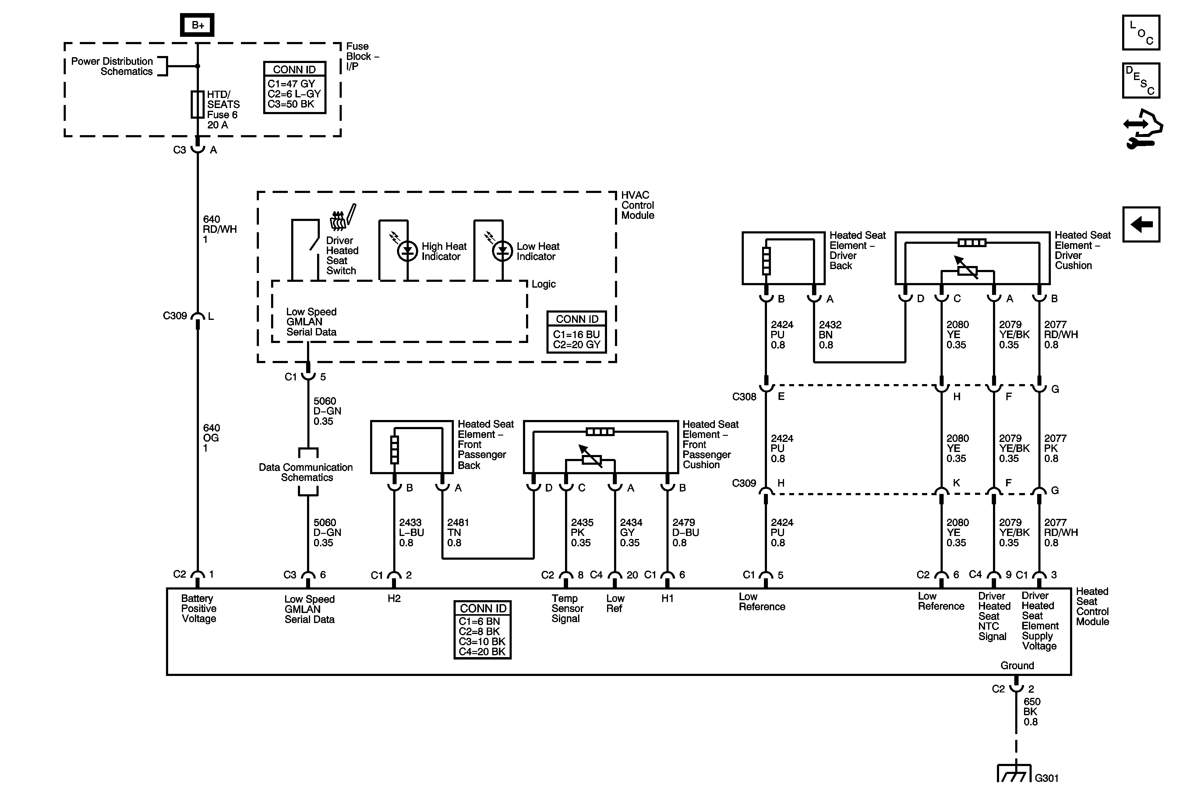
Object Number: 1791542  Size: FS
Master Electrical Component List
Heated Seats Description and Operation
Control Module References
AOS MDL, BATT 2, HTD/SEATS, L/GATE, LT TRN/SIG, PWR MIRS, RT TRN/SIG and AIRBAGS Fuses and PWR SEATS Circuit Breaker
Low Speed GMLAN
G301