GM Service Manual Online
For 1990-2009 cars only
Makes
🢒
Chevrolet
🢒
2008
🢒
Equinox
🢒
Diagnostic Navigation
🢒
Vehicle Diagnostic Information
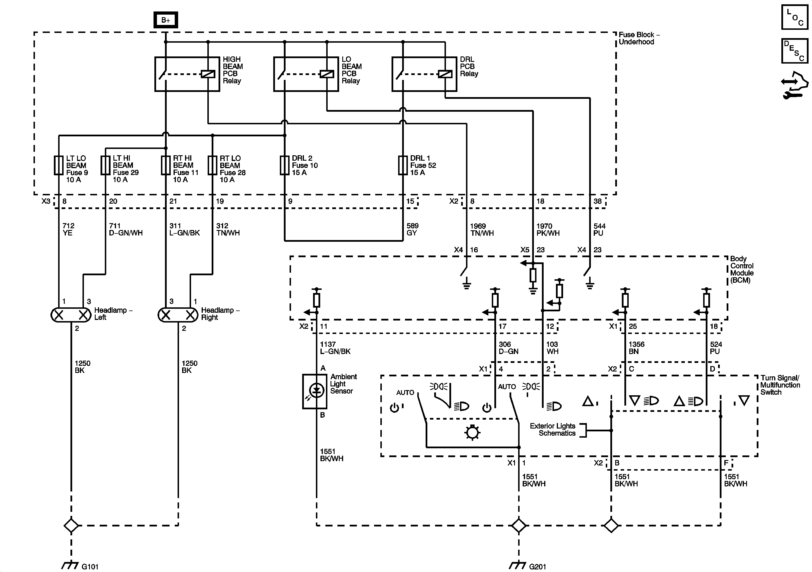
🢒 Headlights/Daytime Running Lights (DRL) Schematics
Master Electrical Component List
Exterior Lighting Systems Description and Operation
Control Module References