GM Service Manual Online
For 1990-2009 cars only
Makes
🢒
Chevrolet
🢒
2009
🢒
Equinox
🢒
Diagnostic Navigation
🢒
Vehicle Diagnostic Information
🢒 Exterior Lights Schematics
Figure
1:
Left Park Lamps
Figure
2:
License Lamps, Right Park Lamps
Figure
3:
Turn Signal Lamps
Figure
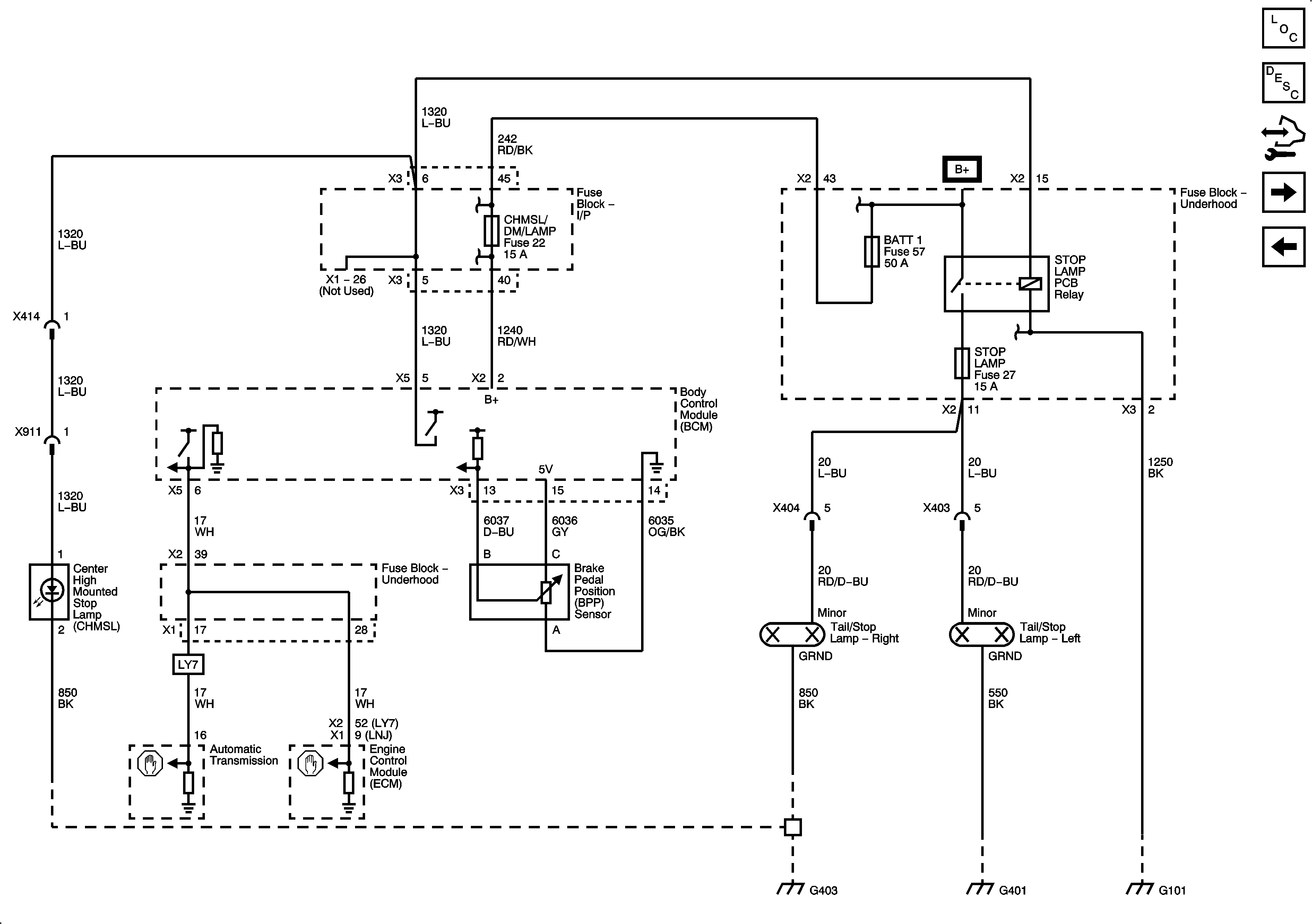
4:
Stop Lamps
Figure
5:
Backup Lamps
Figure
6:
Trailer Tow Connector