GM Service Manual Online
For 1990-2009 cars only
Makes
🢒
Chevrolet
🢒
1985
🢒
Evaluator
🢒
Body
🢒
Seats
🢒 Passenger Seat Schematics
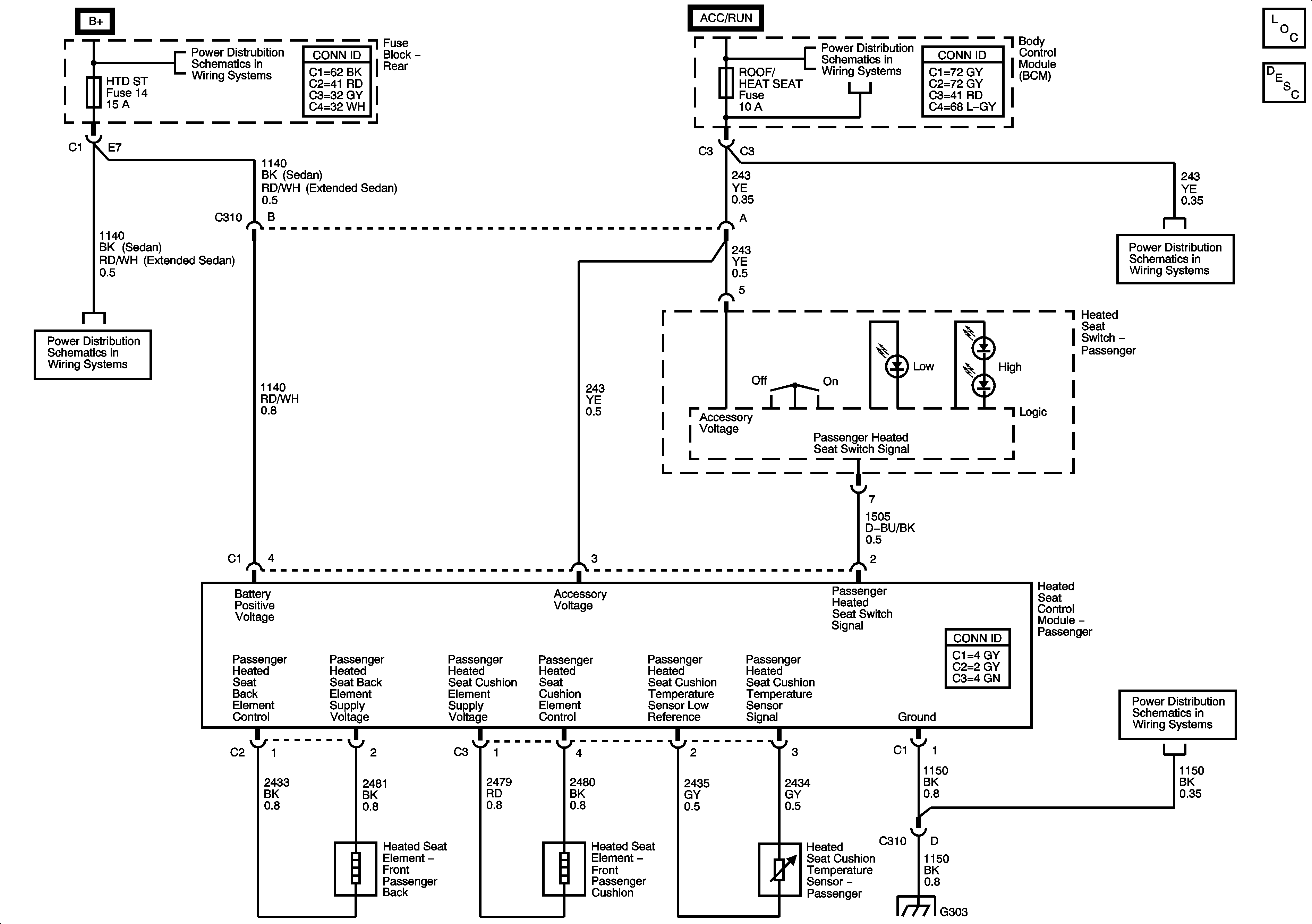
Heated Passengers Seat
Master Electrical Component List
Heated Seats Description and Operation
Power Distribution (Underhood Fuse Block - RBEC Batt 1 Fuse and Feeds)
Power Distribution (Underhood Junction Block - ICBM Batt2 Fuse feeds)
Power Distribution (Underhood Fuse Block - RBEC Batt 1 Fuse and Feeds)
Power Distribution (Underhood Junction Block - ICBM Batt2 Fuse feeds)
Ground G303