GM Service Manual Online
For 1990-2009 cars only
Makes
🢒
Chevrolet
🢒
1985
🢒
Evaluator
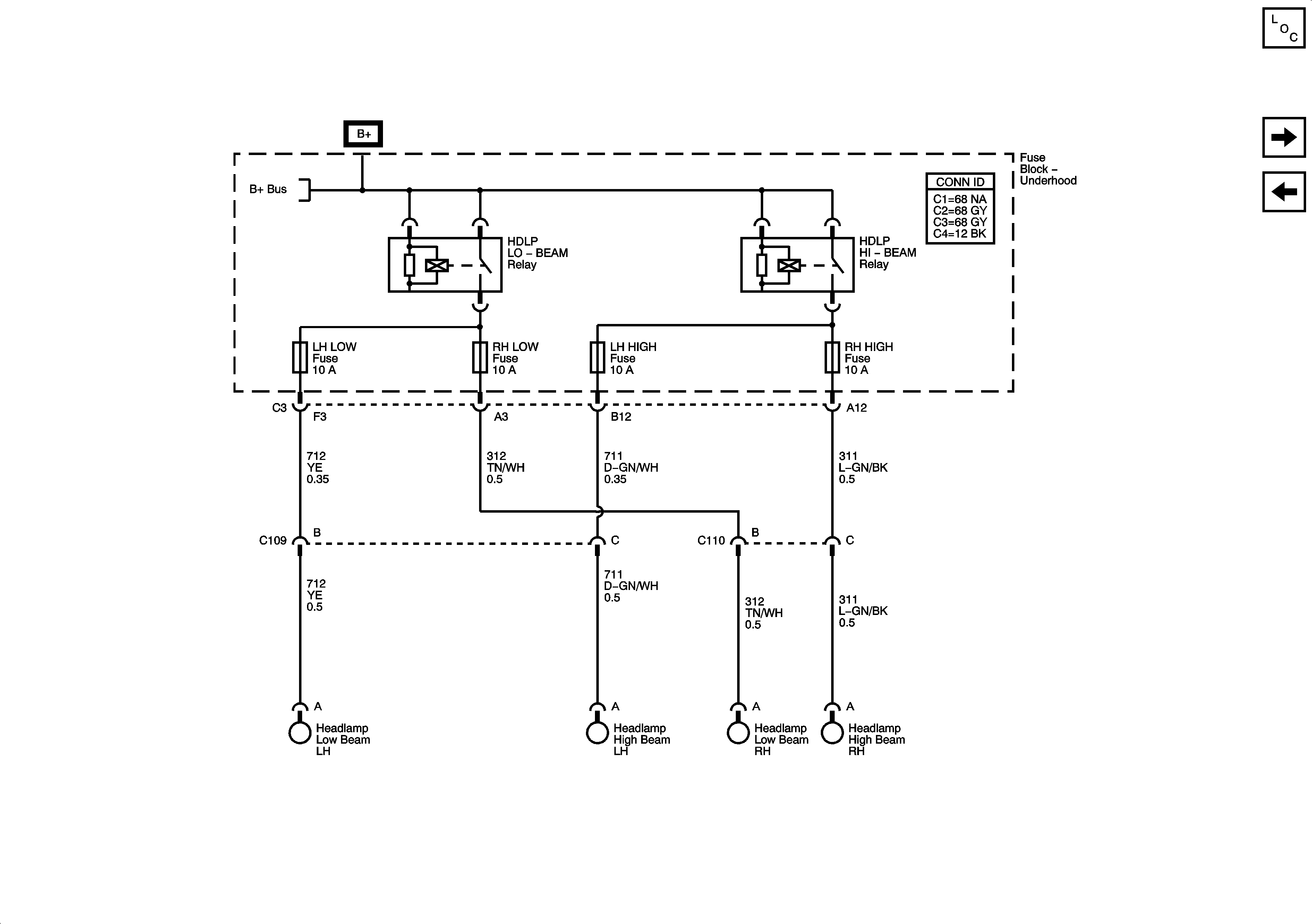
🢒 Power Distribution (Headlamp Fuses)
Power Distribution (Headlamp Fuses)
Low Beam Lt, Low Beam Rt, High Beam Lt, High Beam Rt Fuses
Master Electrical Component List
Power Distribution (Run Crank Relay Feeds)
Power Distribution (PCM BATT, ABS, EPS, ICBM Batt1, ICBM Batt2 Fuses)
Power Distribution (B+ Bussing)