GM Service Manual Online
For 1990-2009 cars only

Tools Required

    • J 3049-A Valve Lifter Remover (Plier Type)
    • J 9290-01 Valve Lifter Remover (Slide Hammer Type)

    Important: Every effort should be made to ensure that the mating parts are installed in their original locations during assembly.


    Object Number: 66925  Size: SH
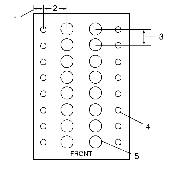
  1. A simple valve train component organizer rack can be made from a 50 mm by 200 mm (2 in by 8 in) piece of wood. Use the following dimensions for the organizer:
  2. • (1) 22 mm (7/8 in)
    • (2) 55 mm (2 1/4 in)
    • (3) 40 mm (1 1/2 in)
    • (4) 10 mm (3/8 in) drill bit, 25 mm (1 in) deep
    • (5) 22 mm (7/8 in) drill bit, 25 mm (1 in) deep

    Object Number: 64537  Size: SH
  3. Remove the following parts:
  4. • The valve rocker arm bolts
    • The valve rocker balls
    • The valve rocker arms
    • The valve pushrods guides.

    Object Number: 64539  Size: SH
  5. Remove the valve pushrods.
  6. The exhaust valve pushrods are longer than the intake valve pushrods.


    Object Number: 64542  Size: SH
  7. Remove the splash shield.

  8. Object Number: 64543  Size: SH
  9. Remove the valve lifter guide retainer bolts and retainer.

  10. Object Number: 64545  Size: SH
  11. Remove the valve lifter guides.
  12. Remove the valve lifters.
  13. • Use a magnet in order to remove the valve lifters one at a time.
    • Place the valve lifters in the organizer rack, or tag them in a way to ensure they can be returned to the valve lifter bore from which they were removed.
    • Some valve lifters may be stuck in their bore due to gum or varnish deposits. These valve lifters can be removed using either J 3049-A or J 9290-01 .