GM Service Manual Online
For 1990-2009 cars only

Starter Replacement 4.3L and 5.0L

Removal Procedure

  1. Disconnect the negative battery cable. Refer to

    Caution: Unless directed otherwise, the ignition and start switch must be in the OFF or LOCK position, and all electrical loads must be OFF before servicing any electrical component. Disconnect the negative battery cable to prevent an electrical spark should a tool or equipment come in contact with an exposed electrical terminal. Failure to follow these precautions may result in personal injury and/or damage to the vehicle or its components.

    in General Information.

  2. Object Number: 7308  Size: SH
  3. Remove the starter motor brackets and shields, if equipped.
  4. Disconnect the wires from the starter solenoid.

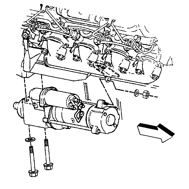
  5. Object Number: 84599  Size: SH
  6. Remove the bolts and the shims (if present) from the starter motor.
  7. Remove the starter motor from the engine.

Installation Procedure


    Object Number: 84599  Size: SH
  1. Install the starter motor to the engine.
  2. Install the bolts and the shims (if present) to the starter motor.
  3. Tighten
    Tighten the starter motor bolts to 45 N·m (33 lb ft).

    Notice: Use the correct fastener in the correct location. Replacement fasteners must be the correct part number for that application. Fasteners requiring replacement or fasteners requiring the use of thread locking compound or sealant are identified in the service procedure. Do not use paints, lubricants, or corrosion inhibitors on fasteners or fastener joint surfaces unless specified. These coatings affect fastener torque and joint clamping force and may damage the fastener. Use the correct tightening sequence and specifications when installing fasteners in order to avoid damage to parts and systems.

  4. Connect the wires to the starter solenoid.
  5. Tighten

        • Tighten the battery cable to the solenoid to 10 N·m (89 lb in).
        • Tighten the ignition wires to the solenoid to 2 N·m (18 lb in).

    Object Number: 7308  Size: SH
  6. Install the starter motor brackets and shields.
  7. Tighten
    Tighten the starter motor shield nuts to 6   (53 lb in).

  8. Connect the negative battery cable.

Starter Replacement 5.7L and 7.4L

Removal Procedure

  1. Disconnect the negative battery cable. Refer to

    Caution: Unless directed otherwise, the ignition and start switch must be in the OFF or LOCK position, and all electrical loads must be OFF before servicing any electrical component. Disconnect the negative battery cable to prevent an electrical spark should a tool or equipment come in contact with an exposed electrical terminal. Failure to follow these precautions may result in personal injury and/or damage to the vehicle or its components.

    in General Information.

  2. Object Number: 84599  Size: SH
  3. Remove the starter motor bolts and shims (if present) from the engine.

  4. Object Number: 105380  Size: SH
  5. Remove the starter motor heat shield.
  6. Disconnect the electrical connectors from the starter solenoid.
  7. Remove the starter motor from the engine.

Installation Procedure


    Object Number: 84599  Size: SH
  1. Install the starter motor to the engine.
  2. Connect the electrical connectors to the starter solenoid.
  3. Tighten

        • Tighten the battery cable to the solenoid to 10 N·m (89 lb in).
        • Tighten the ignition wires to the solenoid to 2 N·m (18 lb in).

    Notice: Use the correct fastener in the correct location. Replacement fasteners must be the correct part number for that application. Fasteners requiring replacement or fasteners requiring the use of thread locking compound or sealant are identified in the service procedure. Do not use paints, lubricants, or corrosion inhibitors on fasteners or fastener joint surfaces unless specified. These coatings affect fastener torque and joint clamping force and may damage the fastener. Use the correct tightening sequence and specifications when installing fasteners in order to avoid damage to parts and systems.


    Object Number: 105380  Size: SH
  4. Install the starter motor shield.
  5. Tighten

        • Tighten the starter motor shield bolts to 3   (35 lb in).
        • Tighten the starter motor shield nuts to 6   (53 lb in).
  6. Install the starter motor bolts to the engine.
  7. Tighten
    Tighten the starter motor bolts to 45 N·m (33 lb ft).

  8. Connect the negative battery cable.

Starter Replacement 6.5L Diesel

Removal Procedure

  1. Disconnect the negative battery cable. Refer to

    Caution: Unless directed otherwise, the ignition and start switch must be in the OFF or LOCK position, and all electrical loads must be OFF before servicing any electrical component. Disconnect the negative battery cable to prevent an electrical spark should a tool or equipment come in contact with an exposed electrical terminal. Failure to follow these precautions may result in personal injury and/or damage to the vehicle or its components.

    in General Information.

  2. Object Number: 105381  Size: SH
  3. Remove the starter motor retaining nut.
  4. Remove the starter motor bolts from the engine.
  5. Disconnect the electrical connectors from the starter solenoid.
  6. Remove the starter motor from the engine.

  7. Object Number: 105382  Size: MH
  8. Remove the starter motor shield bolts.
  9. Remove the starter motor shield and the bracket.

Installation Procedure


    Object Number: 105382  Size: MH
  1. Install the starter motor shield and the bracket.
  2. Tighten
    Tighten the starter motor shield bolts to 17   (13 lb ft).

    Notice: Use the correct fastener in the correct location. Replacement fasteners must be the correct part number for that application. Fasteners requiring replacement or fasteners requiring the use of thread locking compound or sealant are identified in the service procedure. Do not use paints, lubricants, or corrosion inhibitors on fasteners or fastener joint surfaces unless specified. These coatings affect fastener torque and joint clamping force and may damage the fastener. Use the correct tightening sequence and specifications when installing fasteners in order to avoid damage to parts and systems.


    Object Number: 105381  Size: SH
  3. Install the starter motor to the engine.
  4. Connect the electrical connectors to the starter solenoid.
  5. Tighten

        • Tighten the battery cable to the solenoid to 10 N·m (89 lb in).
        • Tighten the ignition wires to the solenoid to 6 N·m (53 lb in).
  6. Install the starter motor bolts to the engine.
  7. Tighten
    Tighten the starter motor bolts to 45 N·m (33 lb ft).

  8. Install the starter motor retaining nut.
  9. Tighten
    Tighten the starter motor retaining nut to 8.5 N·m (75 lb in).

  10. Connect the negative battery cable.