GM Service Manual Online
For 1990-2009 cars only
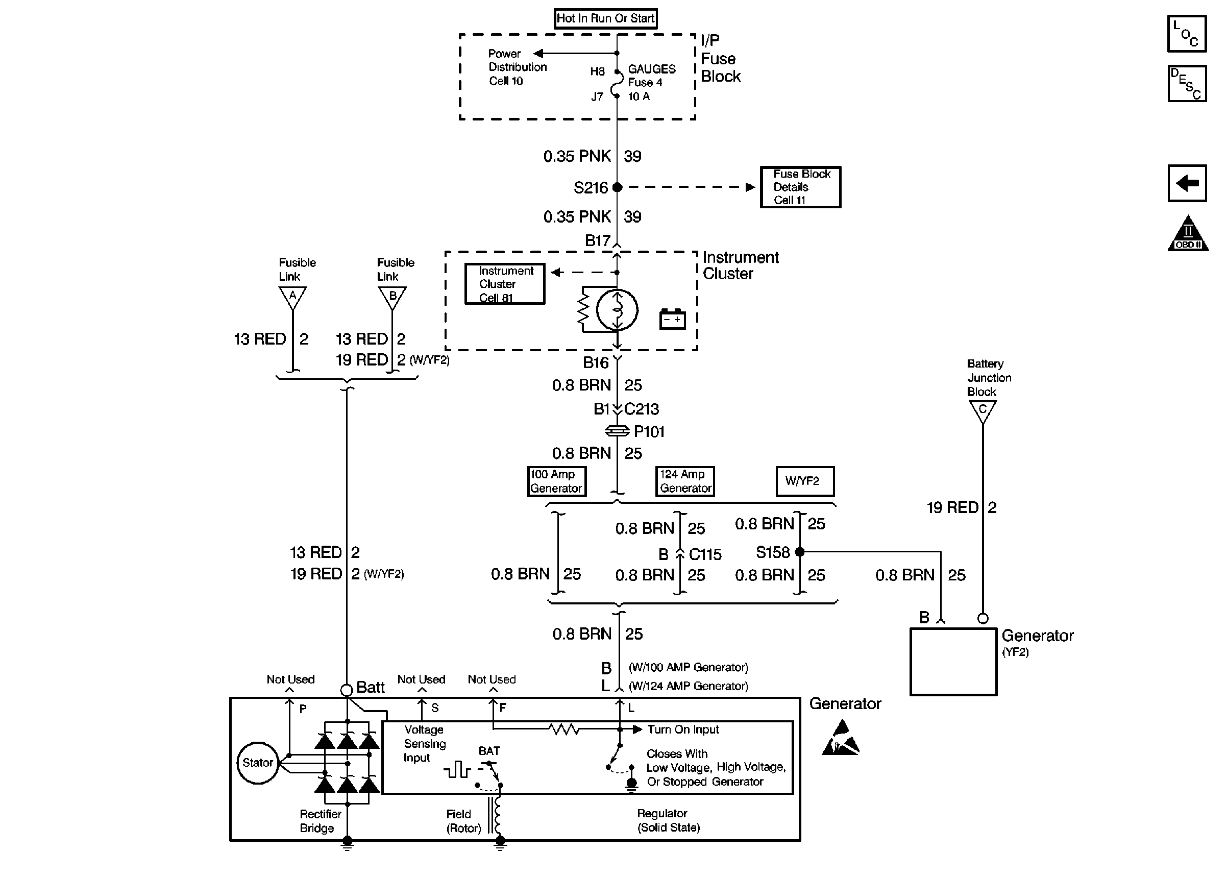
Figure 1:

Gasoline Engines


Object Number: 161376  Size: FS
Engine Electrical Components
Starting and Charging System
Diesel Engines
OBD II Symbol Description Notice
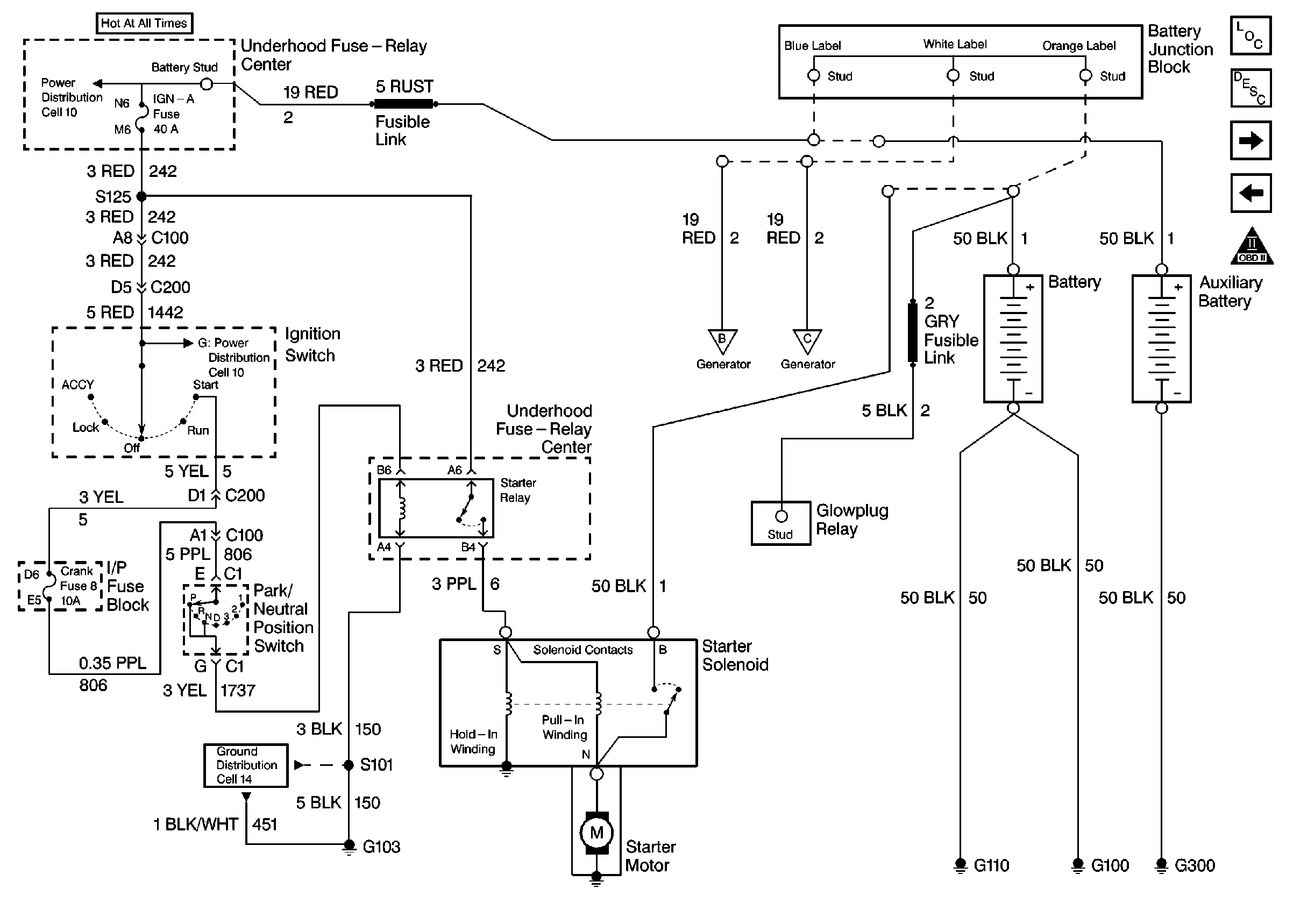
Figure 2:

Diesel Engines


Object Number: 161396  Size: FS
Engine Electrical Components
Starting and Charging System
Diesel Engines With Ambulance Package
Gasoline Engines
OBD II Symbol Description Notice
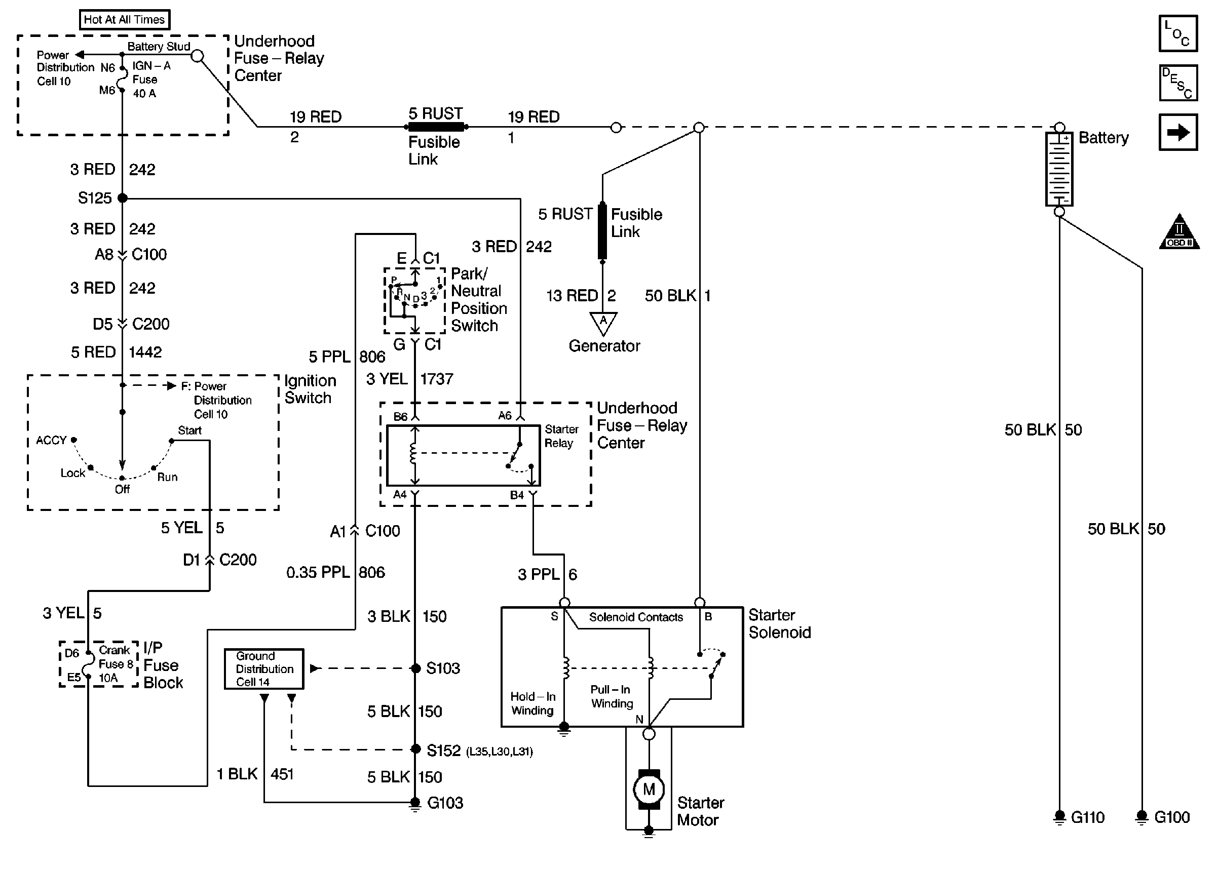
Figure 3:

Diesel Engines With Ambulance Package


Object Number: 161399  Size: FS
Engine Electrical Components
Starting and Charging System
Charging System
Diesel Engines
OBD II Symbol Description Notice
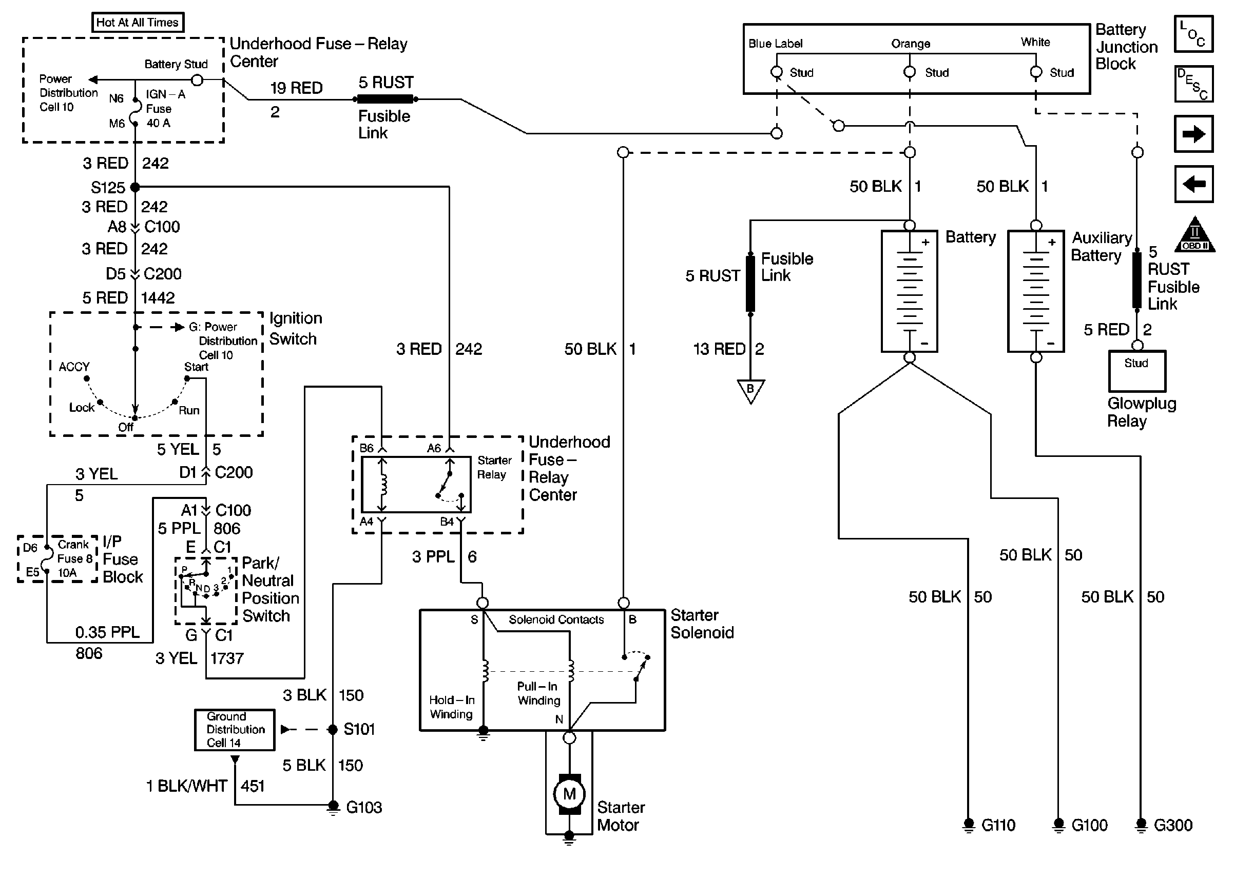
Figure 4:

Charging System


Object Number: 161405  Size: FS
Engine Electrical Components
Starting and Charging System
Sensor Controls
OBD II Symbol Description Notice