GM Service Manual Online
For 1990-2009 cars only

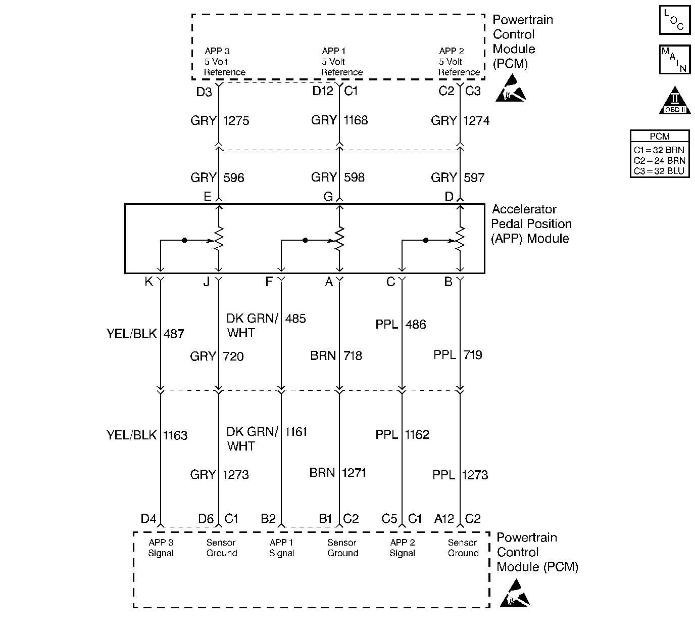
Object Number: 64733  Size: LF
Engine Controls Components
Cruise Control and Wastegate Controls
OBD II Symbol Description Notice
Handling ESD Sensitive Parts Notice

Circuit Description

The Accelerator Pedal Position (APP) module provides a voltage signal that changes relative to the accelerator pedal position. There are three sensors which are located within the APP module that are scaled differently. This is a type D DTC.

Conditions for Setting the DTC

    • The ignition voltage is greater than 6.4 volts.
    • The engine speed is greater than 300 RPM.
    • The difference between APP 3 and APP 1 is greater than 0.23 volts (the PCM compares the pre-scaled voltage (internal to PCM)).
    • The difference between APP 3 and APP 2 is greater than 0.50 volts (the PCM compares the pre-scaled voltage (internal to the PCM)).
    • There are no in range faults for APP 1 or APP 2 (the PCM checks for high and low voltage faults).
    • The conditions met for 2 seconds.

Action Taken When the DTC Sets

    • The input from the APP 2 sensor is ignored.
    • This DTC will not turn on the Service Throttle Soon lamp by itself.
    • The throttle will operate normally as long as there is only one malfunction present. If there are two APP malfunctions present, the PCM will then turn the Service Throttle Soon lamp ON and limit the power. If a third APP malfunction is present, the Service Throttle Soon lamp will be ON and will only allow the engine to operate at idle.

Conditions for Clearing the MIL/DTC

    • A History DTC will clear after forty consecutive warm-up cycles during which the diagnostic does not fail (the coolant temperature has risen 5°C (40°F) from the start up coolant temperature and the engine coolant temperature exceeds 71°C (160°F) of that same ignition cycle).
    • Use of a Scan tool will clear the DTC codes.

Diagnostic Aids

There are no driveability issues associated with the APP module unless a DTC is present. The most likely cause of this DTC are poor connections or the sensor itself. The least likely is a PCM problem.

An intermittent may be caused by the following:

    • Poor connections
    • A rubbed through wire insulation
    • A broken wire inside of the insulation

A scan tool reads the APP 3 position in volts. The Scan Tool should read about 4.0 volts with the throttle closed and the ignition ON or at idle. The voltage should decrease at a steady rate as the throttle is moved toward a Wide Open Throttle (WOT). Also, 90% pedal travel is acceptable for a correct APP operation. Scan the APP 3 sensor while depressing the accelerator pedal with the engine stopped and the ignition ON. The display should vary from about 4.0 volts when the throttle was closed to about 2.0 volts when the throttle is held at the Wide Open Throttle (WOT) position.

Test Description

The number(s) below refer to the step number(s) on the Diagnostic Table.

  1. This step determines if there is a good reference voltage.

Step

Action

Value(s)

Yes

No

1

Important: Before clearing the DTCs, use the Scan Tool Capture Info in order to record the Freeze Frame and the failure records for reference, as the data will be lost when the Clear Info function is used.

Was the Powertrain On-Board Diagnostic (OBD) System Check performed?

--

Go to Step 2

Go to Powertrain On Board Diagnostic (OBD) System Check

2

  1. Turn the ignition ON with the engine OFF.
  2. With the throttle closed, observe the APP voltages on the Scan Tool.

Are the APP voltages at the specified values (values are listed as APP 1, APP 2, and APP 3 respectively)?

0.45-0.95V

4.0-4.5V

3.6-4.0V

Go to Step 3

Go to Step 4

3

The DTC is intermittent. If no additional DTCs are stored, refer to Diagnostic Aids. If any additional DTCs were stored, refer to the applicable DTC table(s) first.

Are there any additional DTCs stored?

--

Go to the Applicable DTC Table

Go to Diagnostic Aids

4

  1. Disconnect the APP sensor electrical connector.
  2. Turn the ignition ON with the engine OFF.
  3. With J 39200 connected to ground, probe the APP sensor 5 volt reference circuits at APP harness terminals G, D, and E.

Is the voltage greater than or equal to the specified value on all of the circuits?

4.75V

Go to Step 5

Go to Step 6

5

  1. Turn the ignition ON with the engine OFF.
  2. With a test light connected to B+, probe the APP sensor ground circuits at APP sensor harness terminals A, B, and J.

Is the test light ON (all circuits)?

--

Go to Step 9

Go to Step 8

6

  1. Turn the ignition OFF.
  2. Disconnect the PCM.
  3. Check the 5 volt reference circuit for an open or short to ground.
  4. If the 5 volt reference circuit is open or shorted to ground, repair as necessary.

Was the 5 volt reference circuit open or shorted to ground?

--

Go to Step 11

Go to Step 7

7

Check the 5 volt reference circuit for a poor connection at the PCM and replace the terminal if necessary.

Did the terminal require replacement?

--

Go to Step 11

Go to Step 10

8

  1. Turn the ignition OFF.
  2. Disconnect the PCM.
  3. Check for an open sensor ground circuit to the PCM.
  4. If a problem is found, repair as necessary.

Was the APP sensor ground circuit open?

--

Go to Step 11

Go to Step 10

9

Replace the APP module. Refer to APP Module Replacement .

Is the action complete?

--

Go to Step 11

--

10

Replace the PCM.

Important: The new PCM must be programmed. Refer to Powertrain Control Module Replacement/Programming .

Is the action complete?

--

Go to Step 11

--

11

  1. Use the Scan Tool in order to select DTC, Clear Info.
  2. Start the engine.
  3. Allow the engine to idle at the normal operating temperature.
  4. Select DTC, Specific, then enter the DTC number which was set.
  5. Operate the vehicle until the Scan Tool indicates that the diagnostic Ran.

Does the Scan Tool indicate that this diagnostic Passed?

--

Go to Step 12

Go to Step 2

12

Use the Scan Tool in order to select Capture Info, Review Info.

Are there any DTCs displayed that have not been diagnosed?

--

Go to the Applicable DTC Table

System OK