GM Service Manual Online
For 1990-2009 cars only
Makes
🢒
Chevrolet
🢒
1997
🢒
Express
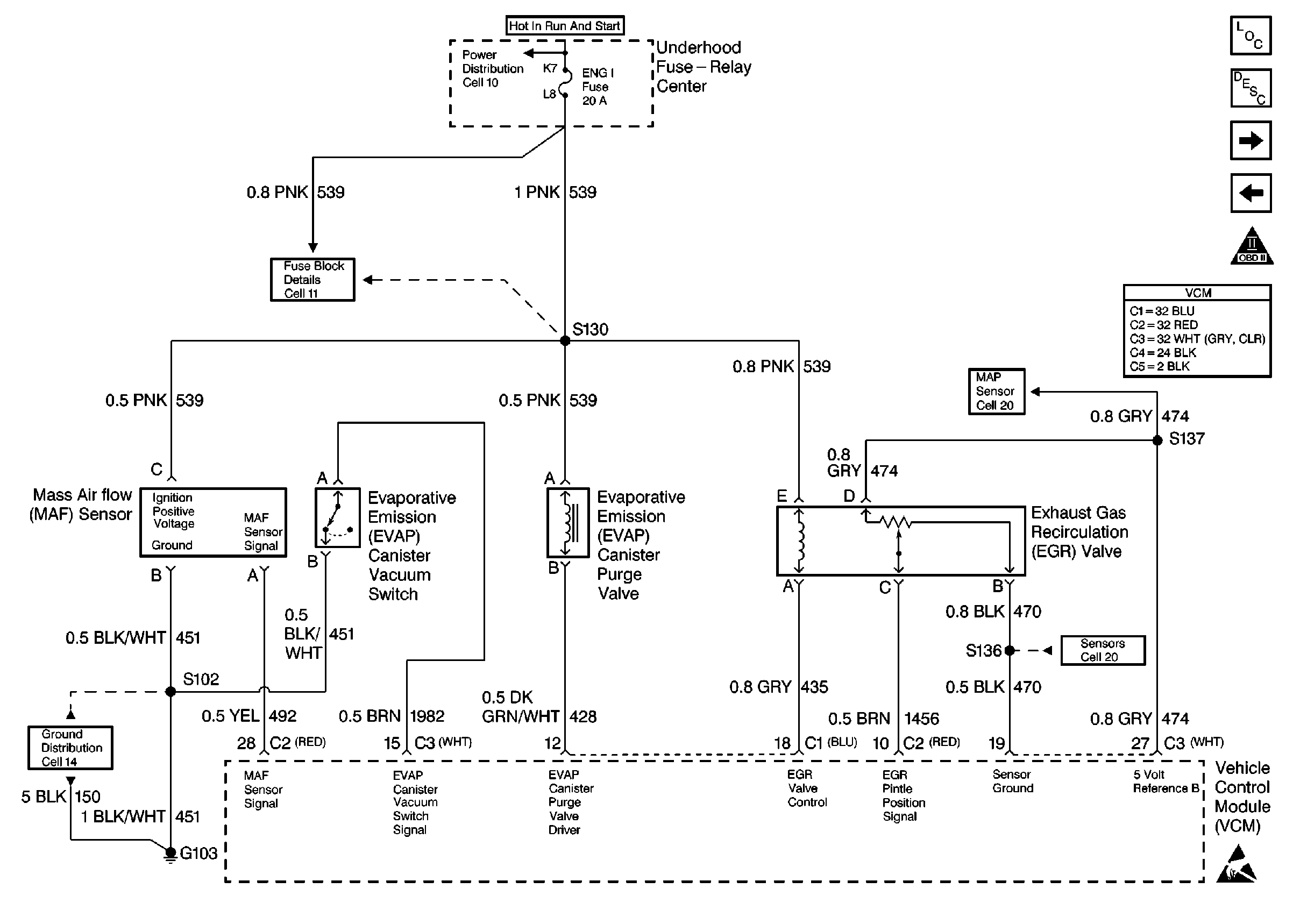
🢒 EGR and EVAP Controls
EGR and EVAP Controls
EGR and EVAP Controls
Engine Controls Components
Information Sensors 4.3L, 5.0L
Oxygen Sensor Controls
Sensor Controls
OBD II Symbol Description Notice
Sensor Controls
Sensor Controls