GM Service Manual Online
For 1990-2009 cars only
Makes
🢒
Chevrolet
🢒
1997
🢒
Express
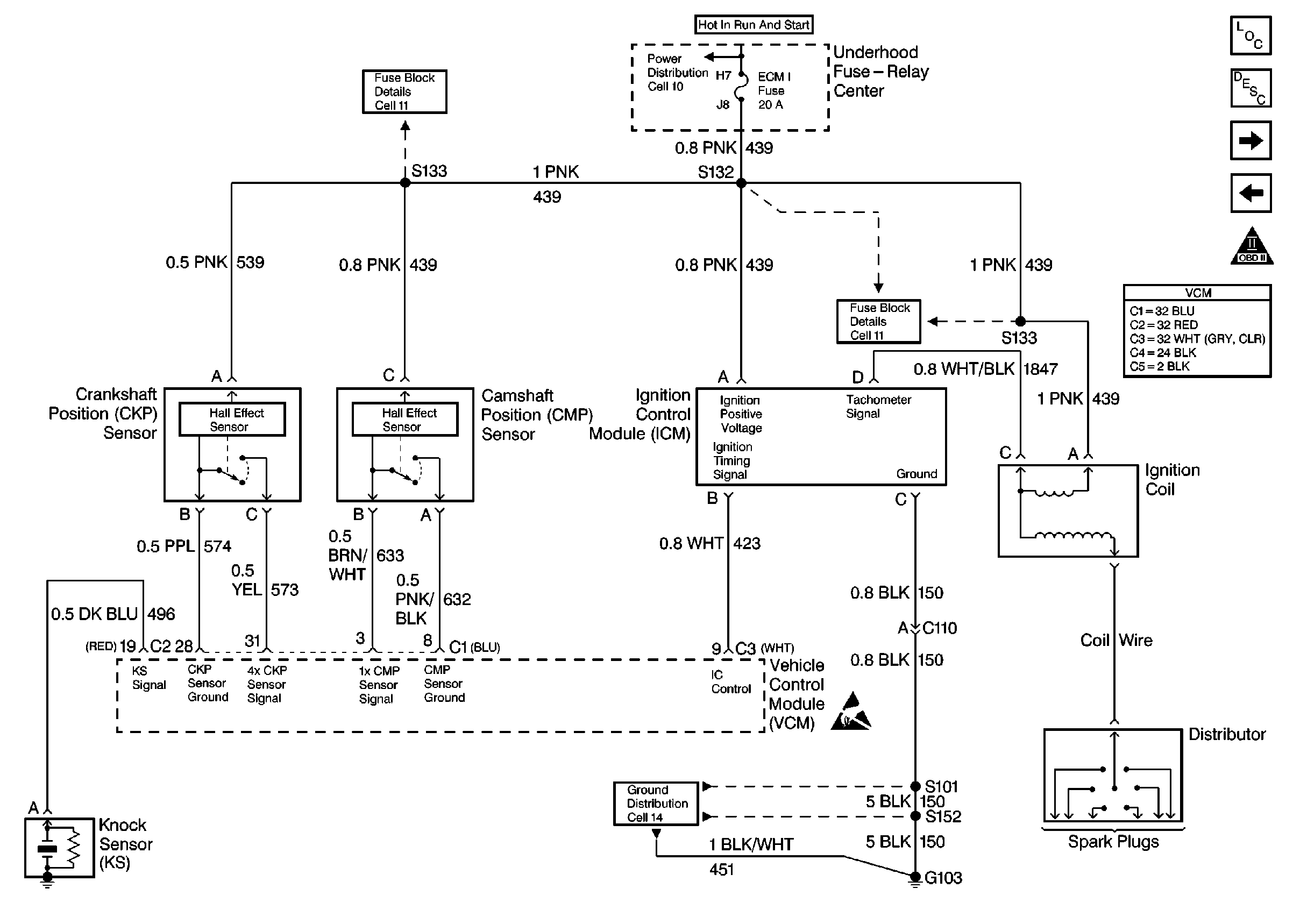
🢒 Ignition Controls 5.0L/5.7L
Ignition Controls 5.0L/5.7L
Ignition Controls 5.0L/5.7L
Engine Controls Components
Information Sensors 5.7L, 7.4L
Fuel Pump Controls 5.0L/5.7L
PWR, GND and DLC 5.0L/5.7L
OBD II Symbol Description Notice