GM Service Manual Online
For 1990-2009 cars only
Makes
🢒
Chevrolet
🢒
1997
🢒
Express
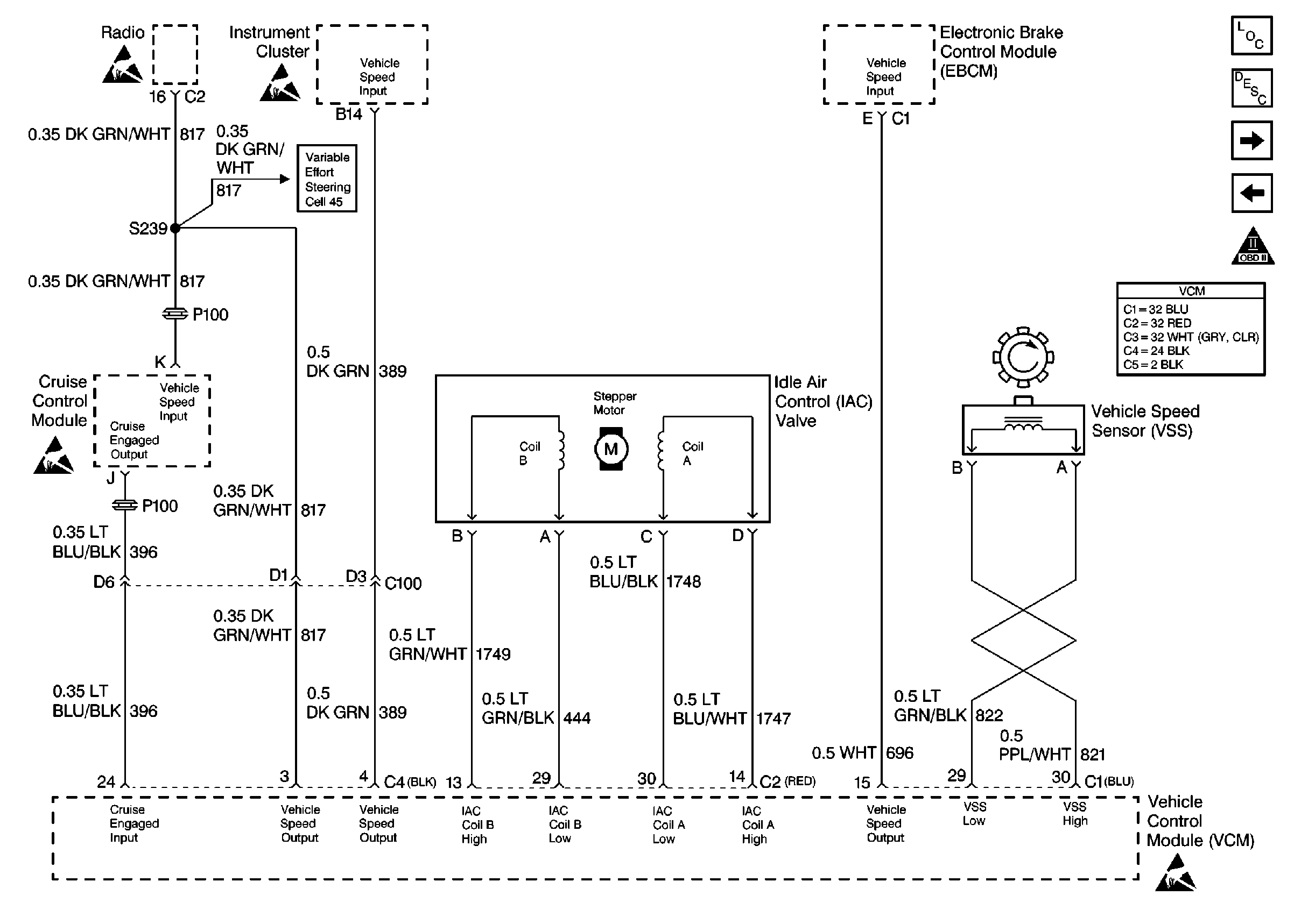
🢒 VSS and Cruise Controls 5.0L/5.7L
VSS and Cruise Controls 5.0L/5.7L
VSS and Cruise Controls 5.0L/5.7L
Engine Controls Components
Information Sensors 5.7L, 7.4L
4L60-E Solenoid Controls 5.0L/5.7L
Oxygen Sensor Controls 5.7L
OBD II Symbol Description Notice