GM Service Manual Online
For 1990-2009 cars only
Makes
🢒
Chevrolet
🢒
1997
🢒
Express
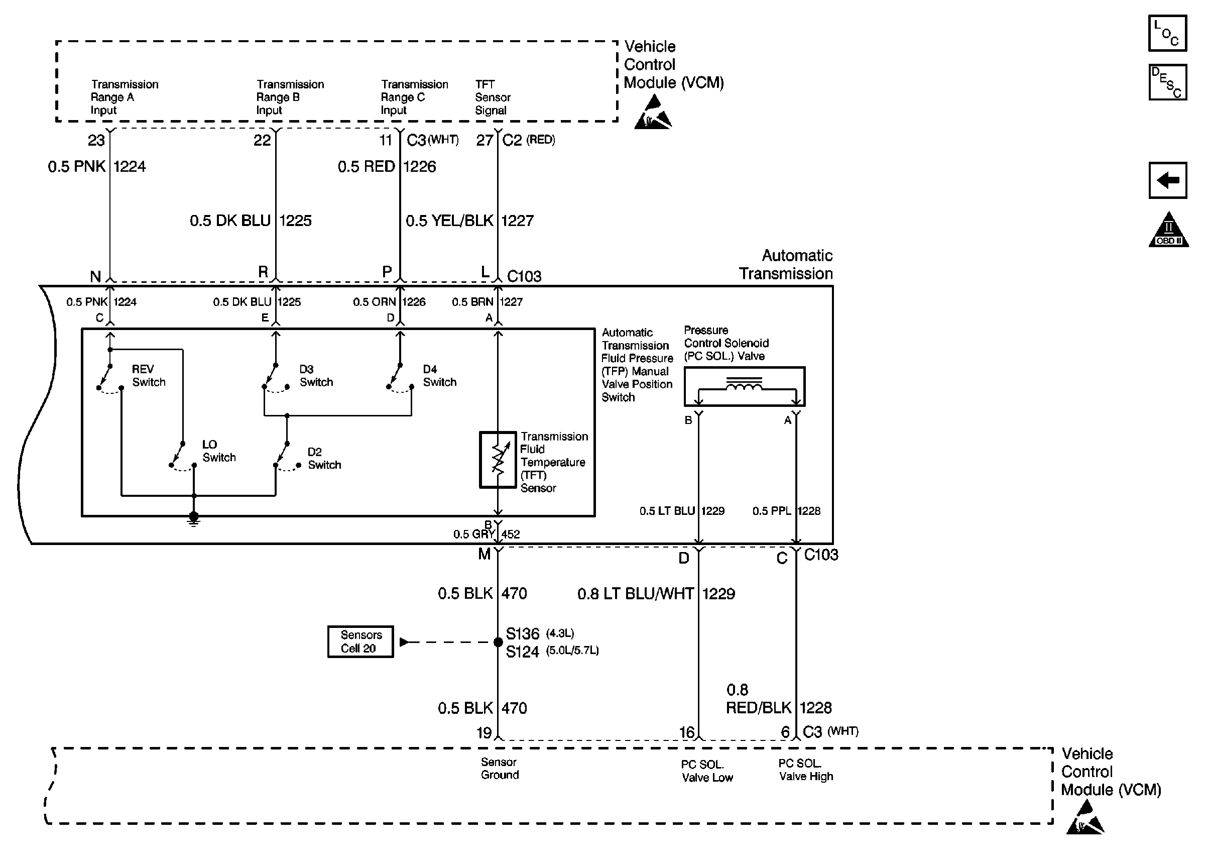
🢒 Solenoid, TCC and Stoplamp Controls
Solenoid, TCC and Stoplamp Controls
Solenoid, TCC and Stoplamp Controls
Automatic Transmission Components
OBD II Symbol Description Notice
Information Sensors 5.7L, 7.4L
Sensor Controls
Sensor Controls 5.0L/5.7L