GM Service Manual Online
For 1990-2009 cars only
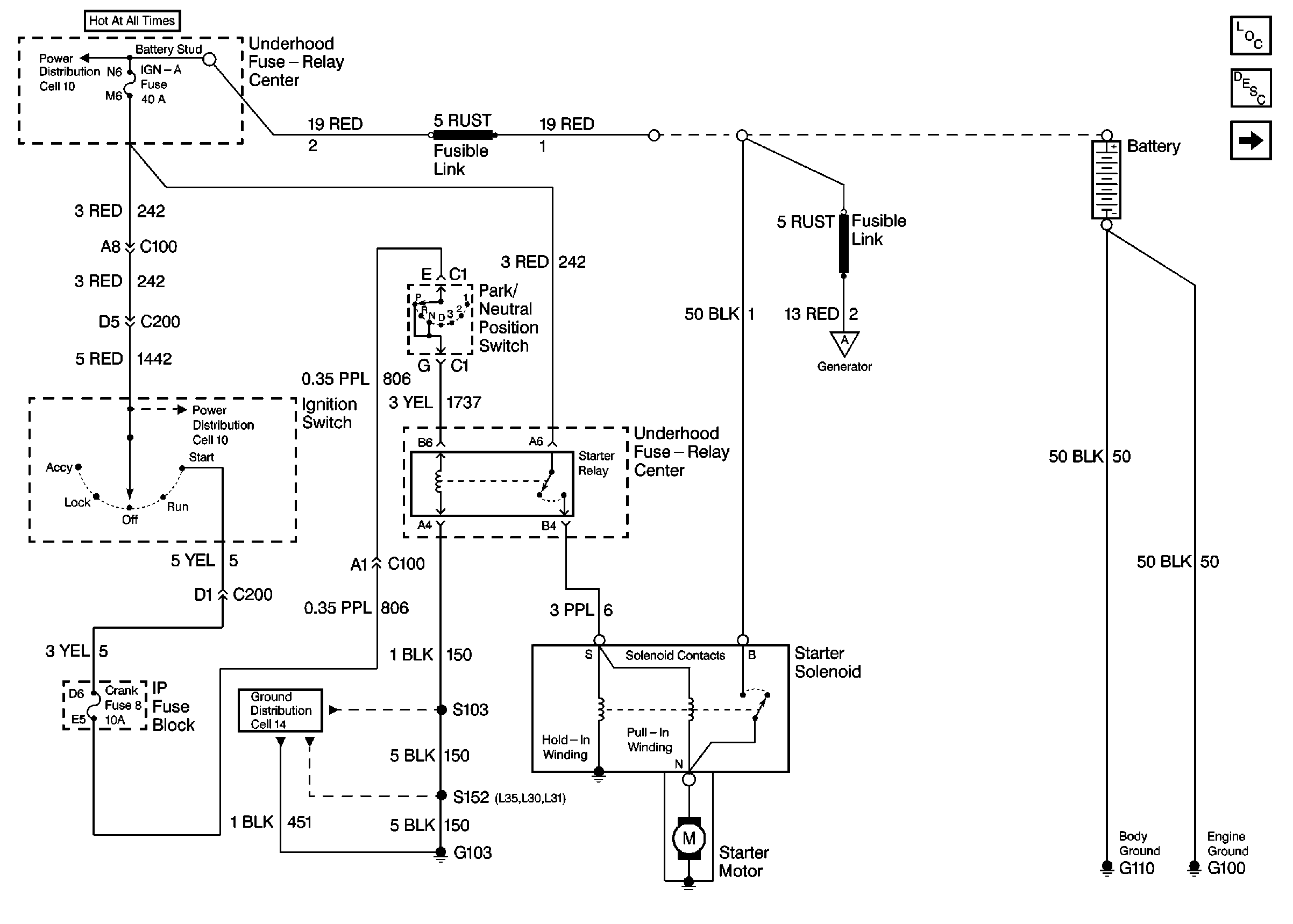
Figure 1:

Cell 30: Gasoline Engines


Object Number: 176462  Size: FS
Engine Electrical Components
Starting System Operation
Cell 30: Diesel Engines
Power Distribution Schematics
Ground Distribution Schematics
Power Distribution Schematics
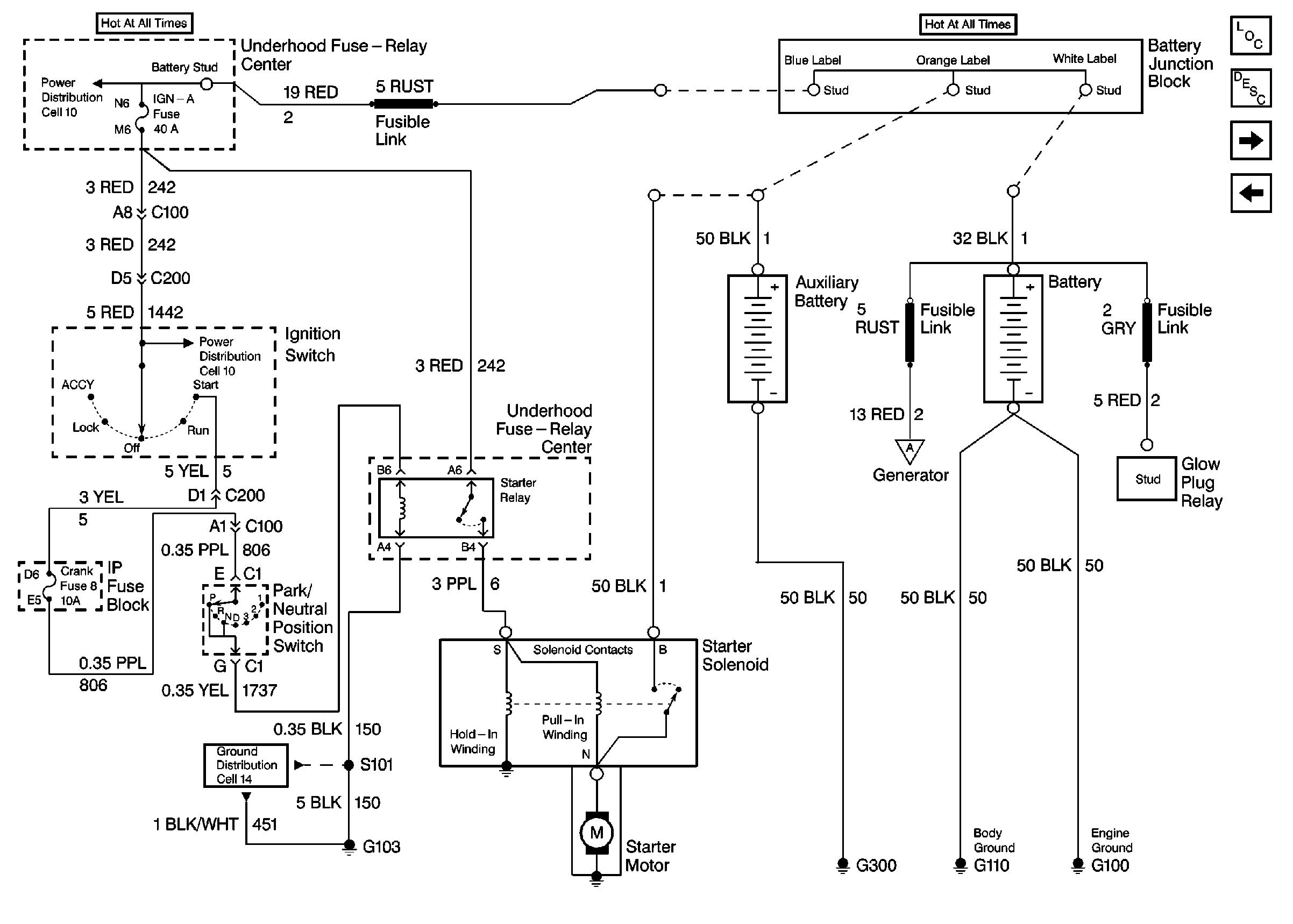
Figure 2:

Cell 30: Diesel Engines


Object Number: 176468  Size: FS
Engine Electrical Components
Starting System Operation
Cell 30: Charging System
Cell 30: Gasoline Engines
Power Distribution Schematics
Power Distribution Schematics
Ground Distribution Schematics
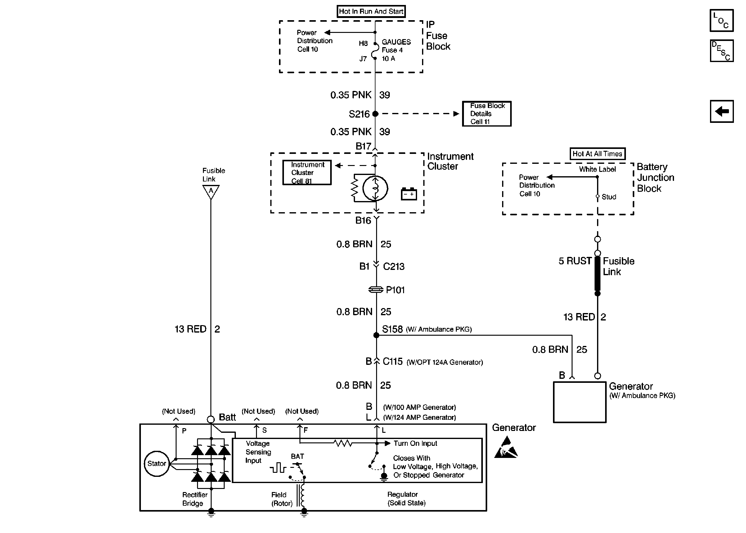
Figure 3:

Cell 30: Charging System


Object Number: 176472  Size: FS
Engine Electrical Components
Charging System Operation
Cell 30: Diesel Engines
Handling ESD Sensitive Parts Notice
Power Distribution Schematics
Fuse Block Schematics
Instrument Cluster: Analog Schematics
Power Distribution Schematics