GM Service Manual Online
For 1990-2009 cars only

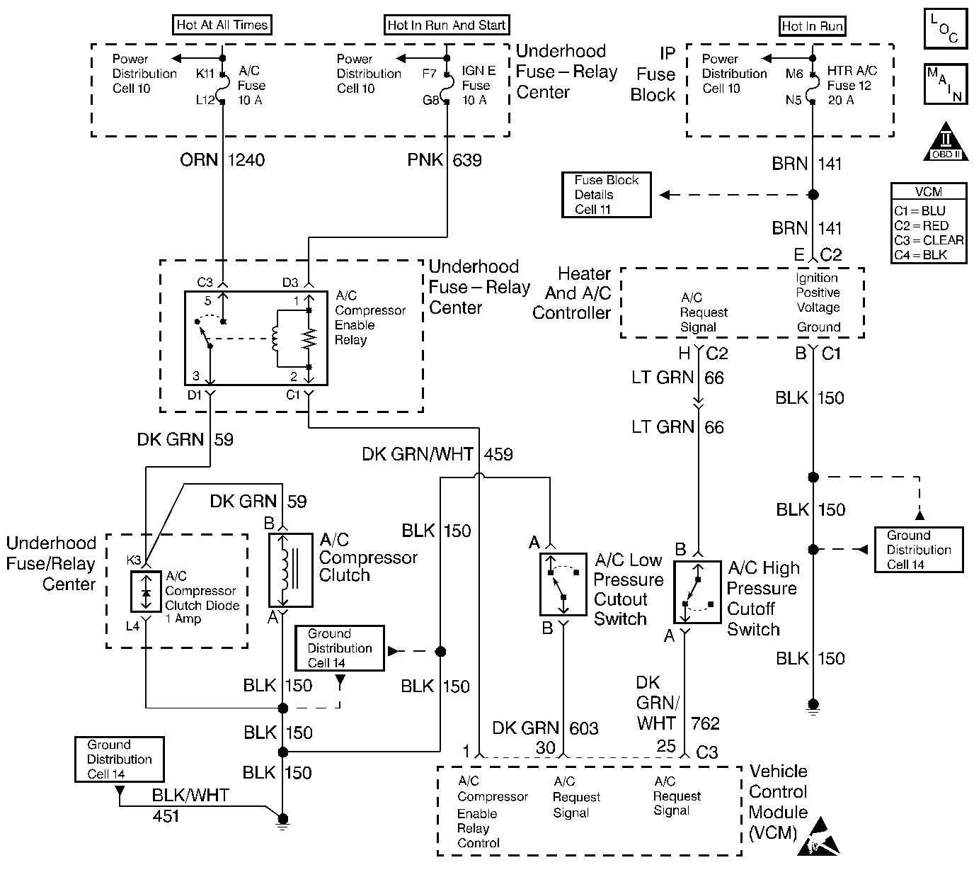
Object Number: 258194  Size: LF
Handling ESD Sensitive Parts Notice
Engine Controls Components
Cell 20: A/C Controls
OBD II Symbol Description Notice

Circuit Description

The VCM control of the A/C clutch improves idle quality and performance by performing the following conditions:

    • Delaying clutch engagement until the idle speed is increased
    • Releasing the clutch when the idle speed is too low
    • Providing additional fuel at the instant the clutch is applied

The additional fuel smooths the cycling of the compressor.

Turning the air conditioning ON supplies battery voltage through the pressure switches to the VCM. When the VCM receives the voltage on the A/C request signal, the A/C enable relay circuit is grounded. The A/C compressor clutch then engages.

Test Description

The numbers below refer to the step numbers on the diagnostic table.

  1. This step checks for low refrigerant as the cause for no A/C.

  2. The A/C request signal circuit consists of the HVAC control module, the A/C high pressure cutout switch and related wiring.

Step

Action

Value(s)

Yes

No

1

Important: Before using this table confirm that the A/C system has an adequate state of charge.

Does the A/C system have an adequate state of charge?

--

Go to Step 2

Go to A/C System Diagnosis in HVAC

2

  1. Start the engine.
  2. Idle the engine until the normal operating temperature is reached.
  3. Leave the engine at normal idle.
  4. Turn ON the A/C.

Does the A/C clutch engage within the specified time?

60 sec

Go to Diagnostic Aids

Go to Step 3

3

  1. Install the scan tool.
  2. Start the engine.
  3. Turn ON the A/C.
  4. Monitor the A/C Request in the scan tool data list (A/C Request should display YES).

Does the scan tool indicate a YES?

--

Go to Step 4

Go to Step 14

4

  1. Monitor the A/C evaporator switch with the scan tool.
  2. Turn ON the A/C.

Does the scan tool indicate a CLOSED switch?

--

Go to Step 8

Go to Step 5

5

  1. Disconnect the A/C Evaporator/Cycling Cutoff switch harness connector.
  2. Turn ON the ignition, leaving the engine OFF.
  3. Probe pin A of the harness connector with a fused jumper connected to a ground.

Does the scan tool indicate a CLOSED switch?

--

Go to Step 6

Go to Step 27

6

Probe pin B of the harness connector with a test lamp connected to the B+ terminal.

Is the test lamp ON?

--

Go to Step 7

Go to Step 29

7

Replace the A/C Evaporator/Cycling Cutoff switch.

Is the action complete?

--

Go to Step 31

--

8

  1. Turn OFF the engine.
  2. Disconnect the A/C compressor clutch harness connector.
  3. Start the engine.
  4. Turn on the A/C.
  5. Probe the A/C clutch signal circuit at the A/C compressor clutch harness connector with a test lamp connected to a ground.

Is the test lamp ON?

--

Go to Step 9

Go to Step 16

9

Probe the A/C clutch ground circuit at the A/C clutch harness connector with a test lamp connected to the B+ terminal.

Is the test lamp ON?

--

Go to Step 11

Go to Step 10

10

Repair the A/C clutch ground circuit. Refer to Wiring Repairs .

Is the action complete?

--

Go to Step 31

--

11

Check for a poor connection at the compressor clutch harness connector.

Did you find a problem?

--

Go to Step 12

Go to Step 13

12

Repair the A/C compressor clutch harness connector. Refer to Wiring Repairs .

Is the action complete?

--

Go to Step 31

--

13

Replace the A/C compressor clutch. Refer to HVAC.

Is the action complete?

--

Go to Step 31

--

14

  1. Turn OFF the ignition.
  2. Disconnect the VCM C3 connector.
  3. Turn ON the ignition, leaving the engine OFF.
  4. Turn ON the A/C.
  5. Probe the VCM C3 connector pin 25 with a test lamp connected to a ground.

Is the test lamp ON?

--

Go to Step 28

Go to Step 15

15

Check for an open in the A/C request signal circuit between the HVAC control module and the VCM.

Did you find a problem?

--

Go to Step 29

Go to A/C System Diagnosis in HVAC

16

  1. Reconnect the A/C clutch harness connector.
  2. Install the scan tool.
  3. Turn ON the ignition, leaving the engine OFF.
  4. Command the A/C relay ON using the scan tool.

Does the relay A/C click?

--

Go to Step 22

Go to Step 17

17

  1. Disconnect the A/C relay.
  2. Turn ON the ignition, leaving the engine OFF.
  3. Probe the ignition positive voltage circuit at the A/C relay harness connector with a test lamp connected to a ground.

Is the test lamp ON?

--

Go to Step 19

Go to Step 18

18

  1. Repair the open in the A/C relay ignition positive voltage circuit.
  2. If the fuse is blown, repair the short to ground on the circuit. A blown fuse or lack of voltage to the fuse may cause other symptoms or DTCs to be present. Refer to Wiring Repairs .

Is the action complete?

--

Go to Step 31

--

19

  1. Probe the A/C relay control circuit at the A/C relay harness connector with a test lamp connected to the B+ terminal.
  2. Command the A/C relay ON using the scan tool.

Is the test lamp ON?

--

Go to Step 25

Go to Step 20

20

Check for an open or a short to voltage in the circuit between the UBEC A/C relay control terminal cavity and the VCM C3 connector pin 1.

Did you find a problem?

--

Go to Step 21

Go to Step 28

21

Repair the open in the circuit between the UBEC A/C relay control terminal cavity and the VCM C3 connector pin 1. Refer to Wiring Repairs .

Is the action complete?

--

Go to Step 31

--

22

  1. Remove the A/C relay.
  2. Probe the battery feed circuit at the A/C relay connector with a test lamp connected to a ground.

Is the test lamp ON?

--

Go to Step 24

Go to Step 23

23

  1. Repair the open A/C relay battery feed circuit.
  2. If the fuse is blown, repair the short to ground on the circuit. A blown fuse or lack of voltage to the fuse may cause other symptoms or DTCs to be present. Refer to Wiring Repairs .

Is the action complete?

--

Go to Step 31

--

24

  1. Turn ON the ignition, leaving the engine OFF.
  2. Jumper the battery feed circuit and the compressor clutch circuit 59 at the relay connector with a fused jumper.

Does the A/C clutch engage?

--

Go to Step 25

Go to Step 26

25

Replace the A/C relay. Refer to A/C Relay Repair and Replacement in HVAC.

Is the action complete?

--

Go to Step 31

--

26

Repair the open of short to ground in the compressor clutch control circuit. Refer to Wiring Repairs .

Is the action complete?

--

Go to Step 31

--

27

Check for an open in the A/C cycling signal circuit.

Did you find a problem?

--

Go to Step 29

Go to Step 28

28

Check for a poor connection at the VCM.

Did you find a problem?

--

Go to Step 29

Go to Step 30

29

Repair the circuit as necessary. Refer to Wiring Repairs .

Is the action complete?

--

Go to Step 31

--

30

  1. Replace the VCM.
  2. Program the new VCM. Refer to VCM Replacement/Programming .
  3. Perform the VTD Password Learn Procedure. Refer to Password Learn .
  4. Perform the Crankshaft Variation Learn Procedure. Refer to Crankshaft Position System Variation Learn .

Is the action complete?

--

Go to Step 31

--

31

  1. Start the engine.
  2. Idle the engine until the normal operating temperature is reached.
  3. Leave the engine at normal idle.
  4. Turn ON the A/C.

Does the A/C clutch engage within the specified time?

60 sec

Go to Step 32

Go to Step 2

32

Does the scan tool display any additional undiagnosed DTCs?

--

Go to applicable DTC table

System OK