GM Service Manual Online
For 1990-2009 cars only
Makes
🢒
Chevrolet
🢒
1998
🢒
Express
🢒
HVAC
🢒
Heating, Ventilation and Air Conditioning
🢒 Heater Blower Controls Schematics
Figure
1:
Cell 60: Front Blower Controls
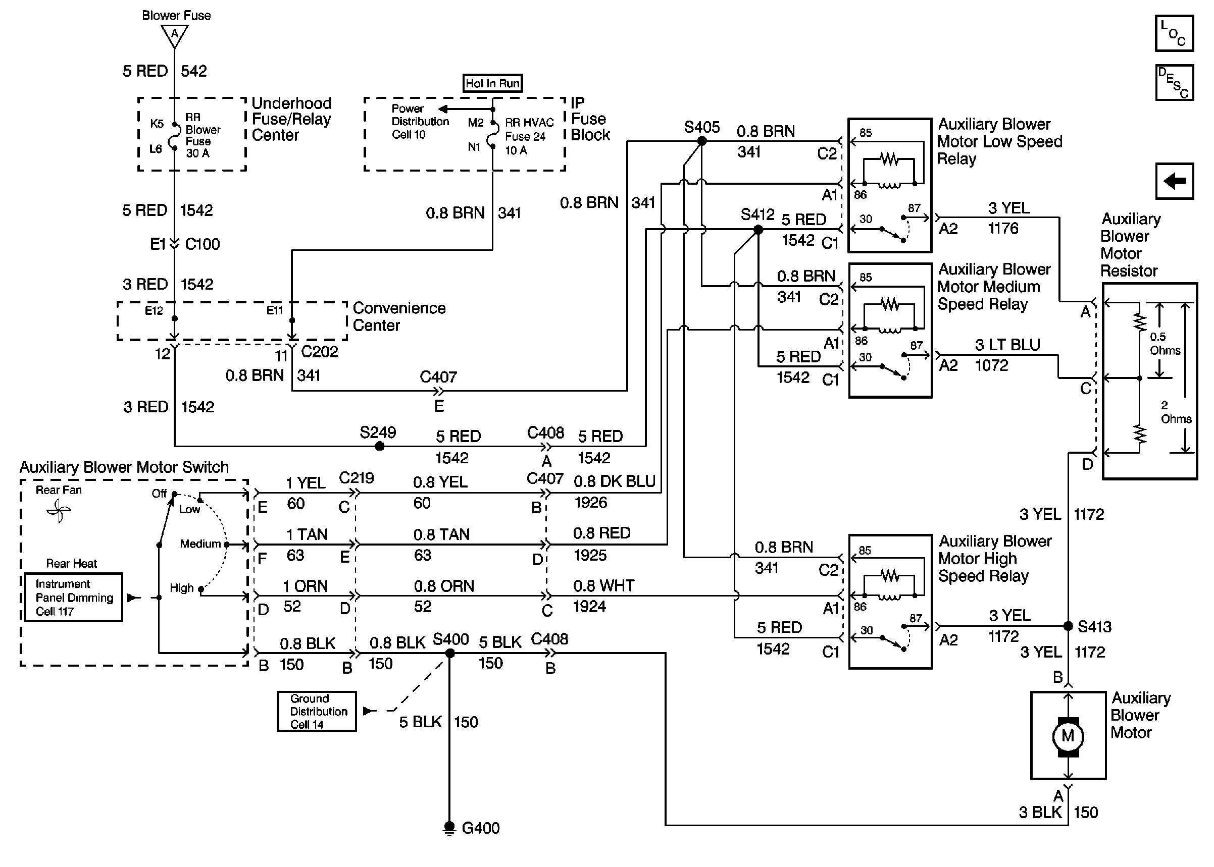
Cell: 60 Auxiliary Heater Blower Controls Schematics
Cell: 60 Auxiliary Heater Blower Controls Schematics
Handling ESD Sensitive Parts Notice
Power Distribution Schematics
Power Distribution Schematics
Ground Distribution Schematics
Ground Distribution Schematics
HVAC Compressor Control Schematics
HVAC Air Delivery/Temperature Control Schematics
HVAC Air Delivery/Temperature Control Schematics
Heater Blower Controls Components
Heater Blower Controls Circuit Description
Figure
2:
Cell: 60 Auxiliary Heater Blower Controls Schematics
Cell 60: Front Blower Controls
Cell 60: Front Blower Controls
Heater Blower Controls Components
Heater Blower Controls Circuit Description
Ground Distribution Schematics
Power Distribution Schematics
Interior Lights Dimming Schematics