GM Service Manual Online
For 1990-2009 cars only
Makes
🢒
Chevrolet
🢒
1998
🢒
Express
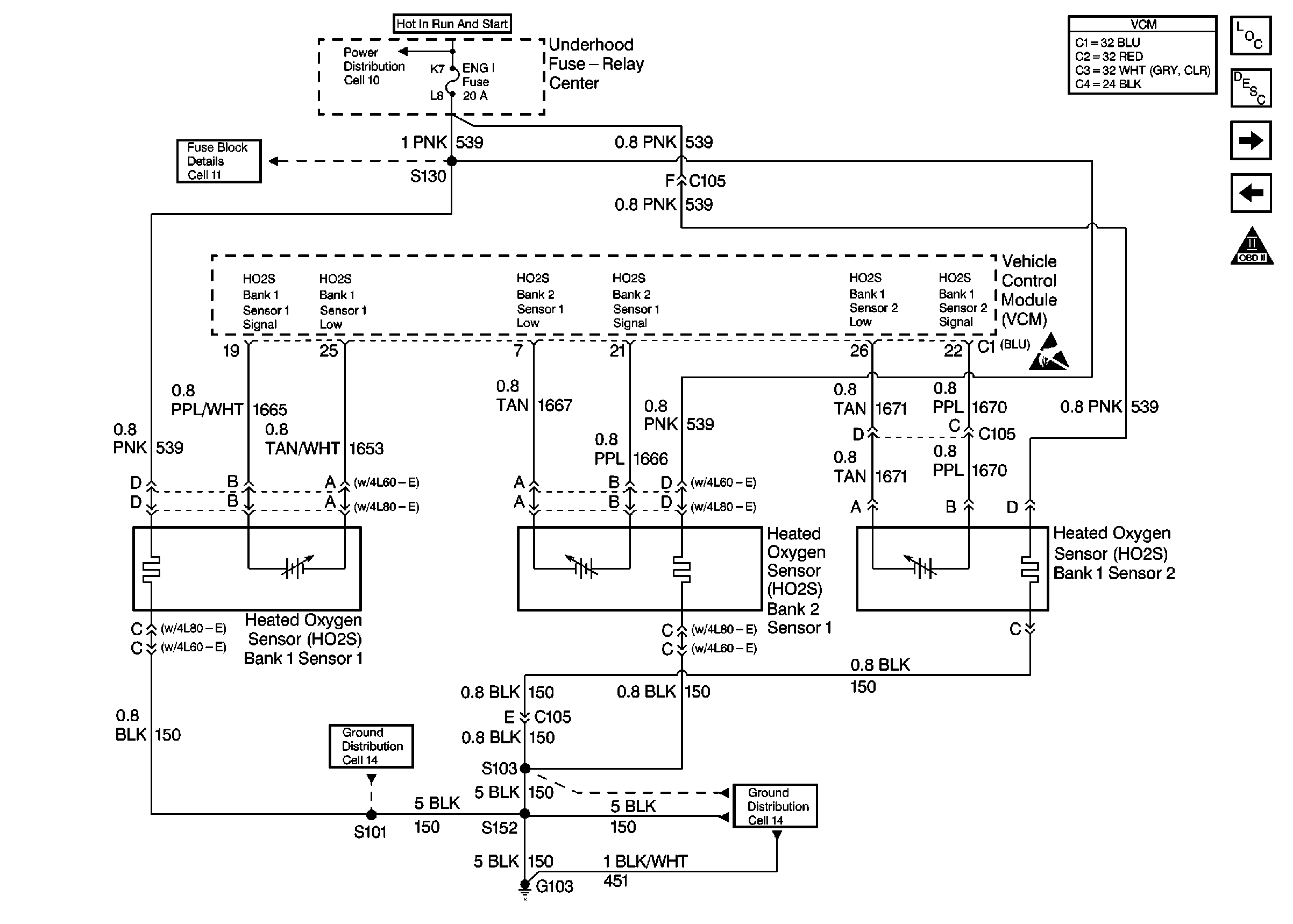
🢒 Cell 20: Oxygen Sensor Controls
Cell 20: Oxygen Sensor Controls
Cell 20: Oxygen Sensor Controls
Engine Controls Components
Information Sensors/Switches Description
Cell 20: VSS and Cruise Controls
Cell 20: EGR and EVAP Controls
OBD II Symbol Description Notice
Handling ESD Sensitive Parts Notice
VCM Connector End Views
Power Distribution Schematics
Fuse Block Schematics
Ground Distribution Schematics
Ground Distribution Schematics