GM Service Manual Online
For 1990-2009 cars only
Makes
🢒
Chevrolet
🢒
1998
🢒
Express
🢒 Cell 21: Ignition Controls
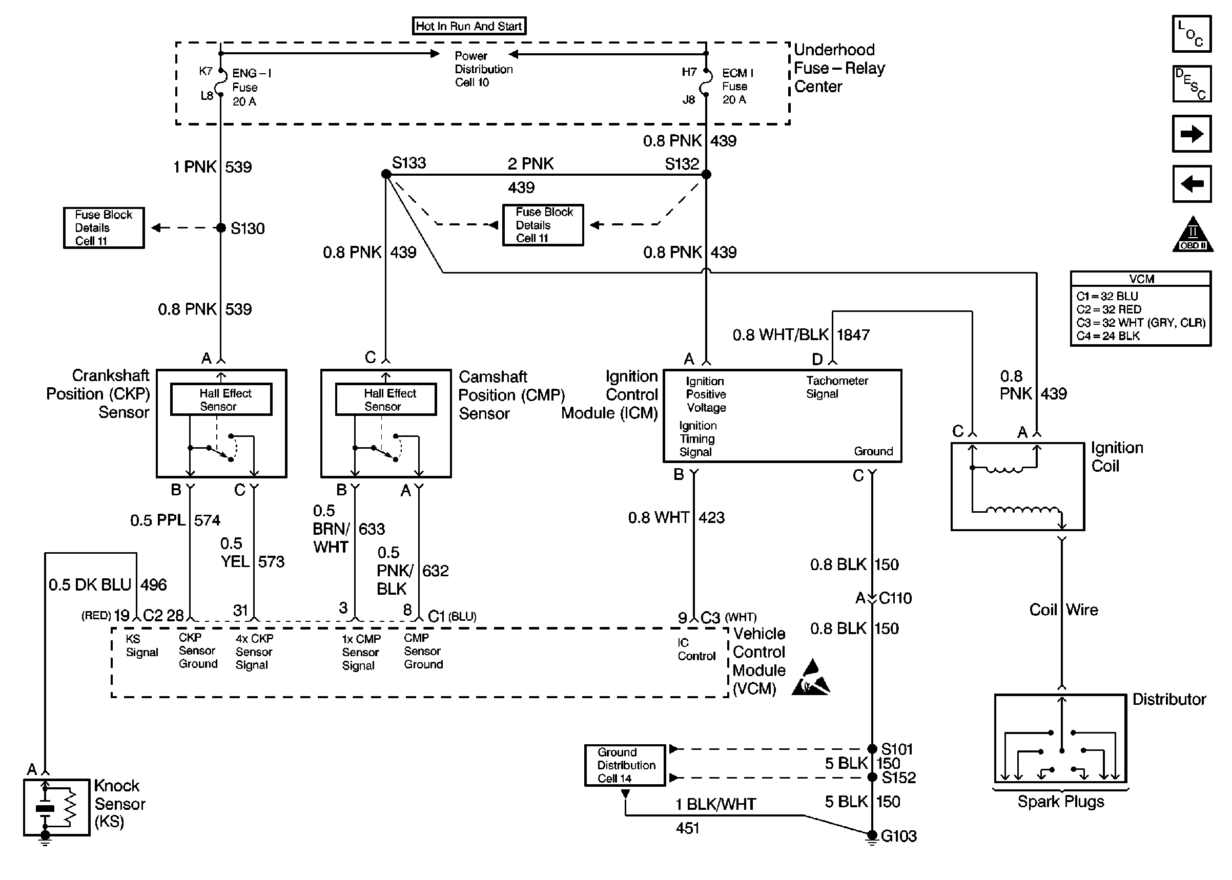
Cell 21: Ignition Controls
Cell 21: Ignition Controls
Engine Controls Components
Information Sensors/Switches Description
Cell 21: Fuel Pump Controls
Cell 21: PWR, GND and DLC
OBD II Symbol Description Notice
VCM Connector End Views
Handling ESD Sensitive Parts Notice
Power Distribution Schematics
Fuse Block Schematics
Fuse Block Schematics
Ground Distribution Schematics