GM Service Manual Online
For 1990-2009 cars only
Makes
🢒
Chevrolet
🢒
1998
🢒
Express
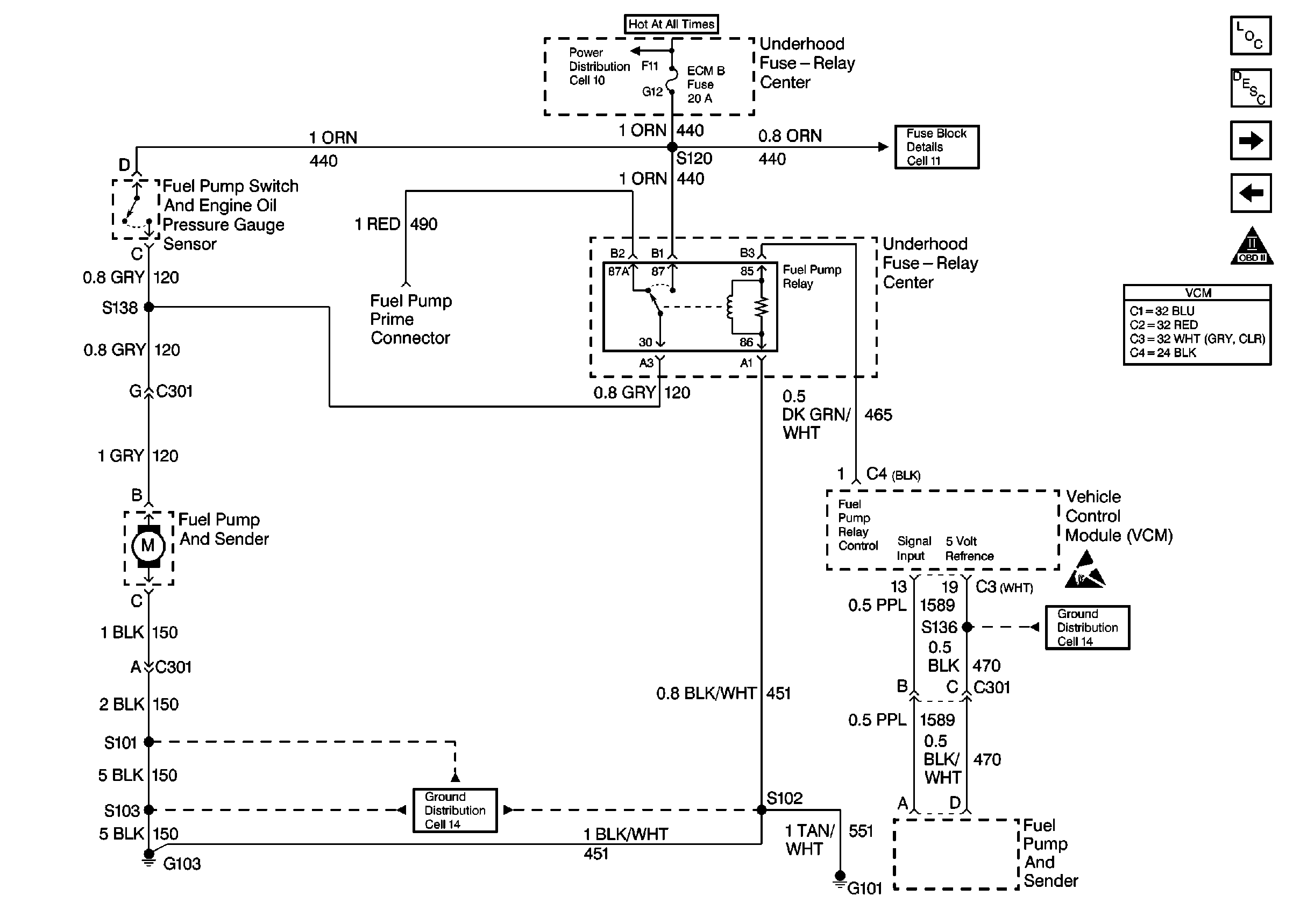
🢒 Cell 23: Fuel Pump Controls
Cell 23: Fuel Pump Controls
Cell 23: Fuel Pump Controls
Engine Controls Components
Information Sensors/Switches Description
Cell 23: Fuel Injector Controls
Cell 23: Ignition Controls
OBD II Symbol Description Notice
VCM Connector End Views
Handling ESD Sensitive Parts Notice
Power Distribution Schematics
Fuse Block Schematics
Ground Distribution Schematics
Ground Distribution Schematics