GM Service Manual Online
For 1990-2009 cars only
Makes
🢒
Chevrolet
🢒
1998
🢒
Express
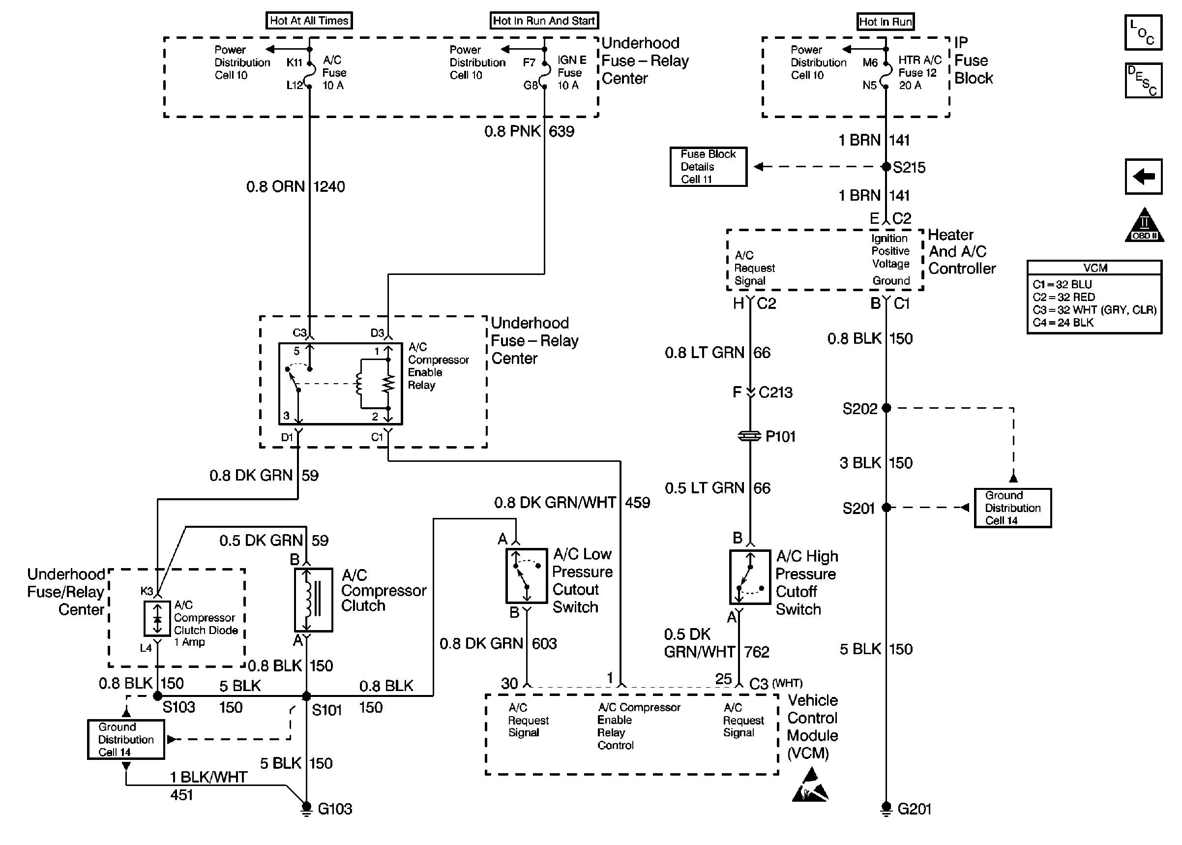
🢒 Cell 23: A/C Controls
Cell 23: A/C Controls
Cell 23: A/C Controls
Engine Controls Components
Information Sensors/Switches Description
Cell 23: 4L80-E Transmission Switch Controls
VCM Connector End Views
Handling ESD Sensitive Parts Notice
Power Distribution Schematics
Power Distribution Schematics
Power Distribution Schematics
Fuse Block Schematics
Ground Distribution Schematics
Ground Distribution Schematics
OBD II Symbol Description Notice