GM Service Manual Online
For 1990-2009 cars only
Makes
🢒
Chevrolet
🢒
1998
🢒
Express
🢒 Cell 100: Headlamps (Export)
Cell 100: Headlamps (Export)
Cell 100: Headlamps (Export)
Headlights Circuit Description
Cell 100: LIGHTING Fuse 8 (Export)
Cell 100: LIGHTING Fuse 8 (Export)
Cell 100: LIGHTING Fuse 8 (Export)
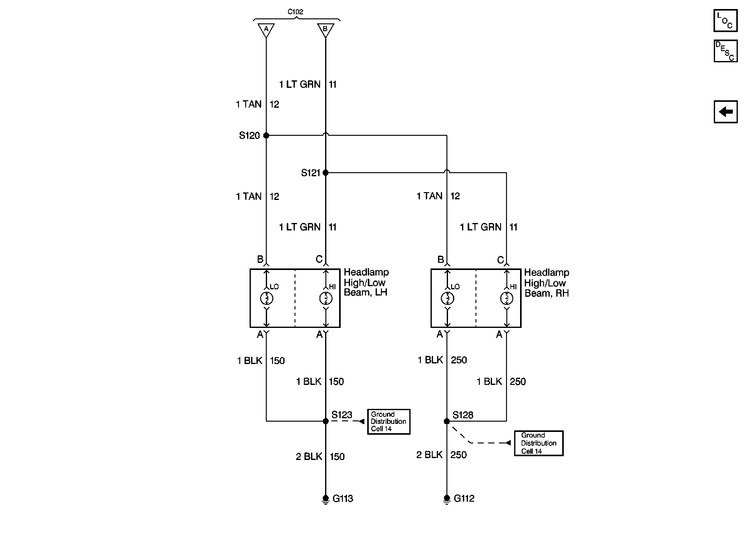
Cell 14: G113
Lighting Systems Components
Cell 14: G112