GM Service Manual Online
For 1990-2009 cars only
Makes
🢒
Chevrolet
🢒
1998
🢒
Express
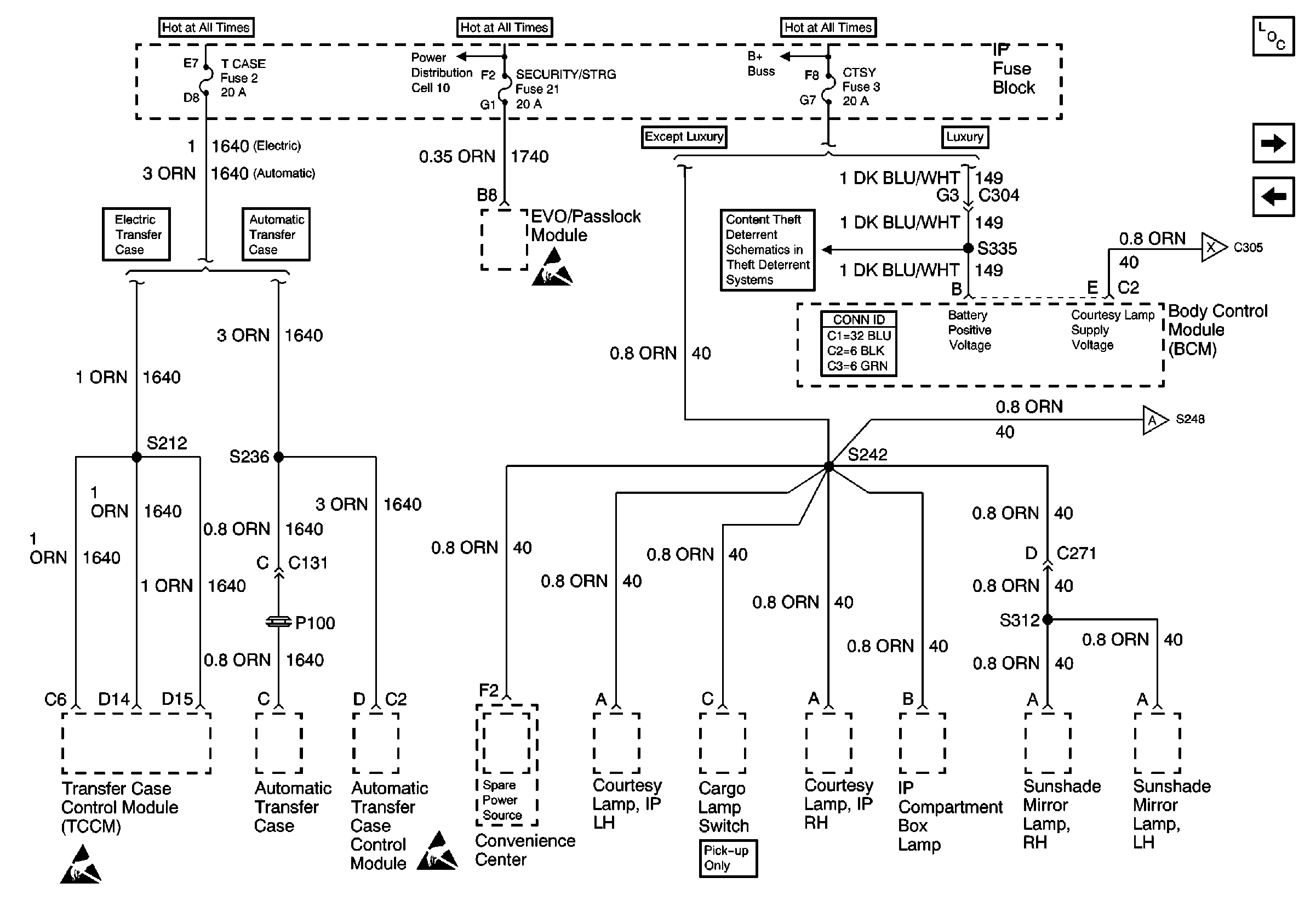
🢒 Cell 10: T CASE, and CTSY Fuses (1 of 2)
Cell 10: T CASE, and CTSY Fuses (1 of 2)
Cell 10: T CASE, and CTSY Fuses (1 of 2)
Power and Grounding Components
Cell 10: T CASE, and CTSY Fuses (2 of 2)
Cell 10: AUX PWR Fuse, PWR - ACCY Circuit Breaker (Luxury)
Cell 10: T CASE, and CTSY Fuses (2 of 2)
Cell 10: LIGHTING and BATTERY Fuses
Handling Electrostatic Discharge Sensitive Parts Notice
Handling Electrostatic Discharge Sensitive Parts Notice