GM Service Manual Online
For 1990-2009 cars only
Makes
🢒
Chevrolet
🢒
1998
🢒
Express
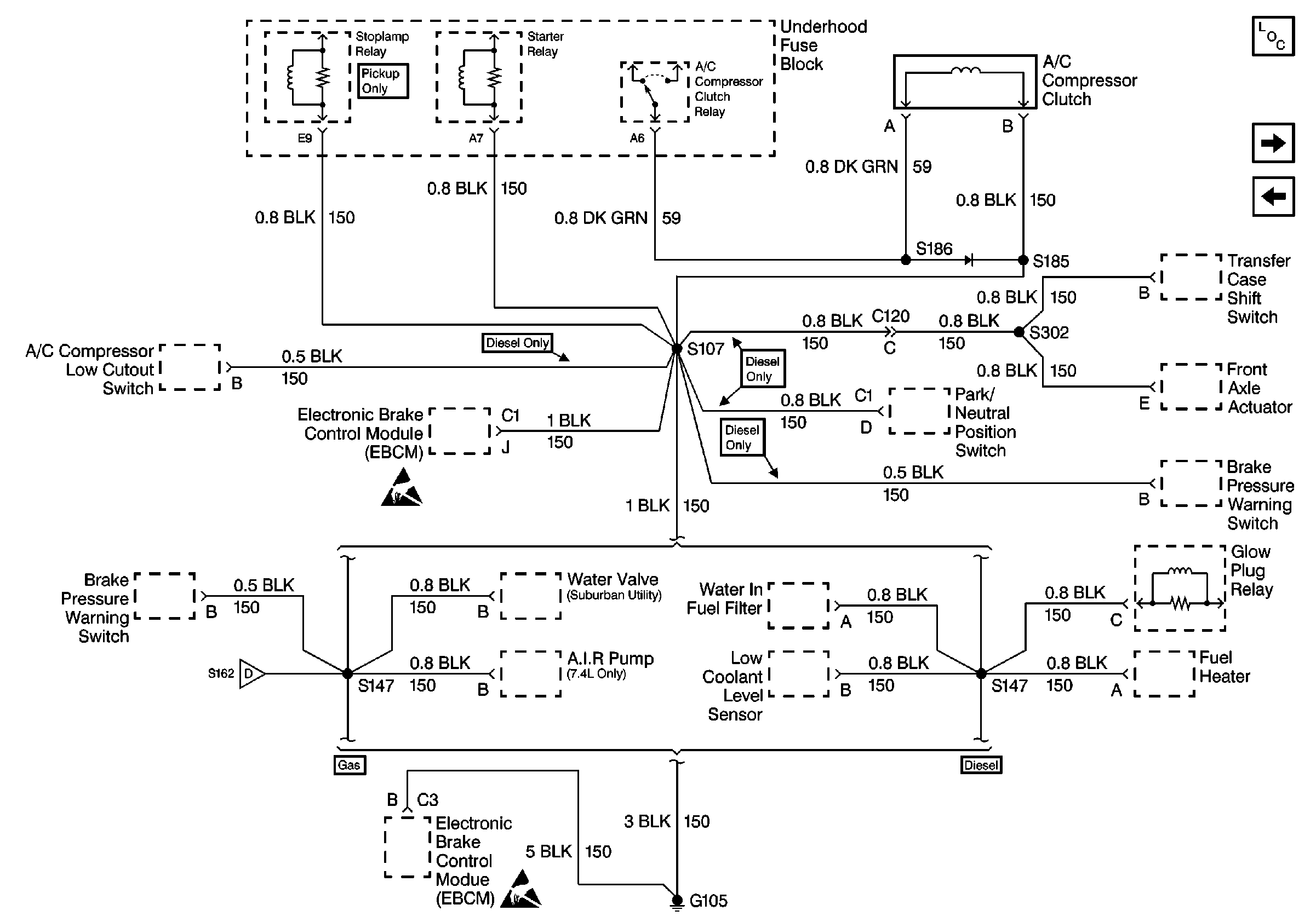
🢒 Cell 14: G105 (1 of 2)
Cell 14: G105 (1 of 2)
Cell 14: G105 (1 of 2)
Power and Grounding Components
Cell 14: G105 (2 of 2)
Cell 11: G104 Diesel
Handling Electrostatic Discharge Sensitive Parts Notice
Handling Electrostatic Discharge Sensitive Parts Notice
Cell 14: G105 (2 of 2)