GM Service Manual Online
For 1990-2009 cars only
Makes
🢒
Chevrolet
🢒
1998
🢒
Express
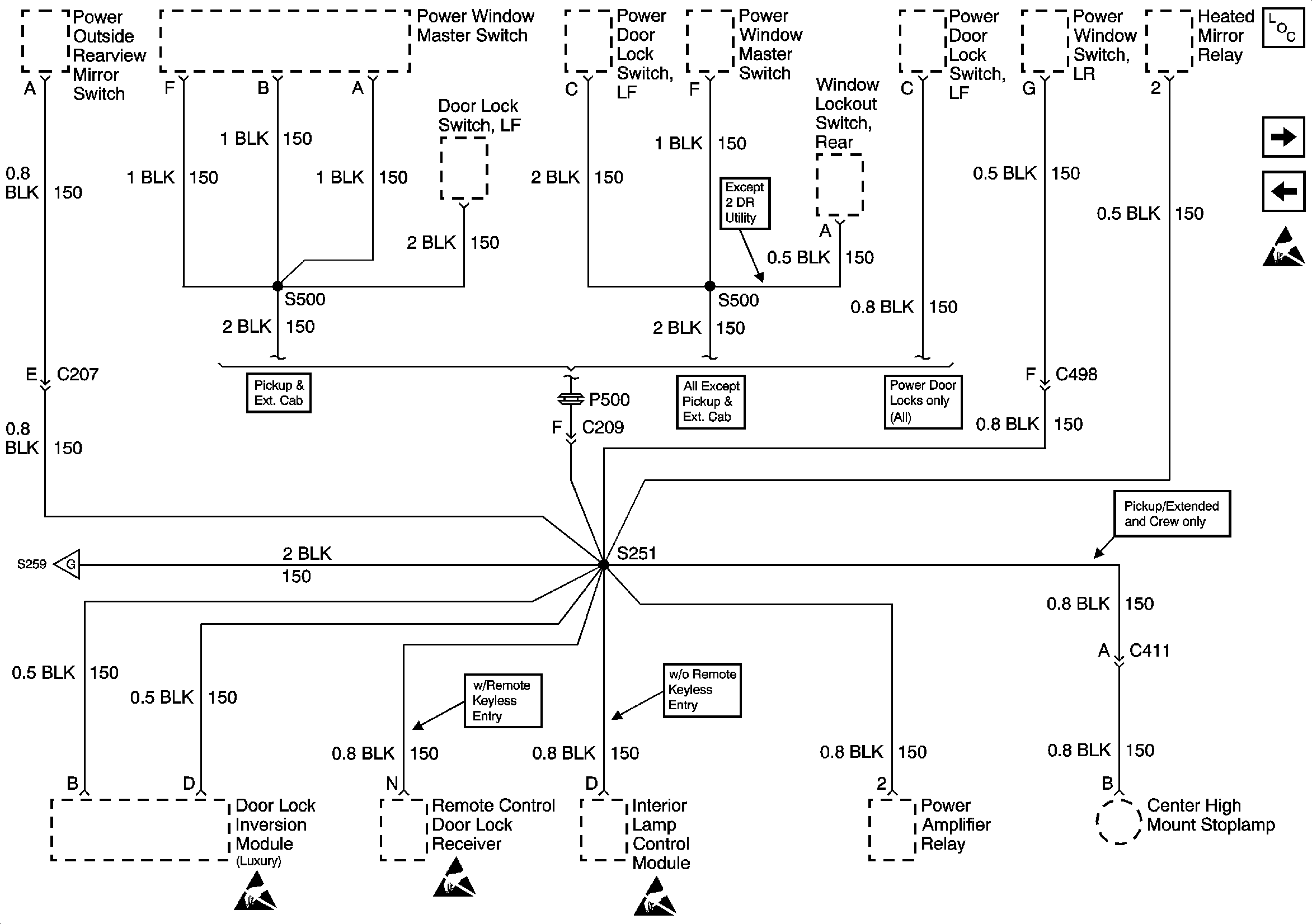
🢒 Cell 14: G202 (3 of 4)
Cell 14: G202 (3 of 4)
Cell 14: G202 (3 of 4)
Power and Grounding Components
Cell 14: G202 (4 of 4)
Cell 14: G202 (2 of 4)
Handling Electrostatic Discharge Sensitive Parts Notice
Handling Electrostatic Discharge Sensitive Parts Notice
Handling Electrostatic Discharge Sensitive Parts Notice
Cell 14: G202 (2 of 4)