GM Service Manual Online
For 1990-2009 cars only
Makes
🢒
Chevrolet
🢒
1998
🢒
Express
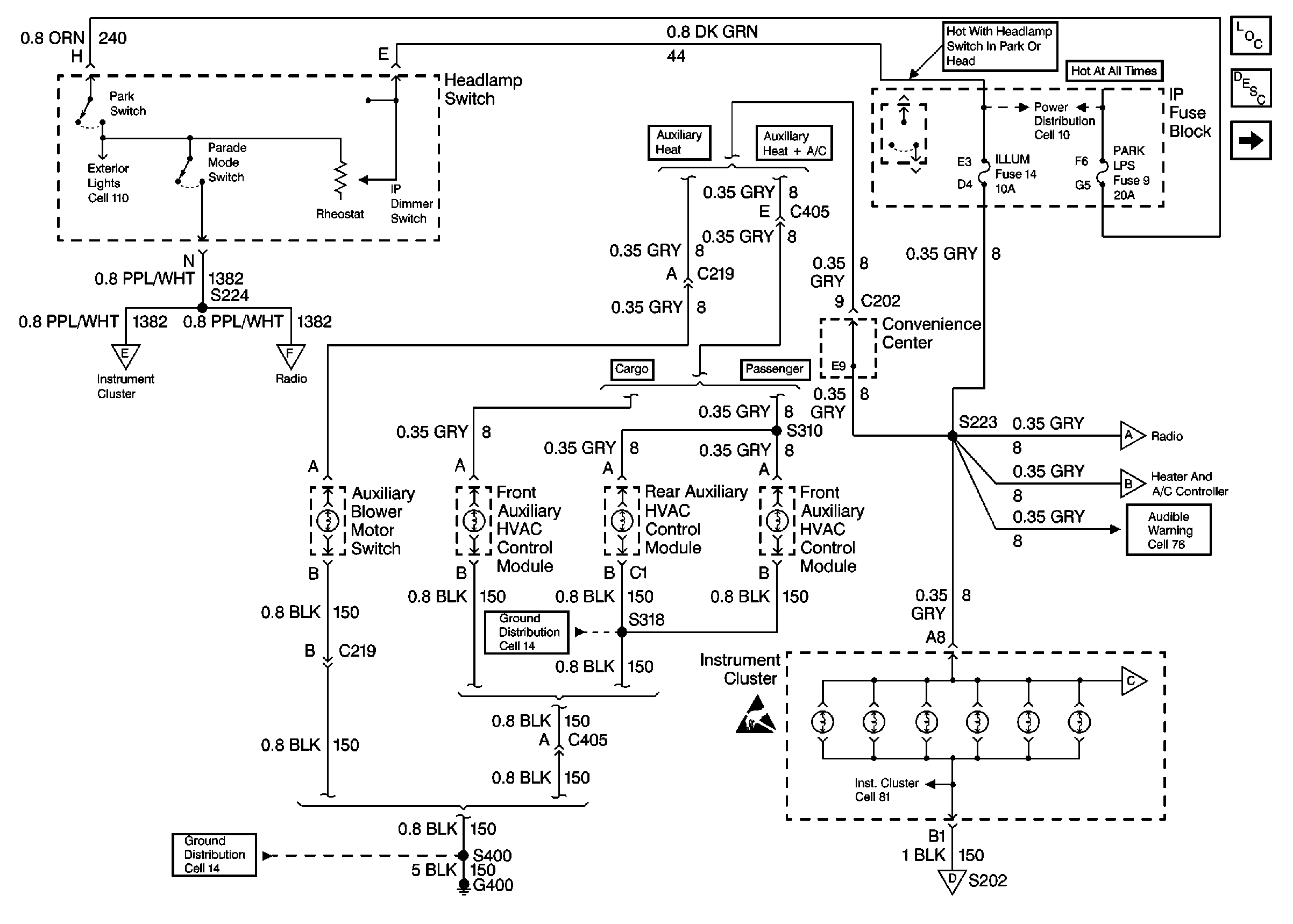
🢒 Cell 117: ILLUM and PARK LPS Fuses, G400
Cell 117: ILLUM and PARK LPS Fuses, G400
Cell 117: ILLUM and PARK LPS Fuses, G400
Lighting Systems Components Domestic
Cell 114: IP Compartment Lamp, Ashtray Lamp, Sunshade Mirror Lamps,G101, G201
Exterior Lights Schematics Domestic
Cell 114: IP Compartment Lamp, Ashtray Lamp, Sunshade Mirror Lamps,G101, G201
Cell 114: IP Compartment Lamp, Ashtray Lamp, Sunshade Mirror Lamps,G101, G201
Cell 114: IP Compartment Lamp, Ashtray Lamp, Sunshade Mirror Lamps,G101, G201
Cell 114: IP Compartment Lamp, Ashtray Lamp, Sunshade Mirror Lamps,G101, G201
Audible Warnings Schematics
Ground Distribution Schematics Domestic
Ground Distribution Schematics Domestic
Handling ESD Sensitive Parts Notice
Cell 114: IP Compartment Lamp, Ashtray Lamp, Sunshade Mirror Lamps,G101, G201
Cell 114: IP Compartment Lamp, Ashtray Lamp, Sunshade Mirror Lamps,G101, G201
Instrument Cluster: Analog Schematics Domestic