GM Service Manual Online
For 1990-2009 cars only
Makes
🢒
Chevrolet
🢒
1998
🢒
Express
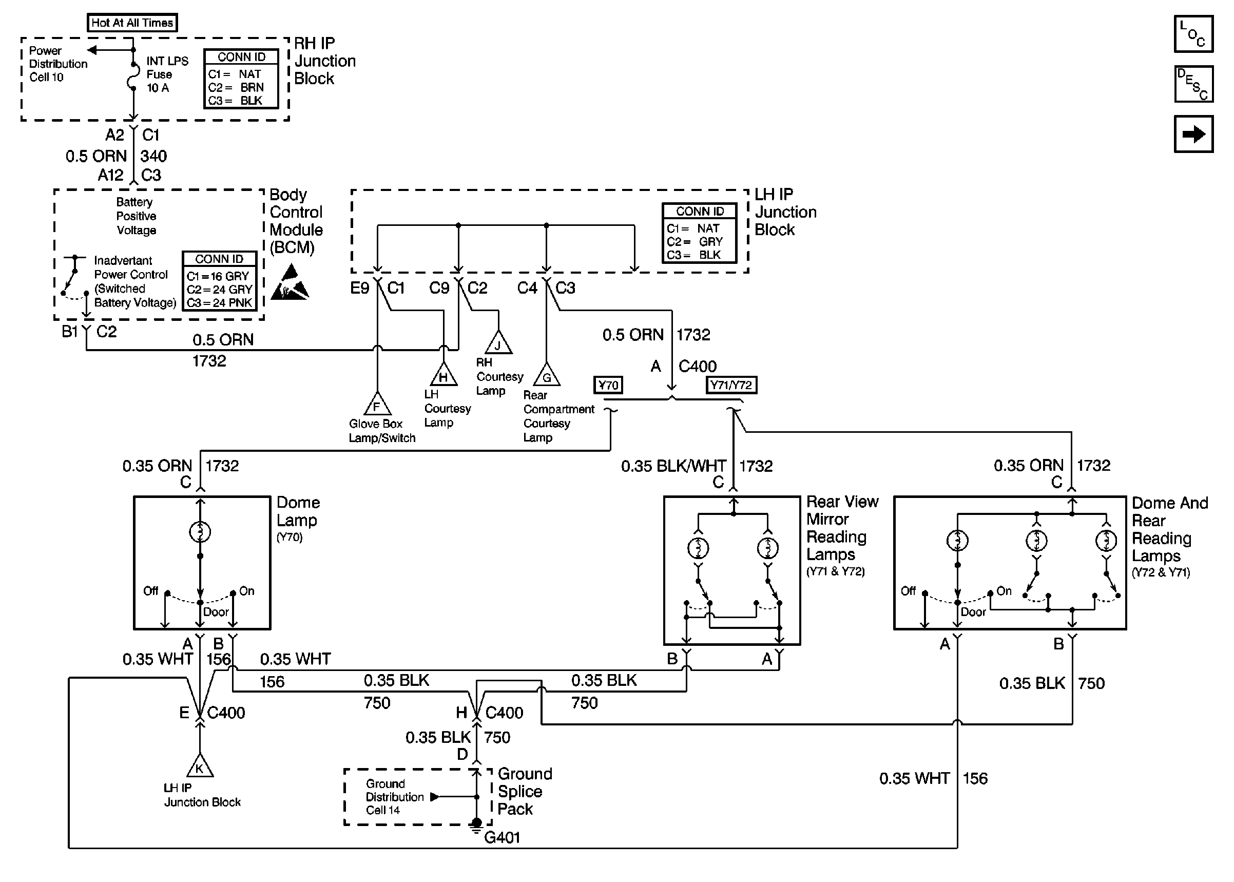
🢒 Cell 114: Dome and Reading Lamps
Cell 114: Dome and Reading Lamps
Cell 114: Dome and Reading Lamps
Lighting Systems Components
Interior Lights Circuit Description
Cell 114: Courtesy/Glove Box Lamps
Handling Electrostatic Discharge Sensitive Parts Notice
Ground Distribution Schematics
Power Distribution Schematics
Cell 114: Courtesy/Glove Box Lamps
Cell 114: Courtesy/Glove Box Lamps
Cell 114: Courtesy/Glove Box Lamps
Cell 114: Courtesy/Glove Box Lamps
Cell 114: Courtesy/Glove Box Lamps
Handling Electrostatic Discharge Sensitive Parts Notice