GM Service Manual Online
For 1990-2009 cars only
Makes
🢒
Chevrolet
🢒
1998
🢒
Express
🢒 Fuel Gauge Sender(s) (Diesel)
Fuel Gauge Sender(s) (Diesel)
Fuel Gauge Sender(s) (Diesel)
Instrument Cluster Components
Instrument Cluster Circuit Description
Electronic PRNDL
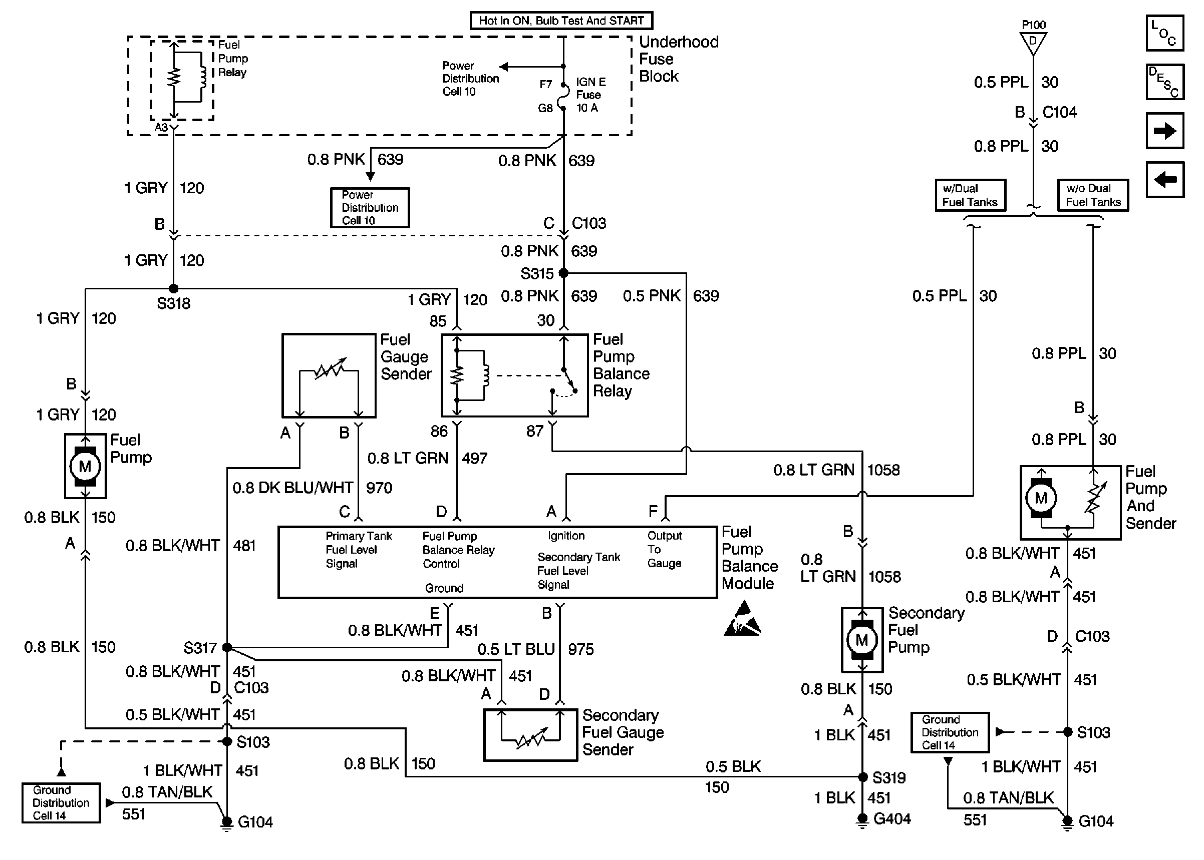
Fuel Gauge Sender (Dual Tank, Gas)
Cell 10: IGN A Fuse and Ignition Switch
Gauges
Fuel Controls
Cell 10: IGN E Fuse
Handling ESD Sensitive Parts Notice
Cell 11: G104 Diesel
Cell 11: G104 Diesel