GM Service Manual Online
For 1990-2009 cars only
Makes
🢒
Chevrolet
🢒
1998
🢒
Express
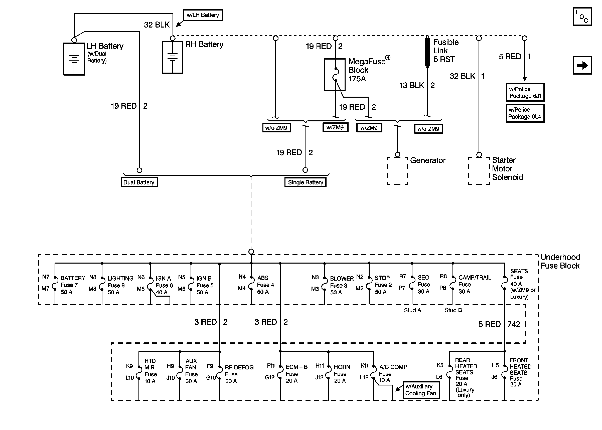
🢒 Cell 10: Battery, and Underhood Fuse Block
Cell 10: Battery, and Underhood Fuse Block
Cell 10: Battery, and Underhood Fuse Block
Power and Grounding Components
Cell 10: LIGHTING and BATTERY Fuses
Cell 10: Megafuse, Auxiliary Relay Center (w/6J1)
Cell 10: Megafuse, Auxiliary Power Center (w/9L4)