GM Service Manual Online
For 1990-2009 cars only
Makes
🢒
Chevrolet
🢒
1998
🢒
Express
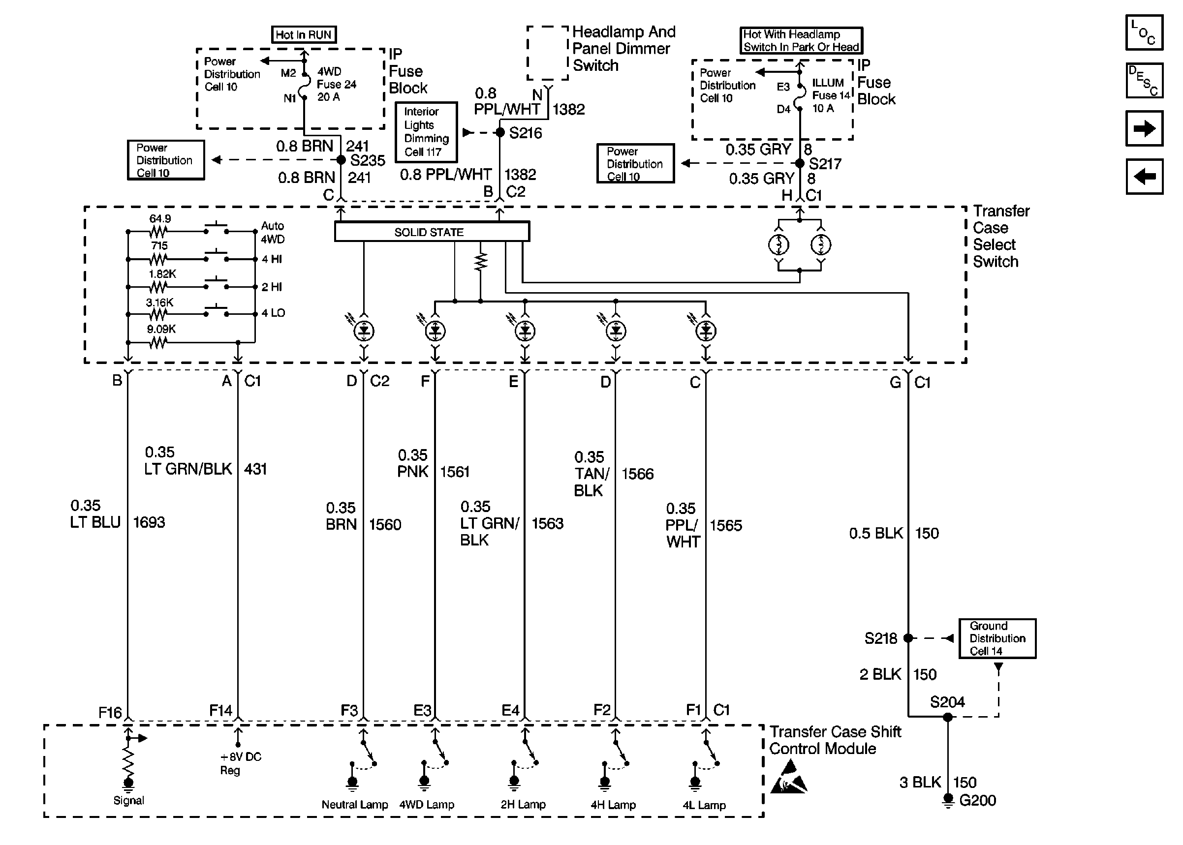
🢒 IP Fuse Block, Transfer Case Select Switch
IP Fuse Block, Transfer Case Select Switch
IP Fuse Block, Transfer Case Select Switch
Cell 14: G200 (1 of 4)
Reluctor Ring View
Cell 10: ILLUM Fuse
Cell 10: ILLUM Fuse
Cell 10: IGN B Fuse and Ignition Switch
VCM. PCM, BTSI Solenoid
Transfer Case Shift Control Module, Encoder Motor