GM Service Manual Online
For 1990-2009 cars only
Makes
🢒
Chevrolet
🢒
1998
🢒
Express
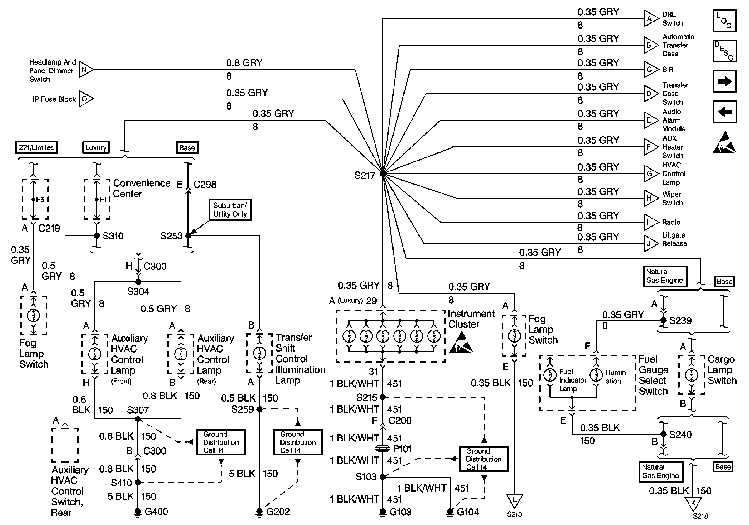
🢒 Cell 117: PK LPS Fuse 9, ILLUM Fuse 14, Headlamp and Panel Dimmer Switch(2 of 2)
Cell 117: PK LPS Fuse 9, ILLUM Fuse 14, Headlamp and Panel Dimmer Switch(2 of 2)
Cell 117: PK LPS Fuse 9, ILLUM Fuse 14, Headlamp and Panel Dimmer Switch (2 of 2)
Cell 117: IP Ground G200
Handling ESD Sensitive Parts Notice
Handling ESD Sensitive Parts Notice
Cell 117: PK LPS Fuse 9, ILLUM Fuse 14, Headlamp and Panel Dimmer Switch (1 of 2)
Cell 117: IP Ground G200
Interior Lights Dimming Circuit Description
Lighting Systems Components
Cell 117: PK LPS Fuse 9, ILLUM Fuse 14, Headlamp and Panel Dimmer Switch (1 of 2)
Cell 14: G400
Cell 14: G202 (1 of 4)