GM Service Manual Online
For 1990-2009 cars only
Makes
🢒
Chevrolet
🢒
1998
🢒
Express
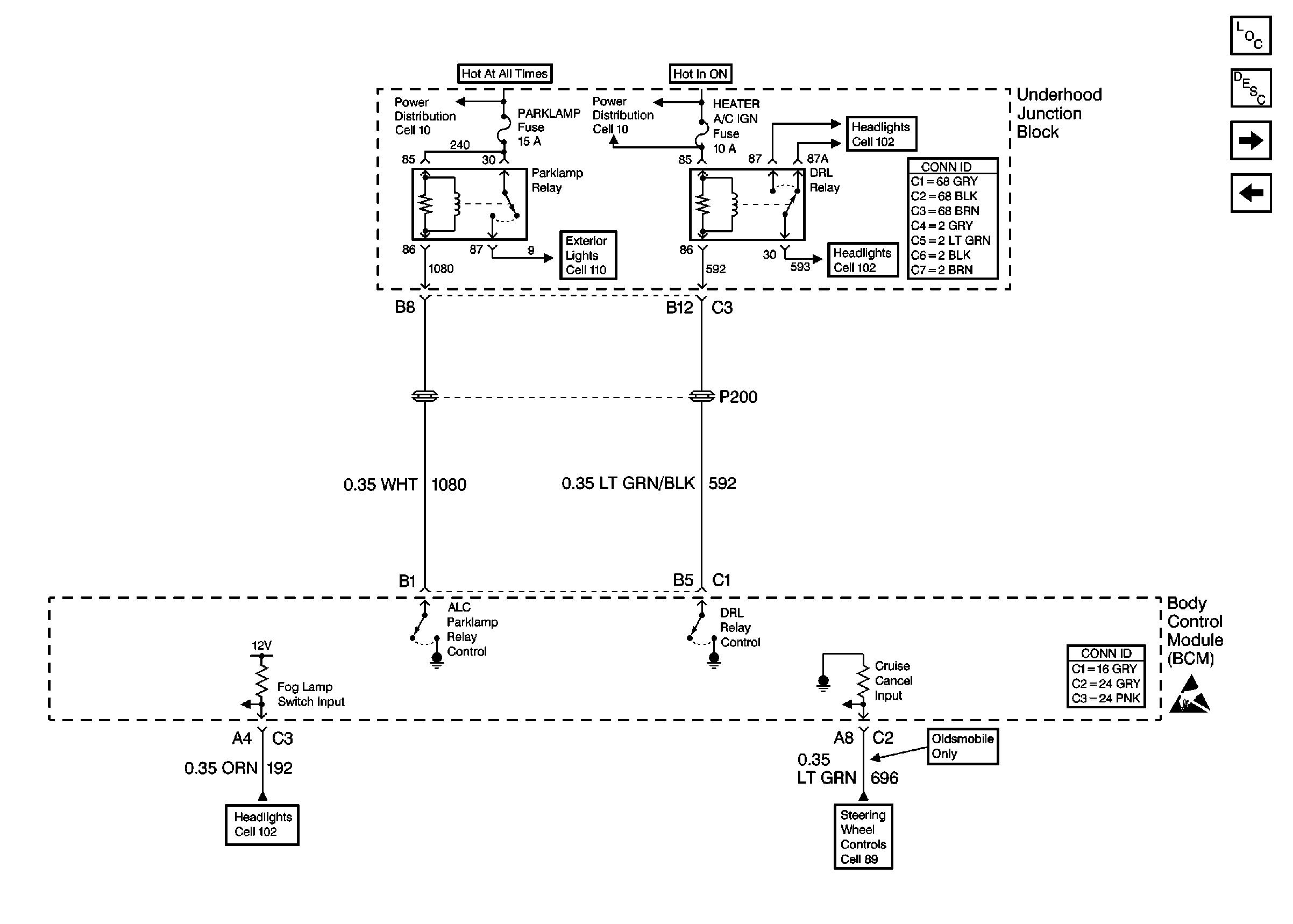
🢒 Cell 51: DRL Relay and Parklamp Relay
Cell 51: DRL Relay and Parklamp Relay
Cell 51: DRL Relay and Parklamp Relay
Body Control Module Components
Body Control System Circuit Description
Cell 51: Rear Door Jamb Switch, Front Door Dome Switch, RF Door Lock Switch
Cell 51: Ambient Light Sensor; Right Rear, Left Rear, Right Front Door Lock Switches
Power Distribution Schematics
Power Distribution Schematics
Exterior Lights Schematics
Headlights/Daytime Running Lights (DRL) Schematics
Headlights/Daytime Running Lights (DRL) Schematics
Headlights/Daytime Running Lights (DRL) Schematics
Power and Grounding Connector End Views
Body Control System Connector End Views