GM Service Manual Online
For 1990-2009 cars only
Makes
🢒
Chevrolet
🢒
1998
🢒
Express
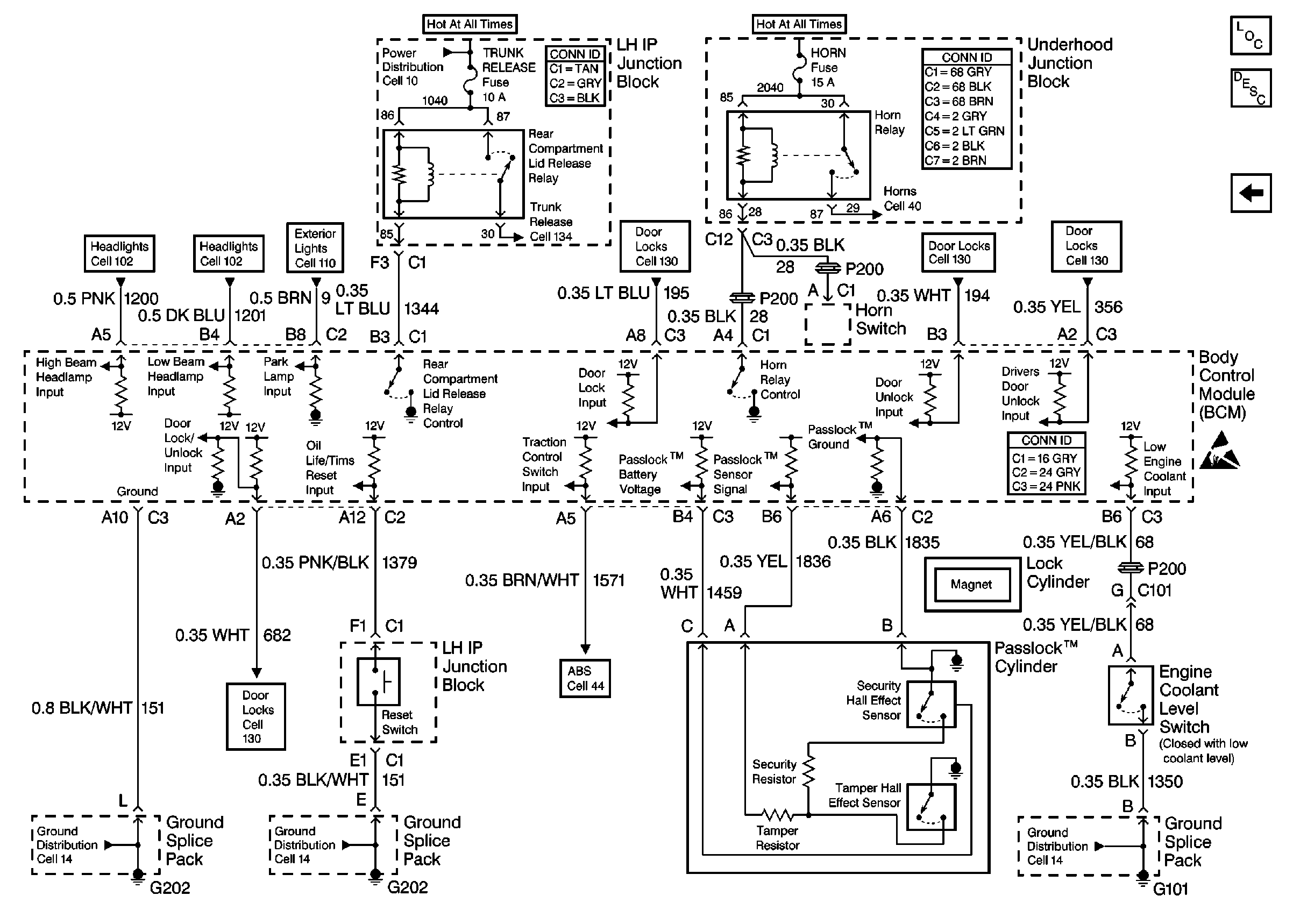
🢒 Cell 51: Engine Coolant Level Switch, Horn Switch, and Passlock™ Cylinder
Cell 51: Engine Coolant Level Switch, Horn Switch, and Passlock™ Cylinder
Cell 51: Engine Coolant Level Switch, Horn Switch, and Passlock⢠Cylinder
Body Control Module Components
Body Control System Circuit Description
Cell 51: Rear Door Jamb Switch, Front Door Dome Switch, RF Door Lock Switch
Handling ESD Sensitive Parts Notice
Power Distribution Schematics
Headlights/Daytime Running Lights (DRL) Schematics
Headlights/Daytime Running Lights (DRL) Schematics
Exterior Lights Schematics
Door Lock/Indicator Schematics
Door Lock/Indicator Schematics
Door Lock/Indicator Schematics
Door Lock/Indicator Schematics
Horn Schematics
Antilock Brake System Schematics
Ground Distribution Schematics
Ground Distribution Schematics
Ground Distribution Schematics
Release Systems Schematics
Power and Grounding Connector End Views
Power and Grounding Connector End Views
Body Control System Connector End Views