GM Service Manual Online
For 1990-2009 cars only
Makes
🢒
Chevrolet
🢒
1998
🢒
Express
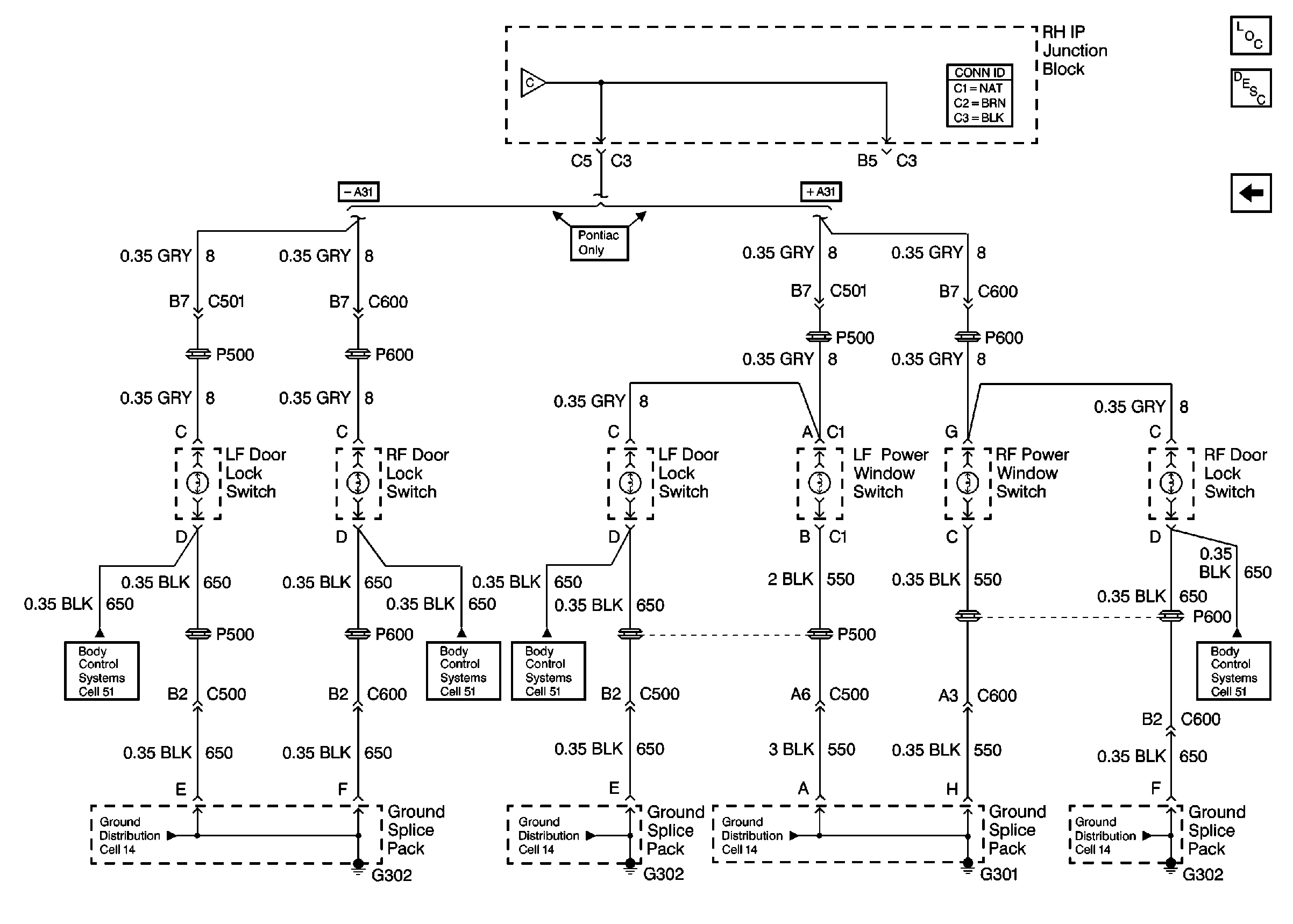
🢒 Interior Lights Dimming Schematics
Interior Lights Dimming Schematics
Window and Door Lock Switches