GM Service Manual Online
For 1990-2009 cars only
Makes
🢒
Chevrolet
🢒
1998
🢒
Express
🢒 Ignition Controls 7.4L
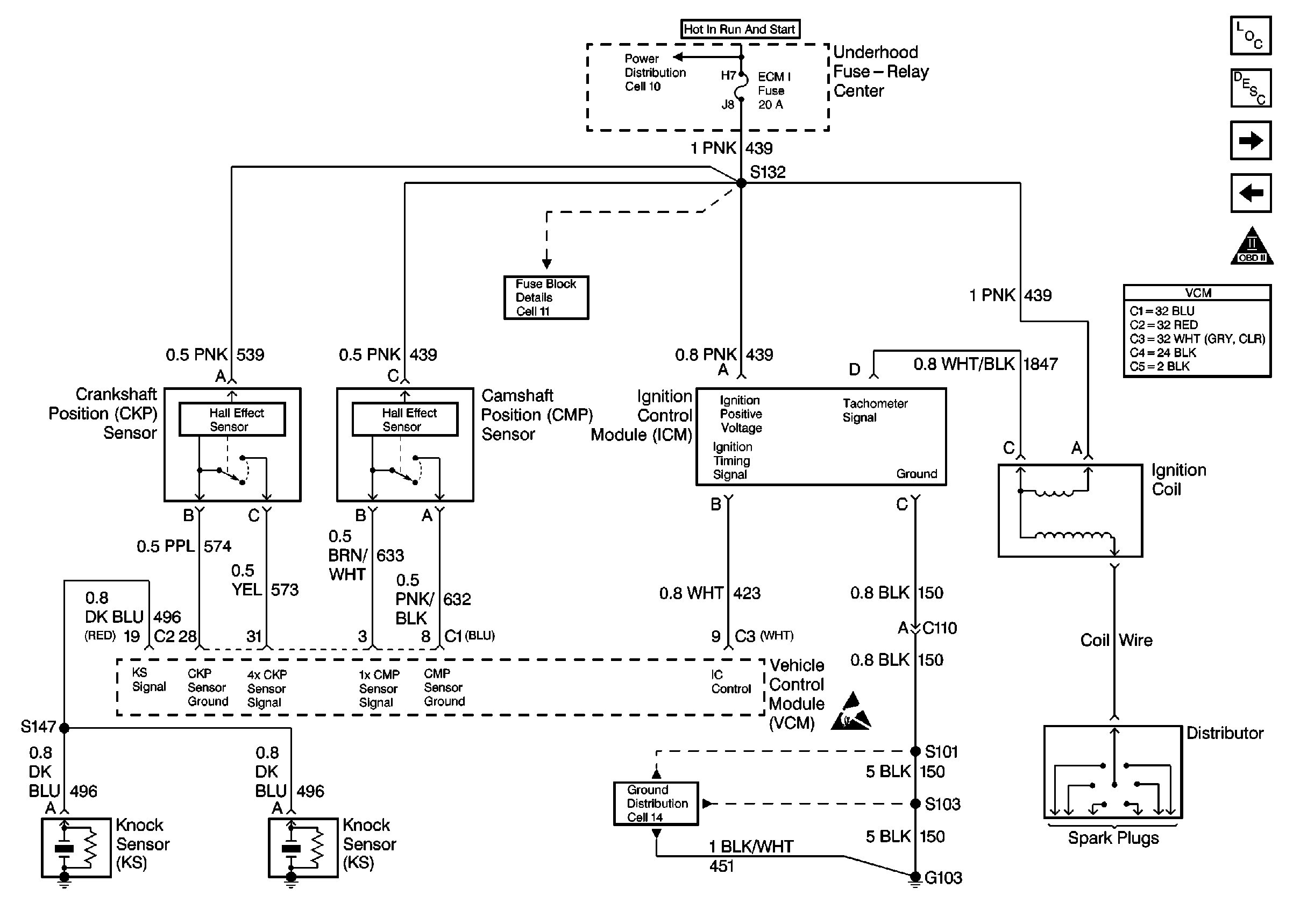
Ignition Controls 7.4L
Ignition Controls 7.4L
Engine Controls Components
Information Sensors 5.7L, 7.4L
Fuel Pump Controls 7.4L
PWR, GND and DLC 7.4L
OBD II Symbol Description Notice