GM Service Manual Online
For 1990-2009 cars only
Makes
🢒
Chevrolet
🢒
1998
🢒
Express
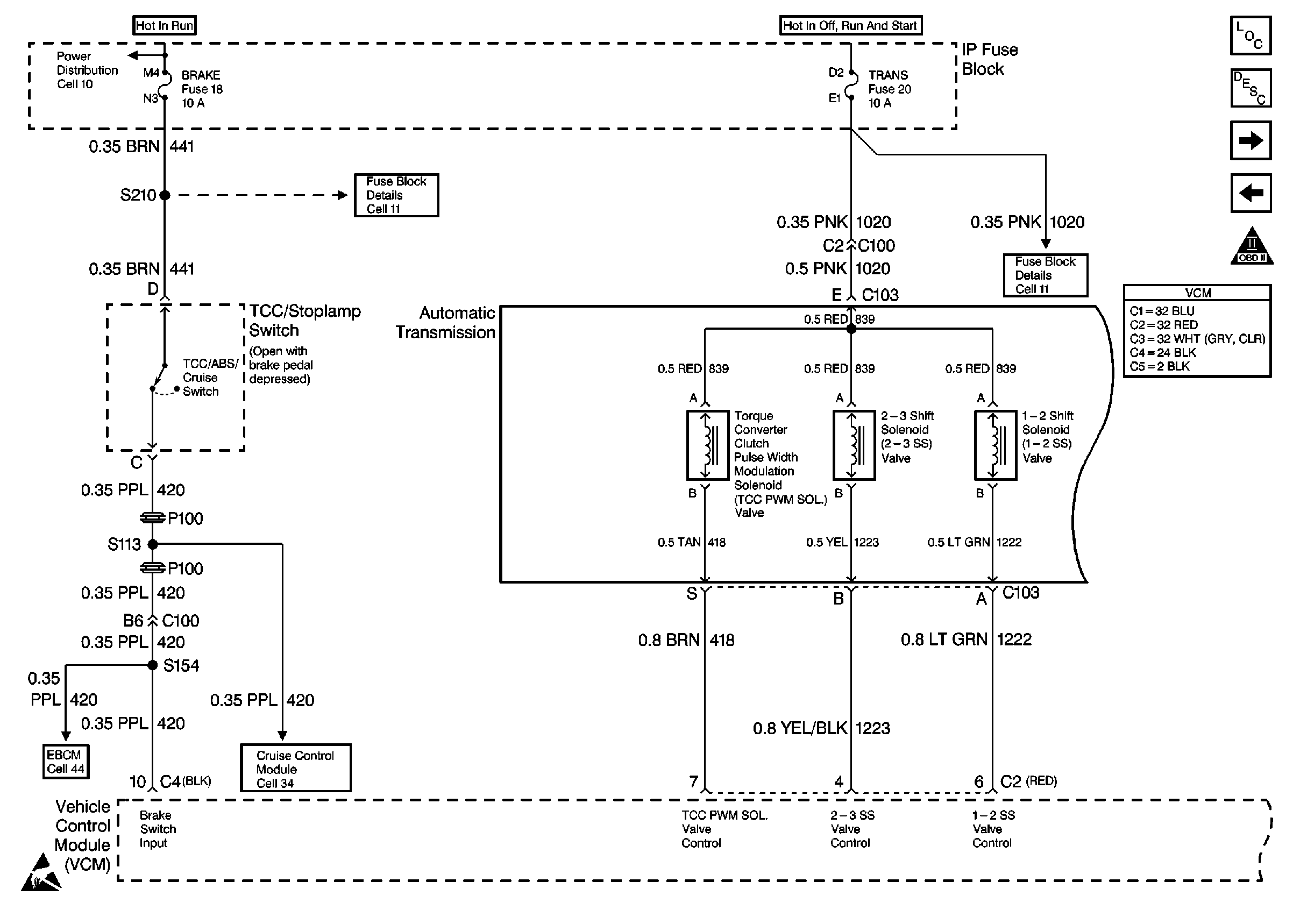
🢒 4L80-E Transmission Solenoid Controls 7.4L
4L80-E Transmission Solenoid Controls 7.4L
4L80-E Transmission Solenoid Controls 7.4L
Engine Controls Components
Information Sensors 5.7L, 7.4L
4L80-E Transmission Switch Controls 7.4L
Secondary AIR Controls 7.4L
OBD II Symbol Description Notice