GM Service Manual Online
For 1990-2009 cars only
Makes
🢒
Chevrolet
🢒
1998
🢒
Express
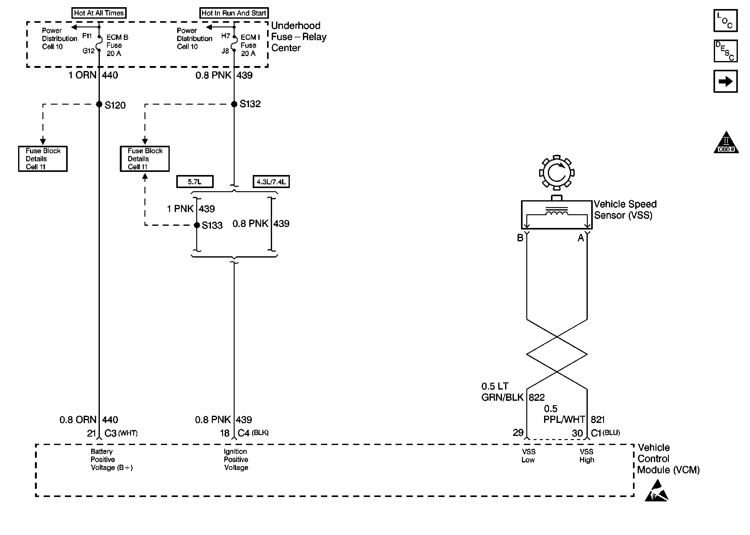
🢒 PWR and VSS Controls
PWR and VSS Controls
PWR and VSS Controls
Automatic Transmission Components Gas Engines
Solenoid, TCC and Stoplamp Controls
OBD II Symbol Description Notice
Information Sensors 5.7L, 7.4L