GM Service Manual Online
For 1990-2009 cars only

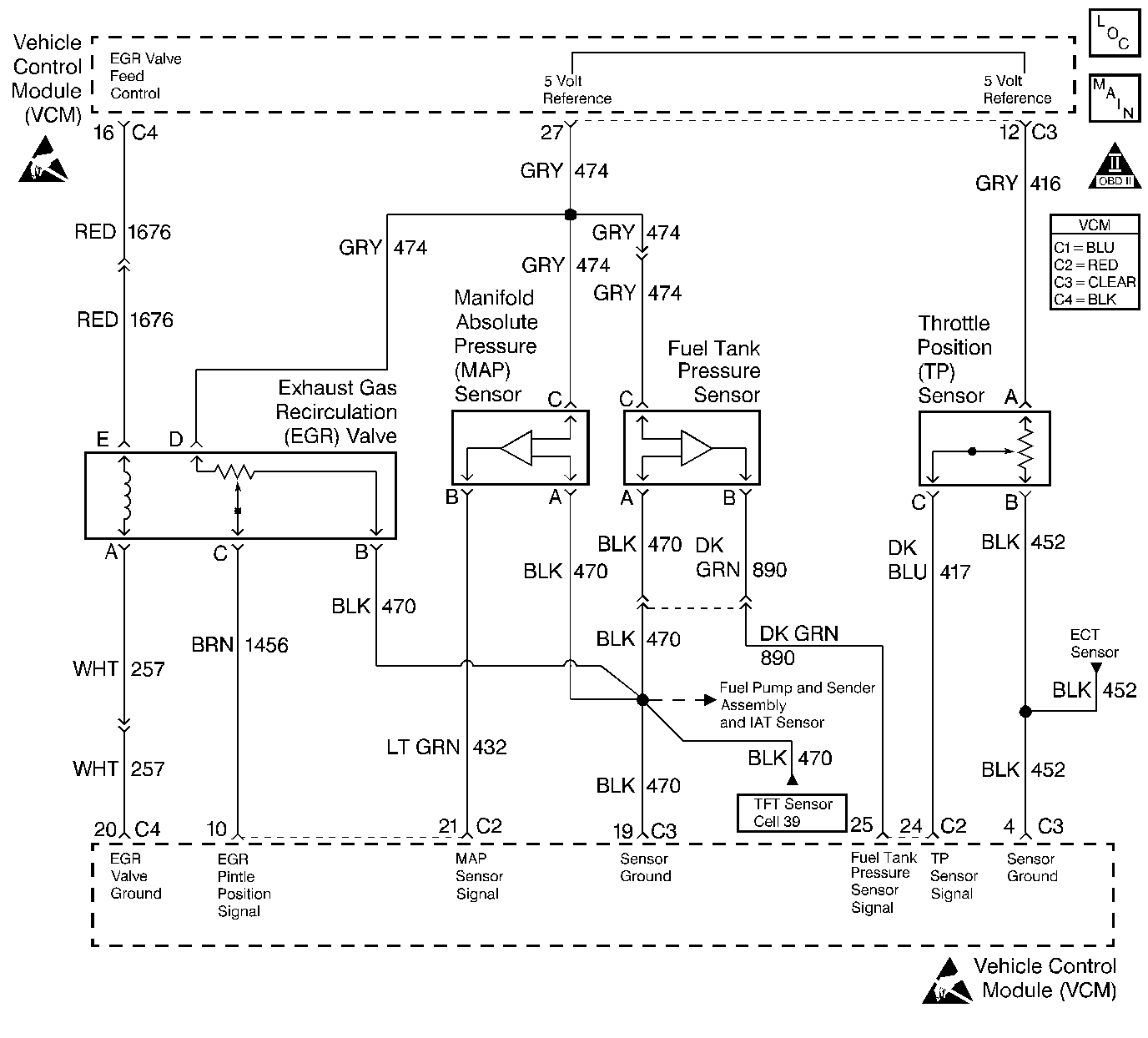
Object Number: 193226  Size: LF
Handling ESD Sensitive Parts Notice
Handling ESD Sensitive Parts Notice
Engine Controls Components
Cell 20: EGR and EVAP Controls
OBD II Symbol Description Notice

Circuit Description

The manifold absolute pressure (MAP) sensor is a pressure sensor. The control module supplies the MAP sensor a reference voltage, signal, and ground circuits. When manifold vacuum is low, the MAP sensor signal voltage rises to a value near the reference voltage, and the MAP sensor signal voltage decreases when the manifold vacuum increases. The control module monitors the MAP sensor signal circuit voltage in order to calculate the vacuum within the intake manifold.

Certain vehicle models will also use the MAP sensor in order to calculate the barometric pressure (BARO) when the ignition switch is turned ON and the engine is NOT cranked. This BARO reading may also be updated whenever the engine is operated at wide open throttle (WOT).

This DTC is designed to detect intermittent low voltage signals on the MAP sensor signal circuit.

Conditions for Running the DTC

    • No active TP sensor DTCs
    • The throttle position is more than 0 percent with engine speed less than 800 RPM
        OR
    • The throttle position is 12.5 percent or more with engine speed more than 800 RPM.

Conditions for Setting the DTC

The MAP voltage is less than 0.04 volt for a calibrated number of seconds.

Action Taken When the DTC Sets

    • The control module stores the DTC in history after the first failure but will not illuminate the malfunction indicator lamp (MIL).
    • The control module records the operating conditions at the time the diagnostic fails. The control module stores the failure information in the scan tools Freeze Frame/Failure Records.

Conditions for Clearing the MIL/DTC

    • A history DTC will clear if no fault conditions have been detected for 40 warm-up cycles.
    • A warm-up cycle occurs when the coolant temperature has risen 22°C (40°F) from the startup coolant temperature and the engine coolant temperature exceeds 70°C (160°F) during the same ignition cycle.
    • Use the scan tool Clear Information function.

Diagnostic Aids

An intermittent open or intermittent short to ground in the MAP sensor signal circuit or the 5 volt reference circuit could result in a DTC P1107.

With the ignition ON and the engine OFF, the manifold pressure is equal to the atmospheric pressure (signal voltage high). The VCM uses this information as an indication of the altitude of the vehicle.

Comparison of this reading with a known good vehicle using the same sensor is a good way to check the accuracy of a suspect sensor. Readings should be within 1 kPa.

An intermittent may be caused by any of the following conditions:

    • A poor connection
    • Rubbed through wire insulation
    • A broken wire inside the insulation

Thoroughly check any circuitry that is suspected of causing the intermittent complaint. Refer to Intermittents and Poor Connections Diagnosis in Wiring Systems.

If a repair is necessary, refer to Wiring Repairs or Connector Repairs in Wiring Systems.

Test Description

The numbers below refer to the step numbers on the diagnostic table.

  1. If the MAP sensor voltage is less than 0.4 volts then the condition is present. Even though DTC P0107 did not set, this DTC is more comprehensive and may aid in diagnosis.

  2. The engine must be running in order to observe the MAP sensor signal voltage.

Step

Action

Value(s)

Yes

No

1

Important: Before clearing the DTCs, use the scan tool Capture Info to save the Freeze Frame and Failure Records for reference. The control module's data is deleted once the Clear Info function is used.

Did you perform the Powertrain On-Board Diagnostic (OBD) System Check?

--

Go to Step 2

Go to Powertrain On Board Diagnostic (OBD) System Check

2

  1. If the engine idle is unstable, incorrect, or if the manifold vacuum at idle is less than the first specified value, correct the condition before using this table. Refer to Symptoms .
  2. Install the scan tool.
  3. Start the engine.
  4. Display the MAP sensor voltage.

Does the scan tool display a MAP sensor voltage less than the second specified value?

15 in Hg

0.4 V

Go to DTC P0107 Manifold Absolute Pressure (MAP) Sensor Circuit Low Voltage

Go to Step 3

3

  1. Turn OFF the engine.
  2. Disconnect the MAP sensor harness connector.
  3. Inspect the MAP sensor harness connector and terminals.

Did you find a problem?

--

Go to Step 6

Go to Step 4

4

  1. Disconnect the VCM C2 and C3 connectors.
  2. Inspect the terminals and connectors.

Did you find a problem?

--

Go to Step 6

Go to Step 5

5

  1. Reconnect the VCM and MAP sensor harness connectors.
  2. Start the engine.
  3. Check for an intermittent open circuit or short to ground in the MAP sensor signal circuit or 5 volt reference circuit while moving the harness in various locations.
  4. Display the MAP sensor voltage while moving the harness.

Did the voltage fluctuate more than the specified value?

0.5 V

Go to Step 6

Go to Diagnostic Aids

6

Repair the circuit as necessary. Refer to Wiring Repairs or Connector Repairs in Wiring Systems.

Is the action complete?

--

Go to Step 7

--

7

  1. Using the scan tool, clear the DTCs.
  2. Start the engine.
  3. Allow the engine to idle until the engine reaches normal operating temperature.
  4. Select DTC and the Specific DTC function.
  5. Enter the DTC number which was set.
  6. Operate the vehicle, with the Conditions for Setting this DTC, until the scan tool indicates the diagnostic Ran.

Does the scan tool indicate the diagnostic Passed?

--

Go to Step 8

Go to Step 2

8

Does the scan tool display any additional undiagnosed DTCs?

--

Go to the applicable DTC table

System OK