GM Service Manual Online
For 1990-2009 cars only

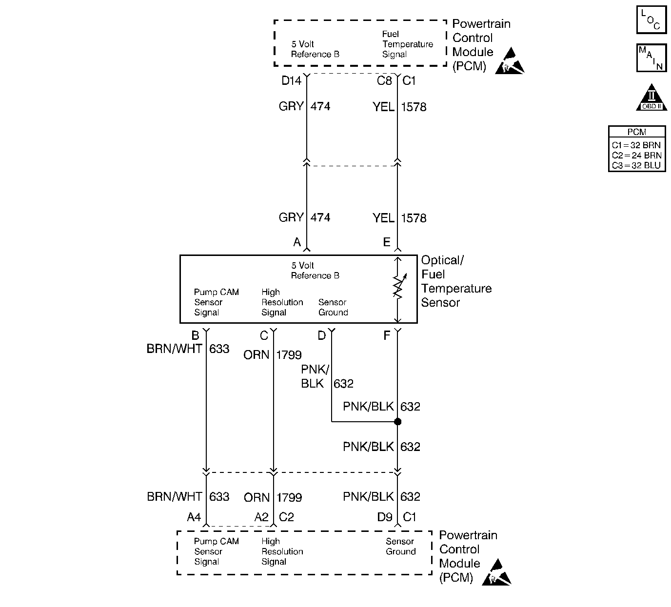
Object Number: 195167  Size: LF
Engine Controls Components
Cell 22: Fuel Temperature Controls
OBD II Symbol Description Notice
Handling ESD Sensitive Parts Notice
Handling ESD Sensitive Parts Notice

Circuit Description

The fuel temperature sensor is a thermistor that controls the signal voltage to the PCM. When the fuel is cold, the sensor resistance is high, therefore the PCM will see high signal voltage. As the fuel warms, the sensor resistance becomes less and the voltage drops. The fuel temperature sensor is integrated with the optical sensor.

Conditions for Setting the DTC

    • The engine has been operating for 8 minutes.
    • The fuel temperature is less than or equal to 18°C (64°F).
    • The conditions met for 2 seconds.

Action Taken When the DTC Sets

    • The PCM illuminates the Malfunction Indicator Lamp (MIL) on the second consecutive drive trip the diagnostic runs and fails.
    • The PCM records the operating conditions at the time the diagnostic fails. The first time the diagnostic fails, the Failure Records store this information. If the diagnostic reports a failure on the second consecutive drive trip, the Freeze Frame records the operating conditions at the time of failure and updates the Failure Records.

Conditions for Clearing the MIL/DTC

    • The PCM will turn the MIL off after three consecutive trips without a fault condition.
    • A History DTC will clear when forty consecutive warm-up cycles during which the diagnostic does not fail (the coolant temperature has risen 5°C (40°F) from start up coolant temperature and engine coolant temperature exceeds 71°C (160°F) that same ignition cycle).
    • Use of a Scan Tool will clear the DTC codes.

Diagnostic Aids

A scan tool reads fuel temperature in degrees centigrade. A failure to detect an increase in fuel temperature could result in a poor connection or an open in the signal circuit.

An intermittent may be caused by the following:

    • Poor connections
    • Rubbed through wire insulation
    • A broken wire inside the insulation

Test Description

Number(s) below refer to the step number(s) on the Diagnostic Table.

  1. This step determines if DTC P0183 is a hard failure or an intermittent condition.

  2. This test simulates a DTC P0182. If the PCM recognizes the low signal voltage (high temp.) the PCM and wiring are OK.

  3. This test will determine if signal circuit is open. There should be 5 volts at sensor connector if measured with J 39200 . This will determine if there is a wiring problem or a malfunctioning PCM.

  4. This step determines if there is a short to voltage on the signal circuit. A short to voltage increases current flow through the sensor which 'overwhelms' the sensor. This doesn't allow the sensor to pull-down the circuit to the correct voltage and thus displaying the correct temperature.

  5. After repairing the short to voltage, check the sensor for proper operation.

Step

Action

Value(s)

Yes

No

1

Important: Before clearing any DTCs, use the Scan Tool Capture Info to save freeze frame and failure records for reference, as the Scan Tool loses data when using the Clear Info function.

Was the Powertrain On-Board Diagnostic (OBD) System Check performed?

--

Go to Step 2

Go to Powertrain On Board Diagnostic (OBD) System Check

2

  1. Connect a Scan Tool.
  2. Start and idle the engine.
  3. Monitor the Fuel Temp display on the Scan Tool.

Is the Fuel Temp less than or equal to the specified value?

18°C (64°F)

Go to Step 3

Go to Step 5

3

  1. Turn the engine OFF.
  2. Turn the ignition ON.
  3. Disconnect the Optical/Fuel Temperature sensor connector.
  4. Jumper the Fuel Temperature signal circuit and sensor ground together at the sensor harness.

Does the Scan Tool display fuel temperature greater than the specified value?

105°C (221°F)

Go to Step 6

Go to Step 4

4

Jumper the Fuel Temperature sensor signal circuit to a known good ground.

Does the Scan Tool display a Fuel Temp greater than the specified value?

105°C (221°F)

Go to Step 7

Go to Step 8

5

The DTC is intermittent. If no other DTC(s) are stored, refer to Diagnostic Aids. If additional DTCs are stored, refer to those table(s) first.

Are any other DTCs stored?

--

Go to the Applicable DTC Table

Go to Diagnostic Aids

6

  1. Inspect the sensor connector for a proper connection.
  2. If a problem is found, repair the problem as necessary.

Was a problem found?

--

Go to Step 14

Go to Step 9

7

  1. Check the Fuel Temperature sensor ground circuit for an open between the Fuel Temp sensor and the PCM.
  2. If a problem is found, repair the problem as necessary.

Was a problem found?

--

Go to Step 14

Go to Step 11

8

  1. Check the Fuel Sensor signal circuit for an open between the Fuel Temp sensor and the PCM.
  2. If a problem is found, repair the problem as necessary.

Was a problem found?

--

Go to Step 14

Go to Step 11

9

With a J 39200 set to the mA scale, measure the current across the Fuel Temperature signal and the sensor ground circuit at the sensor harness connector.

Is the current less than the specified value?

50 mA

Go to Step 12

Go to Step 10

10

Repair the short to voltage on the Fuel Temperature signal circuit.

Is the action complete?

--

Go to Step 14

--

11

Inspect the PCM connectors for proper connections and replace the terminals, if necessary.

Was a problem found?

--

Go to Step 14

Go to Step 13

12

Replace the fuel injection pump. Refer to Fuel Injection Pump Replacement .

Important: The new injection pump must be timed. Refer to Injection Timing Adjustment .

Is the action complete?

--

Go to Step 14

--

13

Replace the PCM.

Important: The new PCM must be programmed. Refer to Powertrain Control Module Replacement/Programming .

Is the action complete?

--

Go to Step 14

--

14

  1. Using the Scan Tool, clear the DTCs.
  2. Start engine and idle at normal operating temperature.
  3. Select DTC, Specific, then enter the DTC number which was set.
  4. Operate the vehicle, within the Conditions for Setting this DTC, until the Scan Tool indicates the diagnostic Ran.

Does the Scan Tool indicate the diagnostic Passed?

--

Go to Step 15

Go to Step 2

15

Does the Scan Tool display any additional undiagnosed DTCs?

--

Go to the Applicable DTC Table

System OK