GM Service Manual Online
For 1990-2009 cars only

DTC P0741 TCC System Stuck Off Gas


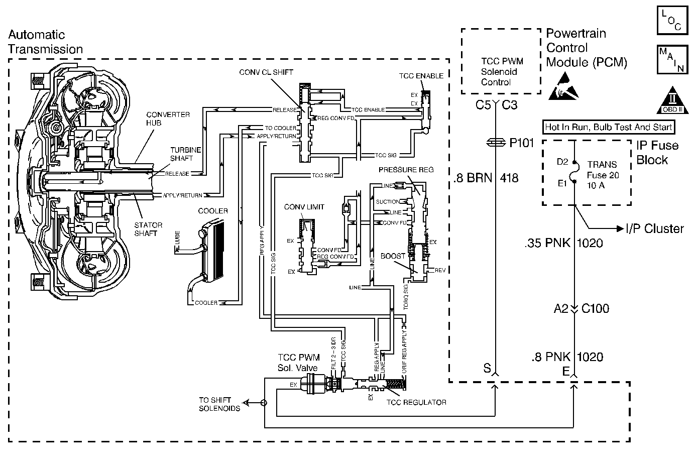
Object Number: 241359  Size: MF
Automatic Transmission Components Gas Engines
Automatic Transmission Controls Schematics Gas Engines
OBD II Symbol Description Notice
Handling ESD Sensitive Parts Notice

Circuit Description

Important: DTC P0741 inspects for high Torque Converter Clutch (TCC) slip in 2nd and 3rd gear only. The transmission must be in hot mode or experiencing a wide open throttle maneuver in order for the TCC to be commanded ON in 2nd and 3rd gear.

The Vehicle Control Module (VCM) energizes the Torque Converter Clutch Pulse Width Modulated Solenoid Valve (TCC PWM Sol. Valve) by grounding circuit 418. This blocks the exhaust for TCC signal fluid and allows filtered 2-3 drive fluid to feed the TCC signal circuit. When the vehicle's operating conditions are appropriate for TCC application, the VCM begins the TCC duty cycle to approximately 30%. This allows TCC signal fluid pressure to move the converter clutch shift valve into the apply position and direct regulated apply fluid to the torque converter. The VCM then increases (ramps) the duty cycle to approximately 60%, where regulated apply fluid pressure, applies the converter clutch. The vehicle application determines the TCC apply rate. Once the TCC applies, the duty cycle immediately increases to approximately 70% to achieve full apply pressure, in the regulated apply fluid circuit.

The TCC PWM Sol. Valve is de-energized by the VCM opening circuit 418. This action allows the TCC signal fluid to exhaust through the solenoid and blocks filtered 2-3 drive fluid from entering the TCC signal circuit. The loss of fluid pressure in the TCC signal circuit releases the TCC.

If the VCM detects high TCC slip when the TCC is commanded ON, then DTC P0741 sets. DTC P0741 is a type D DTC. For California emissions vehicles DTC P0741 is a type B DTC.

Conditions for Setting the DTC

    • No Throttle Position (TP) Sensor DTCs P0121, P0122, or P0123.
    • No OSS DTC P0502, or P0503.
    • No A/T ISS Sensor DTCs P0716 or P0717.
    • No TCC DTCs P0742 or P1860.
    • No TFP Val. Position Sw. DTC P1810.
    • The engine must be running greater than 475 RPM for at least 7 seconds.
    • The gear ratio must indicate 2nd, 3rd, or 4th gear.
    • The Throttle Position (TP) is 10-100%.
    • The TFP Val. Position Sw. must be in D4, D3, or D2 and has not changed in 5 seconds.
    • Gear ratio is equal to 2nd, 3rd or 4th.
    • The transmission fluid temperature (TFT) is +20° to +150°C (68° to +302°F).
    • TCC duty cycle greater than 70%.
    • The TCC Slip Speed is greater than 140 RPM, (105 RPM, 4.3L) for 3 seconds.
    • All conditions must be met for 4 seconds and for a total of 5 occurrences.

Action Taken When the DTC Sets

    • The VCM illuminates the Malfunction Indicator Lamp (MIL) for California emissions vehicles.
    • The VCM inhibits the TCC.
    • The VCM increases line pressure.
    • The VCM inhibits 4th gear.
    • DTC P0741 is stored in VCM history.

Conditions for Clearing the DTC

    • For California emissions, the VCM turns OFF the MIL after three consecutive trips without a failure reported.
    • A scan tool can clear the DTC from the VCM history. The VCM clears the DTC from the VCM history if the vehicle completes 40 warm-up cycles without a failure reported.
    • The VCM cancels the DTC default actions when the fault no longer exists and the ignition is OFF long enough in order to power down the VCM.

Diagnostic Aids

    • Residue or contamination may cause shift valves to stick intermittently.
    • First diagnose and clear any engine DTCs or TP Sensor codes that are present. Then inspect for any transmission DTCs that may have reset.

Test Description

The numbers below refer to the step numbers on the diagnostic table.

  1. This step tests for excessive TCC slip when TCC is commanded on.

  2. This step inspects for possible causes of no TCC apply.

P0741

Step

Action

Value(s)

Yes

No

1

Was the Powertrain On-Board Diagnostic (OBD) System Check performed?

--

Go to Step 2

Go to Powertrain On Board Diagnostic (OBD) System Check (4.3L) or Powertrain On Board Diagnostic (OBD) System Check (5.7L) or Powertrain On Board Diagnostic (OBD) System Check (7.4L)

2

  1. Install the Scan Tool .
  2. Important: Before clearing the DTCs, use the scan tool in order to record the Freeze Frame and Failure Records for reference. The Clear Info function erases the stored Freeze Frame and Failure Records from the VCM.

  3. Drive the vehicle in D3.
  4. Record the data using snapshot mode.

Is the TCC slip speed snapshot data greater than the specified value when the TCC Duty Cycle is commanded greater than 70% for greater than 3 seconds?

140 RPM

Go to Step 3

Go to Diagnostic Aids

3

Inspect the TCC PWM Sol. Valve for being mechanically stuck OFF.

Refer to Torque Converter Clutch Diagnosis in this section.

Did you find the condition?

--

Go to Step 5

Go to Step 4

4

  1. Inspect the TCC PWM Sol. valve for a damaged exhaust orifice.
  2. Inspect for the converter regulated apply valve being stuck in the off (release) position.
  3. Inspect the converter clutch shift valve for a stuck condition.
  4. Inspect for a misaligned or damaged valve body gasket.
  5. Inspect for a restricted apply or release passage.
  6. Inspect for the Torque Converter for being mechanically stuck OFF.
  7. Refer to No Torque Converter Clutch Apply .

Did you find and correct the condition?

--

Go to Step 5

--

5

In order to verify your repair, perform the following procedure:

  1. Select DTC.
  2. Select Clear Info.
  3. Operate the vehicle under the following conditions:
  4. • Drive the vehicle in D3 with steady acceleration and TP over 12%.
    • TCC duty cycle is greater than 70%.
    •  The VCM must see a TCC slip of less than 20 RPM for 3 seconds.
    • Select Specific DTC.
  5. Enter DTC P0741.

Has the test run and passed?

--

System OK

Begin the diagnosis again. Go to Step 1

DTC P0741 TCC System Stuck Off Diesel


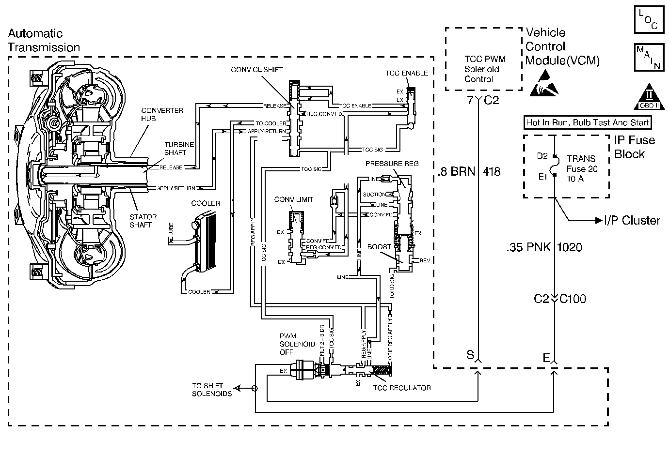
Object Number: 201056  Size: MF
Automatic Transmission Components Diesel Engines
Automatic Transmission Controls Schematics Diesel Engines
OBD II Symbol Description Notice
Handling ESD Sensitive Parts Notice

Circuit Description

Important: DTC P0741 inspects for high Torque Converter Clutch (TCC) slip in 2nd and 3rd gear only. The transmission must be in hot mode or experiencing a wide open throttle maneuver in order for the TCC to be commanded ON in 2nd and 3rd gear.

The Powertrain Control Module (PCM) energizes the Torque Converter Clutch Pulse Width Modulated Solenoid Valve (TCC PWM Sol. Valve) by grounding circuit 418. This blocks the exhaust for TCC signal fluid and allows filtered 2-3 drive fluid to feed the TCC signal circuit. When the vehicle's operating conditions are appropriate for TCC application, the PCM begins the TCC duty cycle to approximately 30%. This allows TCC signal fluid pressure to move the converter clutch shift valve into the apply position and direct regulated apply fluid to the torque converter. The PCM then increases (ramps) the duty cycle to approximately 60%, where regulated apply fluid pressure, applies the converter clutch. The vehicle application determines the TCC apply rate. Once the TCC applies, the duty cycle immediately increases to approximately 70% to achieve full apply pressure, in the regulated apply fluid circuit.

The TCC PWM Sol. Valve is de-energized by the PCM opening circuit 418. This action allows the TCC signal fluid to exhaust through the solenoid and blocks filtered 2-3 drive fluid from entering the TCC signal circuit. The loss of fluid pressure in the TCC signal circuit releases the TCC.

If the PCM detects high TCC slip when the TCC is commanded ON, then DTC P0741 sets. DTC P0741 is a type D DTC. For California emissions vehicles DTC P0741 is a type B DTC.

Conditions for Setting the DTC

    • No A/T ISS Sensor DTCs P0716 or P0717.
    • No OSS DTCs P0722, or P0723.
    • No TCC Stuck ON DTC P0742.
    • No TCC PWM Sol. Valve DTC P1860.
    • No TFP Val. Position Sw. DTC P1810.
    • The TCC PWM Sol. Valve is commanded in 2nd or 3rd gear for greater than 0.6 seconds.
    • The engine must be running greater than 475 RPM for at least 7 seconds.
    • The TCC Duty Cycle is greater than 70% for 1.0 seconds.
    • The gear ratio must indicate 2nd or 3rd gear.
    • The APP angle is 15-99%.
    • The TFP Val. Position Sw. must be in D4, D3, or D2 and has not changed state within 4 seconds.
    • The TFT must be 20 to +150°C (68-302°F).
    • The TCC Slip Speed is greater than 175 RPM for 3 seconds.
    • All conditions must be met for a total of 4 occurrences.

Action Taken When the DTC Sets

    • The PCM illuminates the Malfunction Indicator Lamp (MIL) for California emissions vehicles.
    • The PCM inhibits the TCC.
    • The PCM increases line pressure.
    • The PCM inhibits 4th gear.
    • DTC P0741 is stored in PCM history.

Conditions for Clearing the DTC

    • For California emissions, the PCM turns OFF the MIL after three consecutive trips without a failure reported.
    • A scan tool can clear the DTC from the PCM history. The PCM clears the DTC from the PCM history if the vehicle completes 40 warm-up cycles without a failure reported.
    • The PCM cancels the DTC default actions when the fault no longer exists and the ignition is OFF long enough in order to power down the PCM.

Diagnostic Aids

    • Residue or contamination may cause shift valves to stick intermittently.
    • First diagnose and clear any engine DTCs or APP Sensor codes that are present. Then inspect for any transmission DTCs that may have reset.

Test Description

The numbers below refer to the step numbers on the diagnostic table.

  1. This step tests for excessive TCC slip when TCC is commanded on.

  1. This step inspects for possible causes of no TCC apply.

P0741

Step

Action

Value(s)

Yes

No

1

Was the Powertrain On-Board Diagnostic (OBD) System Check performed?

--

Go to Step 2

Go to Powertrain On Board Diagnostic (OBD) System Check

2

  1. Install the Scan Tool .
  2. Important: Before clearing the DTCs, use the scan tool in order to record the Freeze Frame and Failure Records for reference. Using the Clear Info function erases the stored Freeze Frame and Failure Records from the PCM.

  3. Record the Freeze Frame and Failure records, then clear the DTC.
  4. Drive the vehicle in D3 with the TCC commanded ON.
  5. Record the data using snapshot mode.

Is the TCC slipspeed greater than the specified value when the TCC PWM Sol. Valve is commanded ON (greater than 70%)?

175 RPM

Go to Step 3

Go to Diagnostic Aids

3

Inspect the TCC PWM Sol. Valve for being mechanically stuck OFF.

Refer to Torque Converter Clutch Diagnosis in this section.

Did you find the condition?

--

Go to Step 5

Go to Step 4

4

  1. Inspect for the Torque Converter for being mechanically stuck OFF
  2. Inspect the TCC for a damaged exhaust orifice.
  3. Inspect the Torque Converter for possible damage.
  4. Inspect for the converter apply shift valve for being stuck in the off (release) position.
  5. Inspect for a misaligned or damaged valve body gasket.
  6. Inspect for a restricted apply or release passage.
  7. Refer to On-Vehicle Service.

Did you find and correct the condition?

--

Go to Step 5

--

5

In order to verify your repair, perform the following procedure:

  1. Select DTC.
  2. Select Clear Info.
  3. Operate the vehicle under the following conditions:
  4. • Drive the vehicle in D4 with steady acceleration and the APP Angle over 15%.
    •  The PCM must see a TCC slip of less than 175 RPM for 3 seconds.
  5. Select Specific DTC . Enter DTC P0741.

Has the test run and passed?

--

System OK

Begin the diagnosis again. Go to Step 1