GM Service Manual Online
For 1990-2009 cars only
Figure 1:

Cell 132: Keyless Entry


Object Number: 345262  Size: FS
Keyless Entry Components
Keyless Entry System Circuit Description
Cell 132: Power Door Lock Module
Fuse Block Schematics Domestic
Power Distribution Schematics Domestic
Cell 132: Power Door Lock Module
Cell 132: Power Door Lock Module
Handling ESD Sensitive Parts Notice
Cell 132: Power Door Lock Module
Cell 132: Power Door Lock Module
Cell 132: Power Door Lock Module
Cell 132: Power Door Lock Relay
Cell 132: Power Door Lock Relay
Cell 132: Power Door Lock Relay
Cell 132: Power Door Lock Relay
Cell 132: Power Door Lock Module
Cell 132: Power Door Lock Module
Figure 2:

Cell 132: Power Door Lock Module


Object Number: 345263  Size: FS
Keyless Entry Components
Keyless Entry System Circuit Description
Cell 132: Power Door Lock Relay
Cell 132: Keyless Entry
Cell 132: Keyless Entry
Cell 132: Keyless Entry
Cell 132: Keyless Entry
Cell 132: Keyless Entry
Cell 132: Keyless Entry
Handling ESD Sensitive Parts Notice
Power Seats Schematics
Cell 132: Power Door Lock Relay
Cell 132: Power Door Lock Relay
Ground Distribution Schematics Domestic
Cell 132: Keyless Entry
Cell 132: Keyless Entry
Figure 3:

Cell 132: Power Door Lock Relay


Object Number: 345264  Size: FS
Keyless Entry Components
Keyless Entry System Circuit Description
Cell 132: Door Lock Actuators
Cell 132: Power Door Lock Module
Cell 132: Keyless Entry
Cell 132: Keyless Entry
Cell 132: Keyless Entry
Cell 132: Keyless Entry
Interior Lights Schematics
Handling ESD Sensitive Parts Notice
Handling ESD Sensitive Parts Notice
Ground Distribution Schematics Domestic
Cell 132: Power Door Lock Module
Cell 132: Power Door Lock Module
Cell 132: Door Lock Actuators
Cell 132 Upfitter Provisions
Cell 132: Door Lock Actuators
Cell 132 Upfitter Provisions
Cell 132: Door Lock Actuators
Cell 132 Upfitter Provisions
Cell 132: Door Lock Actuators
Cell 132 Upfitter Provisions
Cell 132: Door Lock Actuators
Cell 132 Upfitter Provisions
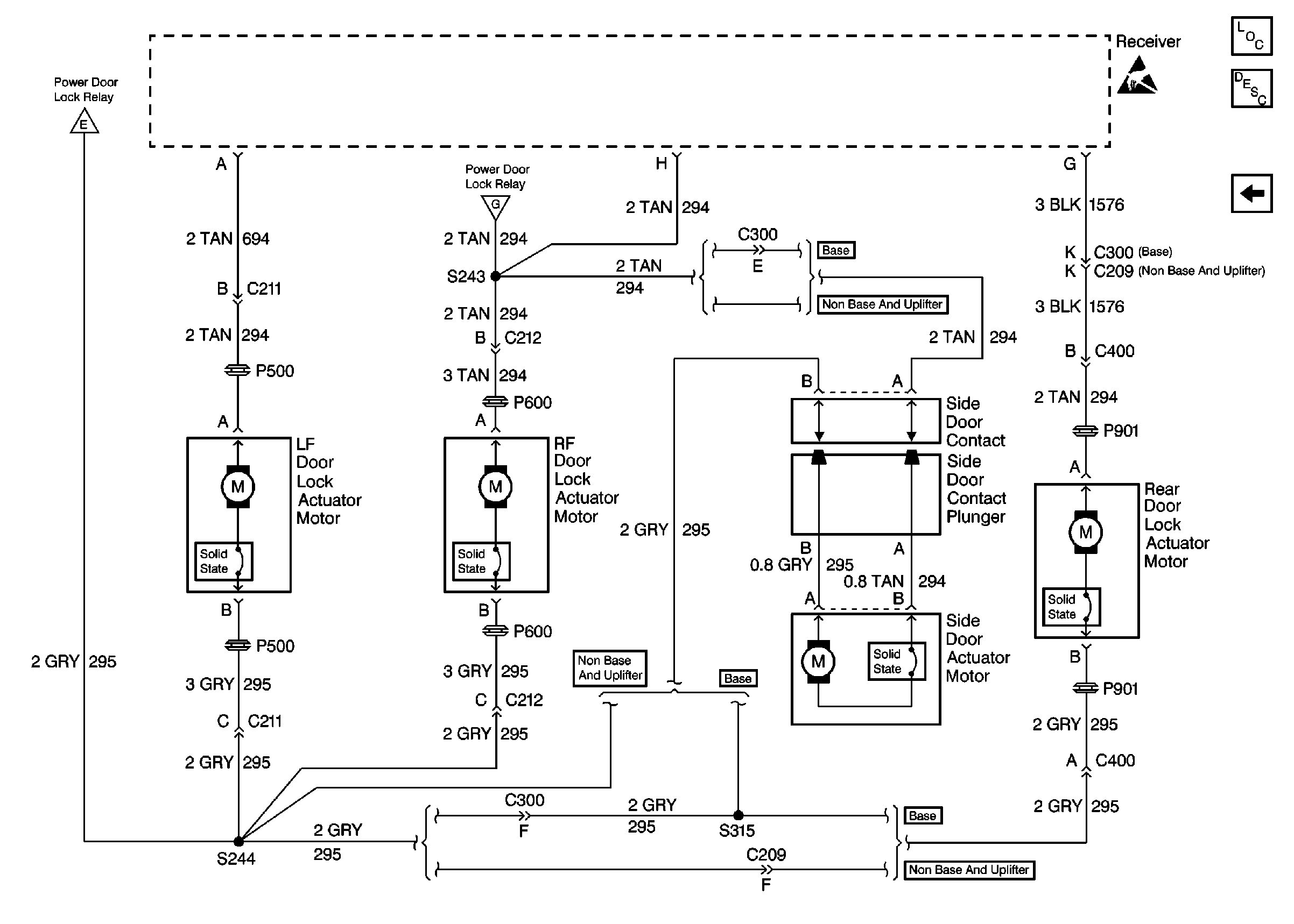
Figure 4:

Cell 132: Door Lock Actuators


Object Number: 345265  Size: FS
Keyless Entry Components
Keyless Entry System Circuit Description
Cell 132 Upfitter Provisions
Cell 132: Power Door Lock Relay
Cell 132: Power Door Lock Relay
Cell 132: Power Door Lock Relay
Cell 132: Power Door Lock Relay
Cell 132: Power Door Lock Relay
Cell 132: Power Door Lock Relay