GM Service Manual Online
For 1990-2009 cars only
Makes
🢒
Chevrolet
🢒
1999
🢒
Express
🢒
Body and Accessories
🢒
Stationary Windows
🢒 Defogger Schematics
Figure
1:
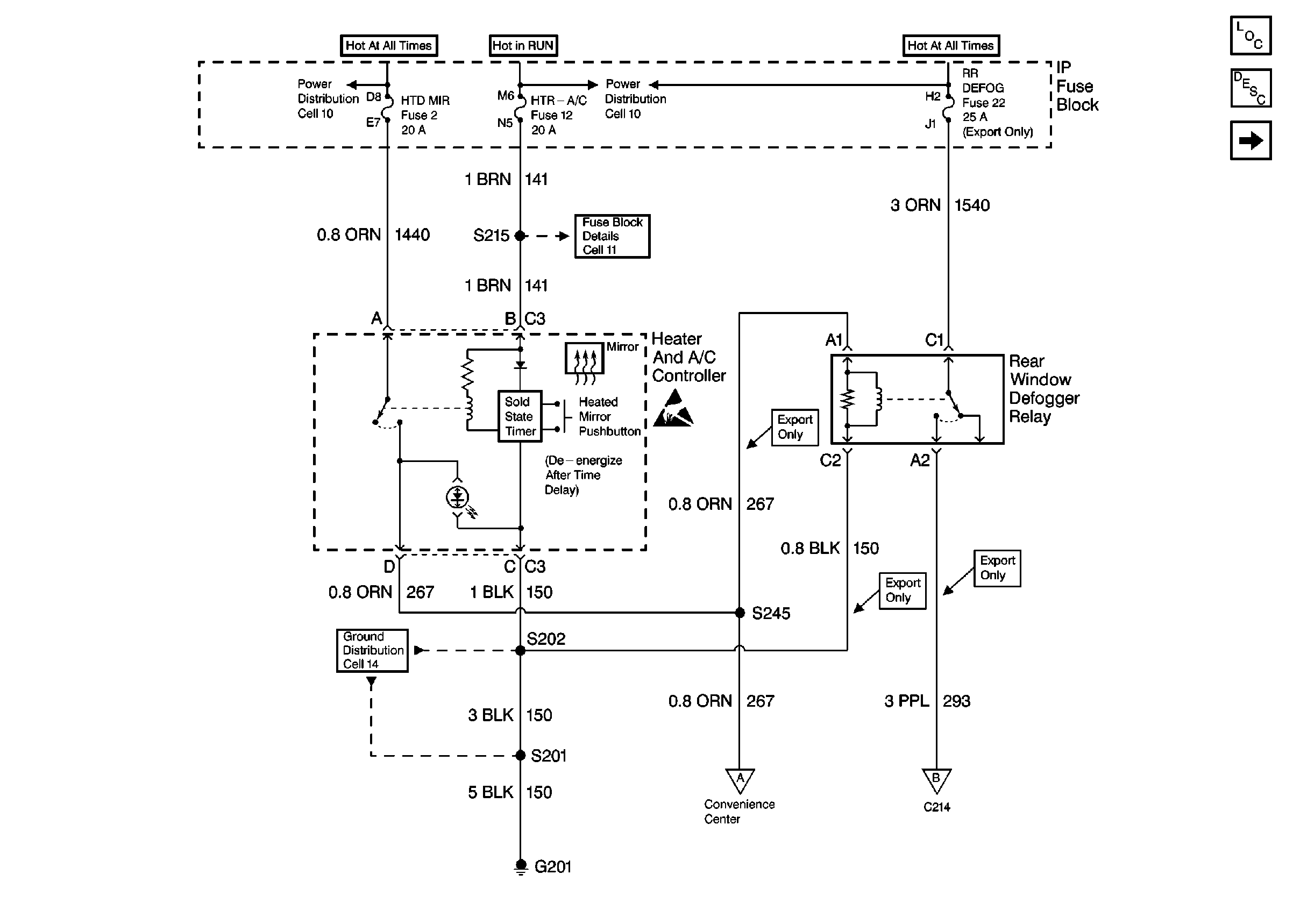
Cell 61: Rear Window Defogger Relay
Stationary Windows Components Domestic
Rear Window Defogger Circuit Description
Cell 61: Outside Rear View Mirrors, Rear Power Windows
Power Distribution Schematics Export
Power Distribution Schematics Export
Fuse Block Schematics Export
Handling ESD Sensitive Parts Notice
Ground Distribution Schematics Export
Cell 61: Outside Rear View Mirrors, Rear Power Windows
Cell 61: Outside Rear View Mirrors, Rear Power Windows
Figure
2:
Cell 61: Outside Rear View Mirrors, Rear Power Windows
Stationary Windows Components Domestic
Rear Window Defogger Circuit Description
Cell 61: Rear Window Defogger Relay
Cell 61: Rear Window Defogger Relay
Cell 61: Rear Window Defogger Relay
Ground Distribution Schematics Export
Ground Distribution Schematics Export
Ground Distribution Schematics Export