GM Service Manual Online
For 1990-2009 cars only
Makes
🢒
Chevrolet
🢒
1999
🢒
Express
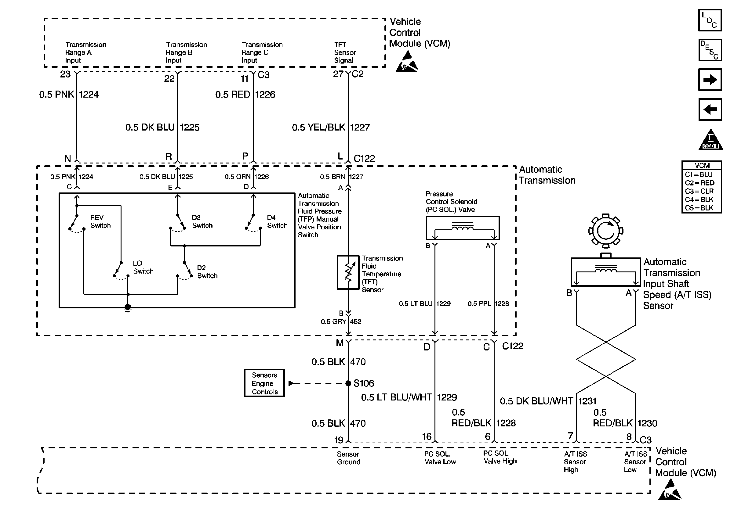
🢒 Transmission Controls
Transmission Controls
Transmission Controls
Engine Controls Components
Information Sensors/Switches Description
A/C Controls
VSS and Cruise Controls
OBDII Symbol Description Notice