GM Service Manual Online
For 1990-2009 cars only
Makes
🢒
Chevrolet
🢒
1999
🢒
Express
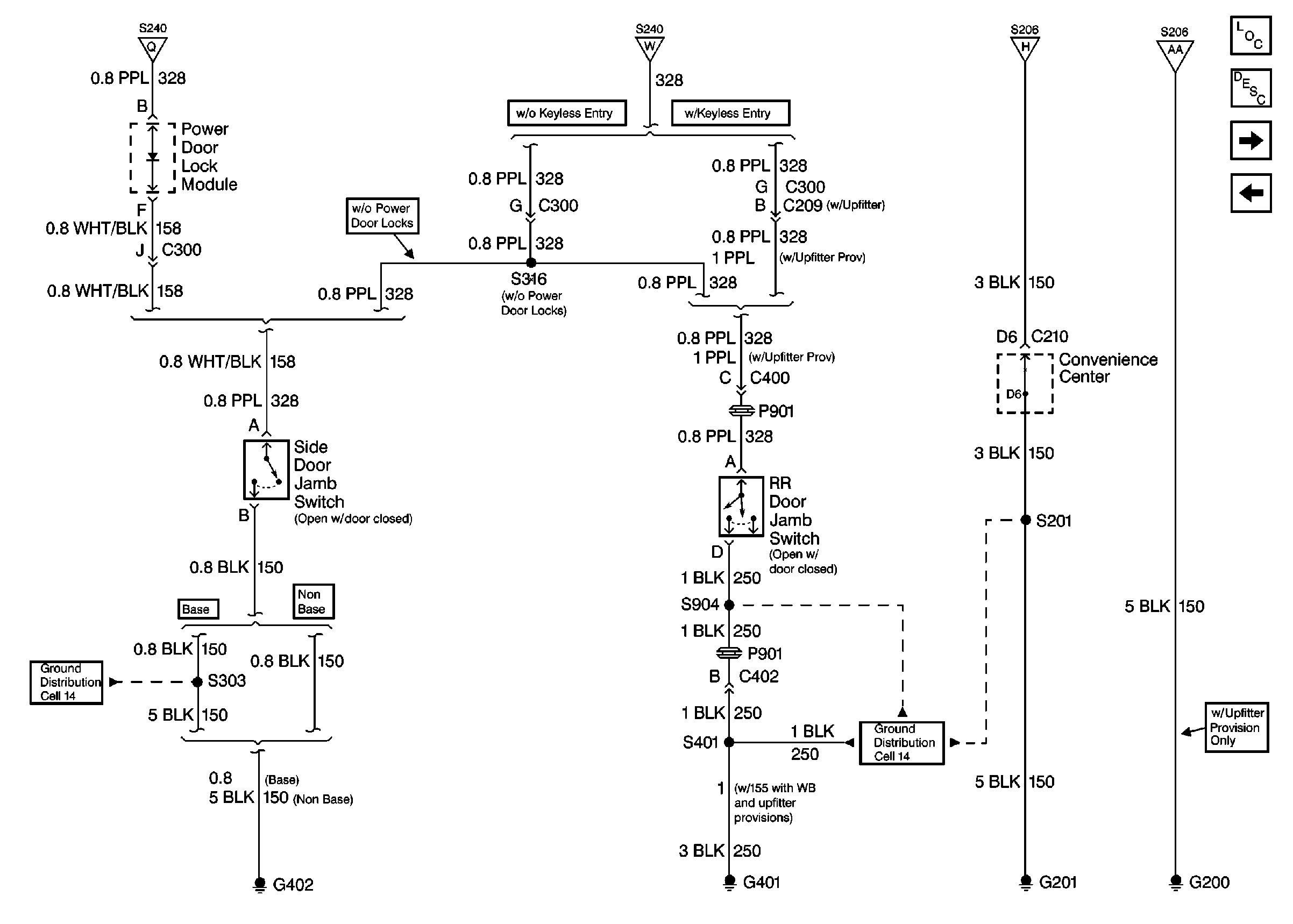
🢒 Cell 114: Side Door Jamb Switch, Right Rear Door Jamb Switch, G200,G201, G401, G402
Cell 114: Side Door Jamb Switch, Right Rear Door Jamb Switch, G200,G201, G401, G402
Cell 114: Side Door Jamb Switch, Right Rear Door Jamb Switch, G200, G201, G401, G402
Lighting Systems Components Domestic
Cell 114: CTSY Fuse, Dome Lamps, Left Stepwell Lamp
Cell 114: Front Door Jamb Switches
Cell 114: Front Door Jamb Switches
Cell 114: Front Door Jamb Switches
Cell 114: Front Door Jamb Switches
Cell 114: Front Door Jamb Switches
Ground Distribution Schematics Domestic
Ground Distribution Schematics Domestic