GM Service Manual Online
For 1990-2009 cars only
Makes
🢒
Chevrolet
🢒
1999
🢒
Express
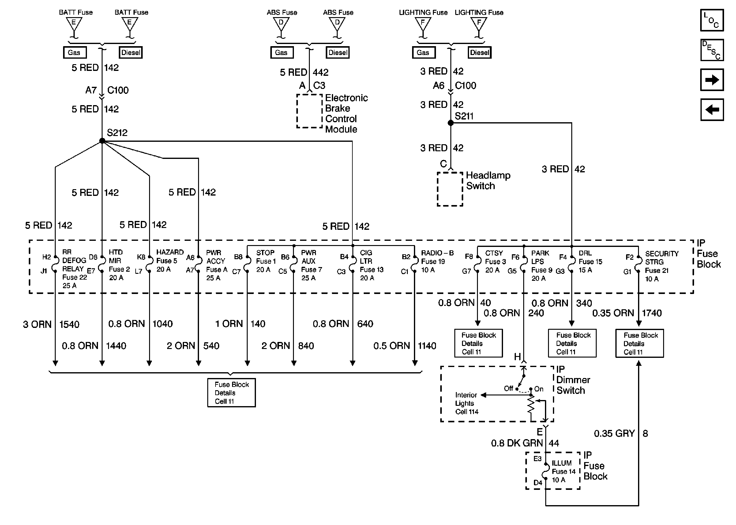
🢒 Cell 10: HTD MIR, HAZARD, PWR ACCY, STOP, PWR AUX, CIG LTR, RADIO-B, CTSY, PARK LPS, DRL, SECURITY STRG, ILLUM Fuses
Cell 10: HTD MIR, HAZARD, PWR ACCY, STOP, PWR AUX, CIG LTR, RADIO-B, CTSY, PARK LPS, DRL, SECURITY STRG, ILLUM Fuses
Cell 10: HTD MIR, HAZARD, PWR ACCY, STOP, PWR AUX, CIG LTR, RADIO-B, CTSY, PARK LPS, DRL, SECURITY STRG, ILLUM Fuses
Power and Grounding Components
Cell 10: FUEL SOL, IGN-E, ECM-I, ENG-I, GAUGES, AIR BAGS, TURN B/U Fuses
Cell 10: Ignition Switch, RR BLOWER, RR HVAC, BRAKE, HTR AC, CRUISE, RADIO, WIPER, PWR WDO, TRANS, CRANK Fuses
Cell 10: Battery, Battery Junction Block, Auxiliary Battery, AUX A, AUX B, BLOWER, IGN-B, IGN-A, ABS, BATT, LIGHTING, ECM-B, HORN, A/C Fuses, Inline Fuse 30 A (Diesel Engines)
Cell 10: Battery, Battery Junction Block, Auxiliary Battery, AUX A, AUX B, BLOWER, IGN-B, IGN-A, ABS, BATT, LIGHTING, ECM-B, HORN, A/C Fuses, Inline Fuse 30 A (Diesel Engines)
Cell 10: Battery, Battery Junction Block, Auxiliary Battery, AUX A, AUX B, BLOWER, IGN-B, IGN-A, ABS, BATT, LIGHTING, ECM-B, HORN, A/C Fuses, Inline Fuse 30 A (Diesel Engines)
Cell 10: Battery, Battery Junction Block, Auxiliary Battery, AUX A, AUX B, BLOWER, IGN-B, IGN-A, ABS, BATT, LIGHTING, ECM-B, HORN, A/C Fuses, Inline Fuse 30 A (Diesel Engines)
Cell 10: Battery, Battery Junction Block, Auxiliary Battery, AUX A, AUX B, BLOWER, IGN-B, IGN-A, ABS, BATT, LIGHTING, ECM-B, HORN, A/C Fuses, Inline Fuse 30 A (Diesel Engines)
Cell 10: Battery, Battery Junction Block, Auxiliary Battery, AUX A, AUX B, BLOWER, IGN-B, IGN-A, ABS, BATT, LIGHTING, ECM-B, HORN, A/C Fuses, Inline Fuse 30 A (Diesel Engines)
Fuse Block Schematics Domestic
Fuse Block Schematics Domestic
Fuse Block Schematics Domestic
Fuse Block Schematics Domestic