GM Service Manual Online
For 1990-2009 cars only
Makes
🢒
Chevrolet
🢒
1999
🢒
Express
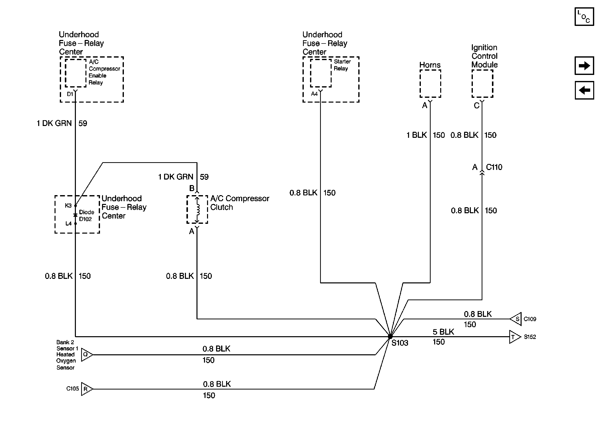
🢒 Cell 14: Underhood Fuse-Relay Center, Horns, Ignition Control Module(4.3L)
Cell 14: Underhood Fuse-Relay Center, Horns, Ignition Control Module(4.3L)
Cell 14: Underhood Fuse-Relay Center, Horns, Ignition Control Module (4.3L)
Power and Grounding Components
Cell 14: G103 (4.3L)
Cell 14: G102, C105, Heated Oxygen Sensor, Bank 2 Sensor 1 (G103) (4.3L)
Cell 14: G102, C105, Heated Oxygen Sensor, Bank 2 Sensor 1 (G103) (4.3L)
Cell 14: G102, C105, Heated Oxygen Sensor, Bank 2 Sensor 1 (G103) (4.3L)
Cell 14: G103 (4.3L)
Cell 14: G103 (4.3L)