GM Service Manual Online
For 1990-2009 cars only
Makes
🢒
Chevrolet
🢒
1999
🢒
Express
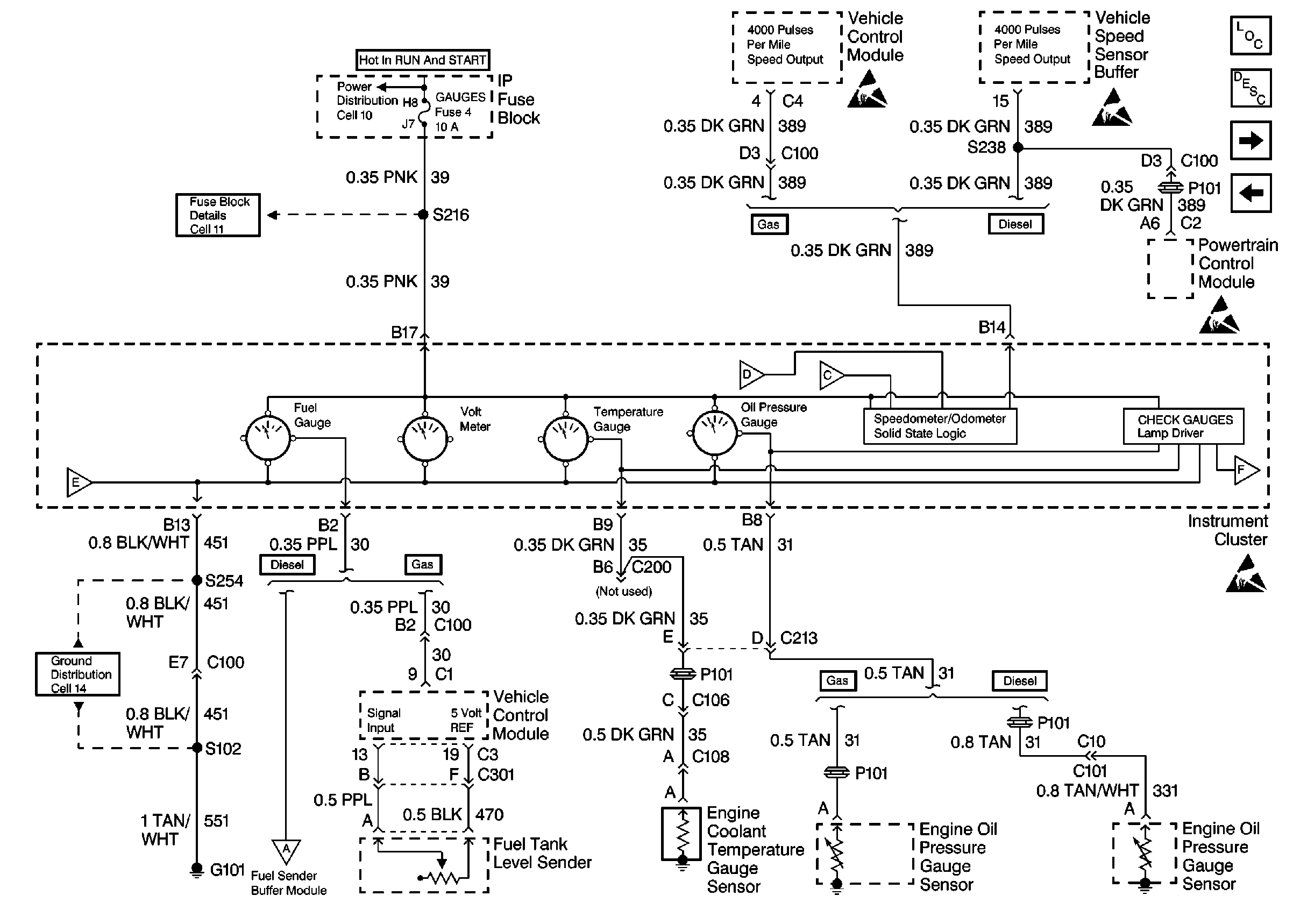
🢒 Cell 81: GAUGES Fuse, Engine Coolant Temperature Gauge Sensor, G101
Cell 81: GAUGES Fuse, Engine Coolant Temperature Gauge Sensor, G101
Cell 81: GAUGES Fuse, Engine Coolant Temperature Gauge Sensor, G101