GM Service Manual Online
For 1990-2009 cars only
Makes
🢒
Chevrolet
🢒
1999
🢒
Express
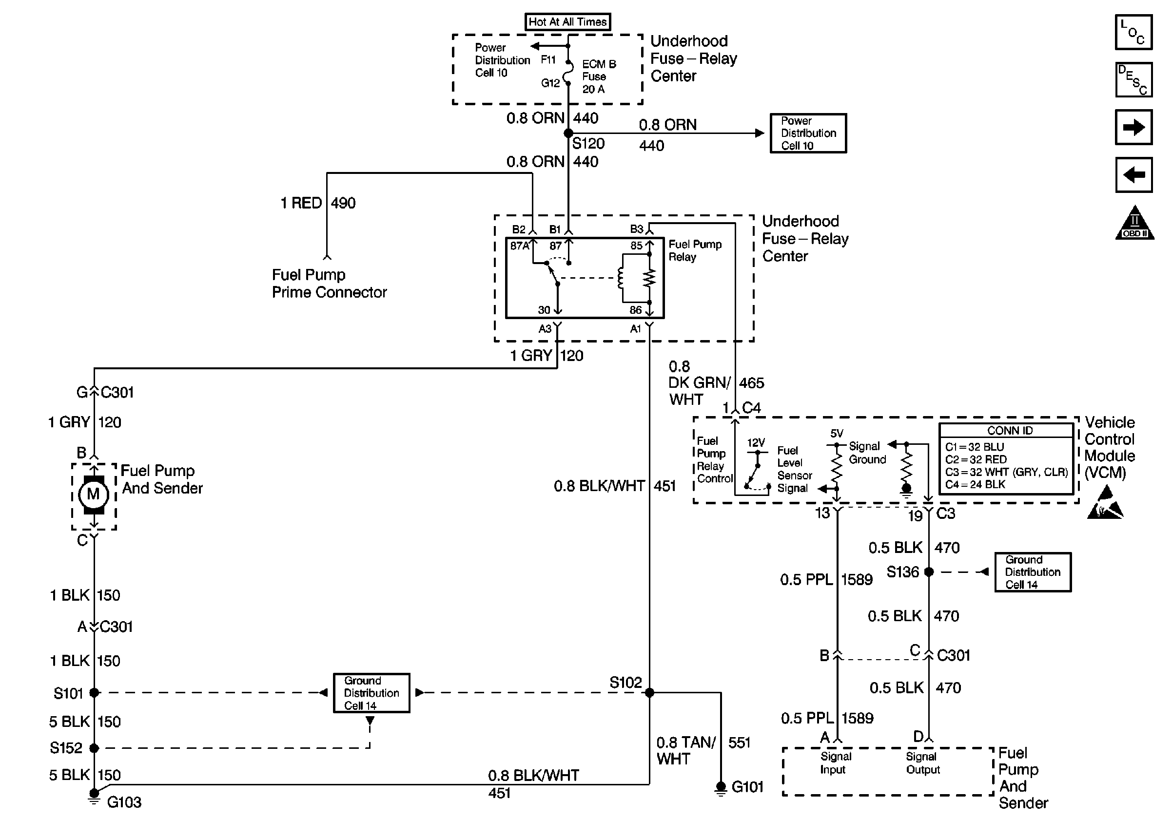
🢒 Cell 21: Fuel Pump Controls
Cell 21: Fuel Pump Controls
Cell 21: Fuel Pump Controls
Engine Controls Components
Information Sensors/Switches Description
Cell 21: Fuel Injector Controls
Cell 21: Ignition Controls
OBD II Symbol Description Notice
Cell 10: Battery, AUX A, AUX B, BLOWER, IGN-B, IGN-A, ABS, BATT, LIGHTING, ECM-B, HORN, and A/C Fuses, Inline Fuse 30 A (Gasoline Engines)
Cell 11: ECM-B, HORN, A/C Fuses
Cell 14: Heated Oxygen Sensor Bank 2 Sensor 1, Heated Oxygen Sensor Bank 1 Sensor 1, C105 (G103) (5.0L, 5.7L)
Cell 14: G200; C201, C208, C210 (G201)
VCM Connector End Views
Handling ESD Sensitive Parts Notice