GM Service Manual Online
For 1990-2009 cars only
Makes
🢒
Chevrolet
🢒
1999
🢒
Express
🢒 Cell 22: Sensor Controls
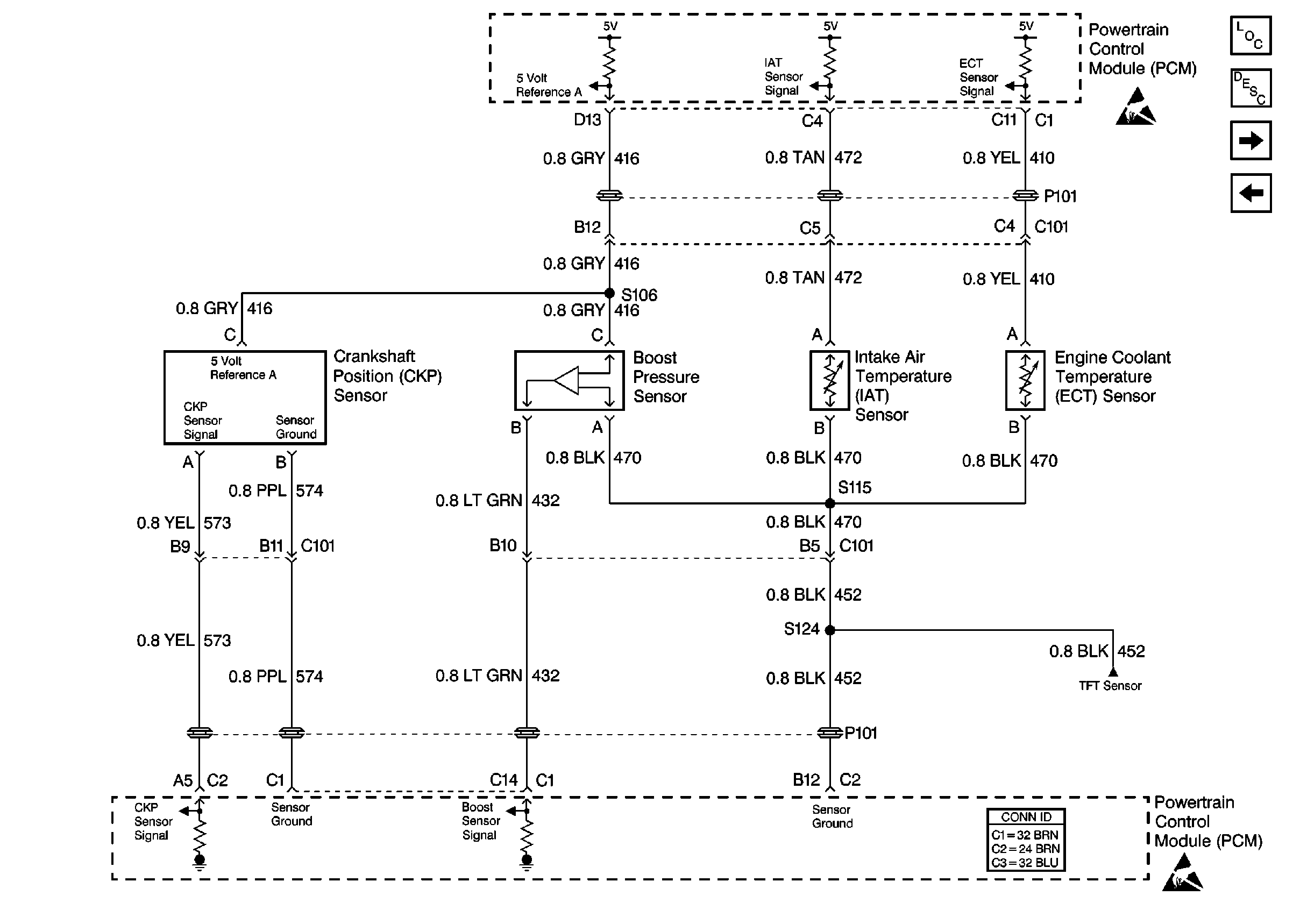
Cell 22: Sensor Controls
Cell 22: Sensor Controls
Engine Controls Components
Information Sensors/Switches Description
Cell 22: Wastegate Controls
Cell 22: Fuel Temperature Controls
Cell 22: 4L80-E Switch and ISS Controls
Powertrain Control Module Connector End Views
Handling ESD Sensitive Parts Notice
Handling ESD Sensitive Parts Notice