GM Service Manual Online
For 1990-2009 cars only
Makes
🢒
Chevrolet
🢒
1999
🢒
Express
🢒 Cell 22: Cruise Controls
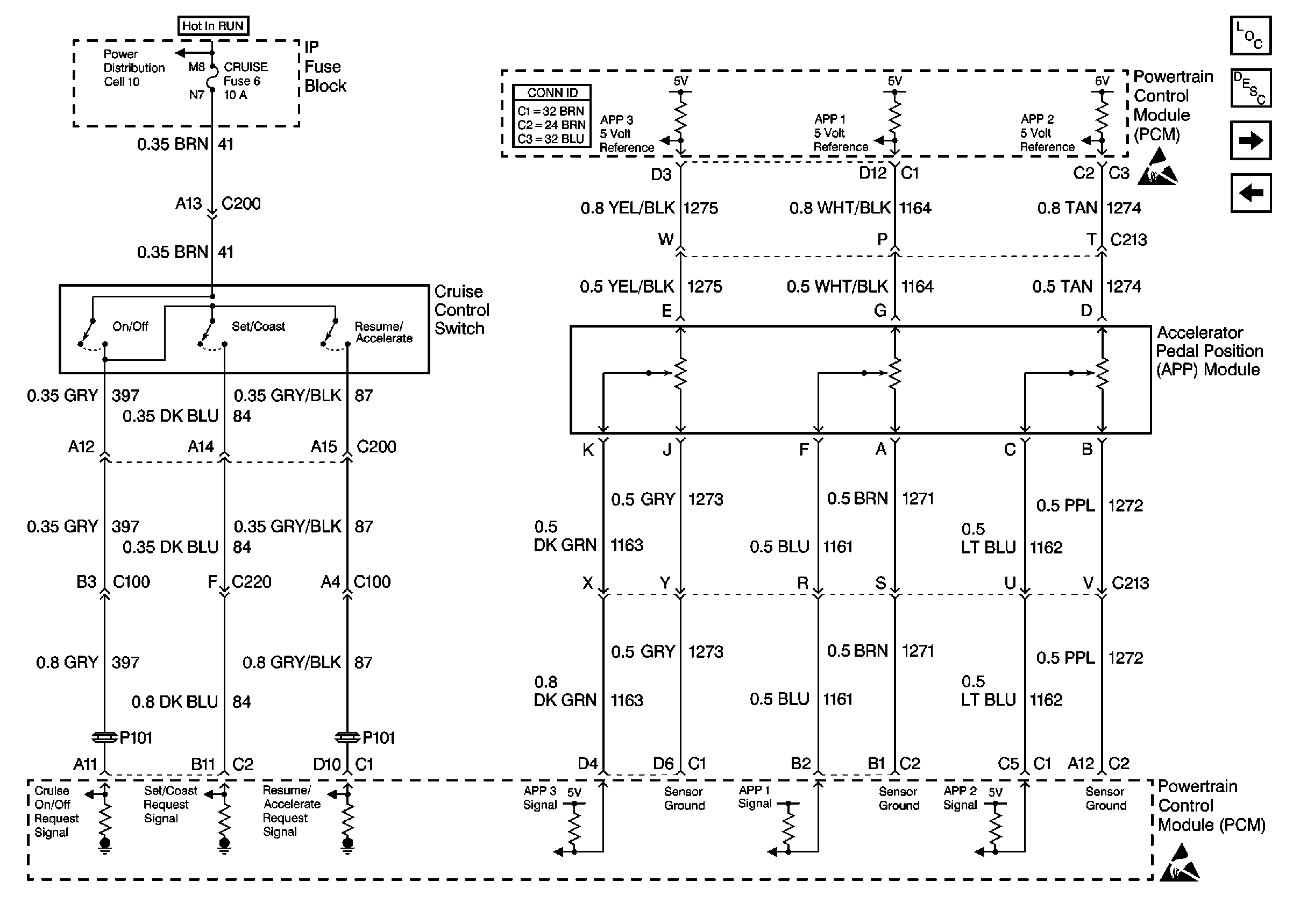
Cell 22: Cruise Controls
Cell 22: Cruise Controls
Engine Controls Components
Information Sensors/Switches Description
Cell 22: VSS Controls
Cell 22: Wastegate Controls
Cell 10: Ignition Switch, RR BLOWER, RR HVAC, BRAKE, HTR AC, CRUISE, RADIO, WIPER, PWR WDO, TRANS, CRANK Fuses
Powertrain Control Module Connector End Views
Handling ESD Sensitive Parts Notice
Handling ESD Sensitive Parts Notice