GM Service Manual Online
For 1990-2009 cars only

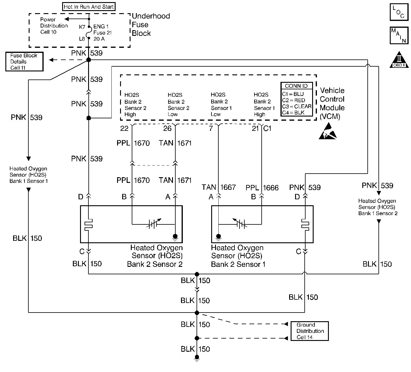
Object Number: 400063  Size: LF
Engine Controls Component Views
Engine Controls Schematics
OBD II Symbol Description Notice
Handling ESD Sensitive Parts Notice

Circuit Description

The heated oxygen sensor (HO2S) is a sensor designed to create a voltage relative to the oxygen content in the engine exhaust stream. The control module supplies the HO2S with signal high and low circuits. Ignition voltage and ground are supplied to the HO2S heater by independent circuits. The oxygen content of the exhaust indicates when the engine is operating lean or rich. When the HO2S detects that the engine is operating rich, the signal voltage is high, and decreases the signal voltage as the engine runs leaner. This oscillation above and below the bias voltage, sometimes referred to as activity or switching, can be monitored with the HO2S signal voltage.

The HO2S contains a heater that is necessary in order to quickly warm the sensor to operating temperature. The heater also maintains the operating temperature during extended idle conditions. The HO2S needs to be at a high temperature in order to produce a voltage. When the HO2S reaches operating temperature, the control module monitors the HO2S bias, or reference, voltage. It also monitors the HO2S signal voltage for Closed Loop fuel control. During normal Closed Loop fuel control operation, the control module will add fuel, or enrich the mixture, when the HO2S detects a lean exhaust content. The control module will subtract fuel, or "lean-out" the mixture, when the HO2S detects a rich exhaust condition.

Certain vehicle models utilize an oxygen sensor behind the catalytic converter in order to monitor catalyst efficiency.

This diagnostic trouble code (DTC) determines if the HO2S is functioning properly. It checks for an adequate number of HO2S voltage transitions above and below the bias range of 300-600 mV. This DTC sets when the vehicle control module (VCM) fails to detect a minimum number of voltage transitions above and below the bias range during the test period. Possible causes of this DTC are:

    • An open or a short to voltage on either the HO2S signal or HO2S low circuits
    • A malfunctioning HO2S
    • A problem in the HO2S heater or its circuit
    • A faulty HO2S ground

This DTC determines if the HO2S is functioning properly by checking for an adequate number of HO2S voltage transitions above and below the bias range of 300-600 mV. This DTC sets when the VCM fails to detect a minimum number of voltage transitions above and below the bias range during the test period. Possible causes of this DTC are listed below.

    • An open circuit or a short to voltage on either the HO2S signal or HO2S low circuits
    • A malfunctioning HO2S
    • A problem in the HO2S heater or its circuit
    • A poor HO2S ground

Conditions for Running the DTC

    • No active TP sensor DTCs
    • No active EVAP system DTCs
    • No active IAT sensor DTCs
    • No active MAP sensor DTCs
    • No active ECT sensor DTCs
    • No active MAF sensor DTCs
    • No active misfire DTCs
    • No intrusive tests (i.e., EGR or Catalyst) in progress
    • No device control active
    • The system voltage is between 11.7-18 volts
    • The engine run time is more than 120 seconds
    • DFCO not active
    • The ECT is 58.5°C (137° F) or more
    • The MAF is 13 g/s or more
    • DTC P0155 not active
    • The system is in closed loop

Conditions for Setting the DTC

The O2 sensor voltage remains between 399-473 mV for more than 100 seconds

Action Taken When the DTC Sets

    • The control module illuminates the malfunction indicator lamp (MIL) if a failure is detected during 2 consecutive key cycles.
    • The control module sets the DTC and records the operating conditions at the time the diagnostic failed. The failure information is stored in the scan tool Freeze Frame/Failure Records.

Conditions for Clearing the MIL or DTC

    • The control module turns OFF the MIL after 3 consecutive drive trips when the test has run and passed.
    • A history DTC will clear if no fault conditions have been detected for 40 warm-up cycles. A warm-up cycle occurs when the coolant temperature has risen 22°C (40°F) from the startup coolant temperature and the engine coolant reaches a temperature that is more than 70°C (158°F) during the same ignition cycle.
    • Use a scan tool in order to clear the DTCs.

Diagnostic Aids

Important: Never solder the HO2S wires. For proper wire and connection repairs, refer to Wiring Repairs or Connector Repairs in Wiring Systems.

Check for the following conditions:

Check for exhaust system leaks upstream of the suspect HO2S. The leak may be very small and typically be within 30.5 cm (12 in.) of the suspect HO2S. Refer to Exhaust System Inspection in Engine Exhaust.

The Intermittent Test

Use a scan tool in order to monitor this HO2S signal voltage. Move the related connectors and the wiring harness with a warm engine running at part throttle in Closed Loop. If the failure is induced, the HO2S signal voltage reading changes from its normal fluctuating voltage (above 600 mV and below 300 mV) to a fixed value around 450 mV. This may help to isolate the location of the malfunction.

An intermittent may be caused by any of the following conditions:

    • A poor connection
    • Rubbed through wire insulation
    • A broken wire inside the insulation

Thoroughly check any circuitry that is suspected of causing the intermittent complaint. Refer to Intermittents and Poor Connections Diagnosis in Wiring Systems.

If a repair is necessary, refer to Wiring Repairs or Connector Repairs in Wiring Systems.

Test Description

The numbers below refer to the step numbers on the diagnostic table.

  1. This step checks for proper sensor activity. When in Closed Loop fuel control the HO2S voltage should rapidly swing above and below the bias voltage.

  2. This step checks the VCM and the HIGH and LOW circuits between the VCM and the HO2S connector for proper operation.

  3. This step checks for proper HO2S heater circuit operation up to the HO2S connector.

  4. This step checks for proper circuit resistance between the HO2S LOW circuit and VCM ground.

  5. This step checks for proper circuit resistance between the HO2S LOW circuit and VCM ground with a COLD sensor. A loose HO2S or poor thread to exhaust electrical contact will cause higher resistance when the HO2S is cold. Although 500 ohms is allowed, typical resistance should be less than 50 ohms.

Step

Action

Value(s)

Yes

No

1

Important: Before clearing the DTCs, use the scan tool Capture Info to save the Freeze Frame and Failure Records for reference. The control module's data is deleted once the Clear Info function is used.

Did you perform the Powertrain On-Board Diagnostic (OBD) System Check?

--

Go to Step 2

Go to Powertrain On Board Diagnostic (OBD) System Check

2

  1. Using a scan tool, store DTC Information from the VCM into the scan tool.
  2. Clear the DTC Information from the VCM.
  3. Reset the Fuel Trim values.
  4. Start and idle the engine until normal operating temperature is reached.
  5. Using a scan tool monitor the HO2S voltage for the sensor that applies to this DTC.

Is the HO2S voltage fixed within the voltage range specified?

399-473 mV

Go to Step 4

Go to Step 3

3

  1. The condition that set this DTC is not present. Check to see if this DTC was set by one of the following conditions:
  2. • HO2S connector water intrusion
    • An intermittently open HO2S HIGH signal circuit
    • An intermittently open HO2S LOW circuit
    • An HO2S LOW circuit with high resistance to ground
    • VCM ground circuits with high resistance to ground
    • An inoperative HO2S heater
    • Poor HO2S or VCM connector terminal contact
    • An exhaust system leak (typically within 12 inches up-stream of the HO2S). Refer to Exhaust System Inspection in Engine Exhaust.
    • A damaged HO2S
  3. Repair any of the above conditions as necessary.

Did you find a problem?

--

Go to Step 17

Go to Diagnostic Aids

4

  1. Turn OFF the ignition.
  2. Disconnect the HO2S connector for the sensor that applies to this DTC.
  3. Jumper the HO2S LOW circuit to a known good ground.
  4. Jumper the HO2S HIGH signal circuit to a known good ground.
  5. Turn the ignition ON leaving the engine OFF.
  6. Using a scan tool monitor the HO2S voltage for the sensor that applies to this DTC.

Is the voltage less than the specified value?

20 mV

Go to Step 7

Go to Step 5

5

  1. Turn OFF the ignition.
  2. Remove the jumpers from the HO2S terminals.
  3. Disconnect the VCM connector containing the HO2S HIGH and LOW circuits.
  4. Using a J 39200 DMM measure the continuity of the HO2S HIGH signal circuit and then the HO2S LOW circuit between the VCM connector terminal and the HO2S connector terminal (engine harness side).

Is the resistance of both circuits less than the specified value?

5 ohms

Go to Step 6

Go to Step 9

6

  1. Check for proper VCM connector terminal contact.
  2. Repair VCM terminals as necessary. Refer to Wiring Repairs in Wiring Systems.

Did you find a problem?

--

Go to Step 17

Go to Step 16

7

  1. Remove the jumpers from the HO2S terminals.
  2. Connect a test lamp between the HO2S Heater ignition feed and heater ground circuit terminals (engine harness side).
  3. Ensure the ignition is ON while the engine is OFF.

Is the test lamp ON?

--

Go to Step 8

Go to Step 10

8

  1. Turn the ignition OFF.
  2. Reconnect the HO2S connector.
  3. Disconnect the VCM connector containing the HO2S LOW circuit and the VCM connector containing the VCM ground circuits.
  4. Using a J 39200 DMM measure the resistance between the HO2S LOW circuit terminal and one of the VCM ground circuit terminals.

Is the resistance less than the specified value?

500 ohms

Go to Step 12

Go to Step 11

9

Repair the circuit that measured high resistance.

Refer to Wiring Repairs in Wiring Systems.

Is the action complete?

--

Go to Step 17

--

10

Repair the HO2S Heater ignition or ground circuit. Probable causes include the following:

    • An open circuit
    • High circuit resistance
    • Poor ground connection
    • A blown heater fuse (other DTCs should set)

Is the action complete?

--

Go to Step 17

--

11

Repair the high resistance between the HO2S LOW circuit and the VCM ground circuit. Refer to Wiring Repairs in Wiring Systems. Probable causes include the following:

    • Poor HO2S connector terminal contact
    • An open sensor harness LOW circuit (requires HO2S replacement)
    • A sensor harness LOW circuit with high resistance (requires HO2S replacement)
    • Poor VCM ground connection
    • High VCM ground circuit resistance
    • An ungrounded exhaust system

Is the action complete?

--

Go to Step 17

--

12

  1. Check for exhaust system leaks upstream of the suspect HO2S.
  2. The leak may be very small and typically be within 12 inches of the suspect HO2S. Refer to Exhaust System Inspection in Engine Exhaust.

  3. Repair the exhaust as necessary.

Did you find a problem?

--

Go to Step 17

Go to Step 13

13

  1. Allow engine to cool to ambient temperature.
  2. Using a J 39200 DMM measure the resistance between the HO2S LOW circuit terminal and a VCM ground circuit terminal.

Is the resistance less than the specified value?

500 ohms

Go to Step 15

Go to Step 14

14

  1. Remove the HO2S from the exhaust.
  2. Clean the HO2S mounting treads.
  3. Apply anti-seize compound 561 3695 or equivalent to the sensor treads.
  4. Tighten the HO2S to the proper torque. Refer to Heated Oxygen Sensor Replacement .
  5. Using a J 39200 DMM measure the resistance between the HO2S LOW circuit terminal and a VCM ground circuit terminal.

Is the resistance less than the specified value?

500 ohms

Go to Step 17

Go to Step 15

15

Replace the HO2S sensor. Refer to Heated Oxygen Sensor Replacement .

Is the action complete?

--

Go to Step 17

--

16

  1. Replace the VCM.
  2. Program the new VCM. Refer to VCM Replacement/Programming .
  3. Perform the Passlock Reprogramming Procedure. Refer to PASSLOCK Reprogramming Seed and Key in Theft Deterrent.
  4. Perform the CKP System Variation Learning Procedure. Refer to Crankshaft Position System Variation Learn .

Is the action complete?

--

Go to Step 17

--

17

  1. Using the scan tool, clear the DTC's.
  2. Start the engine.
  3. Allow the engine to idle until the engine reaches normal operating temperature.
  4. Select DTC and the Specific DTC function.
  5. Enter the DTC number which was set.
  6. Operate the vehicle, with the Condition for Setting this DTC, until the scan tool indicates the diagnostic Ran.

Does the scan tool indicate the diagnostic passed?

--

Go to Step 18

Go to Step 2

18

Does the scan tool display any additional undiagnosed DTCs?

--

Go to the applicable DTC table

System OK